小度生活
首页
美食营养
手工爱好
生活家居
返回
小度生活
首页
美食营养
游戏数码
手工爱好
生活家居
健康养生
运动户外
职场理财
情感交际
母婴教育
时尚美容
知识问答
生活知识
生活百科
搜索
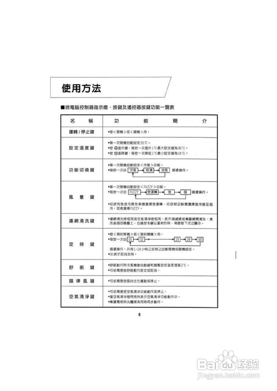
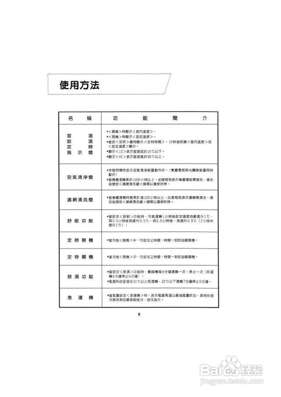
声宝AW-A56BR型冷气机说明书
2026-03-26 07:17:38
声明:
本网站引用、摘录或转载内容仅供网站访问者交流或参考,不代表本站立场,如存在版权或非法内容,请联系站长删除,联系邮箱:site.kefu@qq.com。
相关推荐
声宝AW-A36BR窗型冷气机说明书
阅读量:159
声宝AW-D25BR窗型冷气机说明书:[1]
阅读量:110
声宝AW-D25BR窗型冷气机说明书:[2]
阅读量:73
声宝AW-D25BR窗型冷气机说明书:[3]
阅读量:66
声宝AW-2203BR窗型冷气机说明书
阅读量:145
猜你喜欢
糟糠之妻什么意思
莫须有是什么意思
什么纸尿裤好用又便宜
大花蕙兰的养殖方法和注意事项
b族维生素片
运动眼镜
con是什么
demon是什么意思
波尔多液是什么
online什么意思
猜你喜欢
亵渎什么意思
什么的启示
什么是suv
白内障是什么症状
cage是什么意思
什么小游戏好玩
回力运动鞋
养生堂维生素c
什么是方阵
古文运动