小度生活
首页
美食营养
手工爱好
生活家居
返回
小度生活
首页
美食营养
游戏数码
手工爱好
生活家居
健康养生
运动户外
职场理财
情感交际
母婴教育
时尚美容
知识问答
搜索
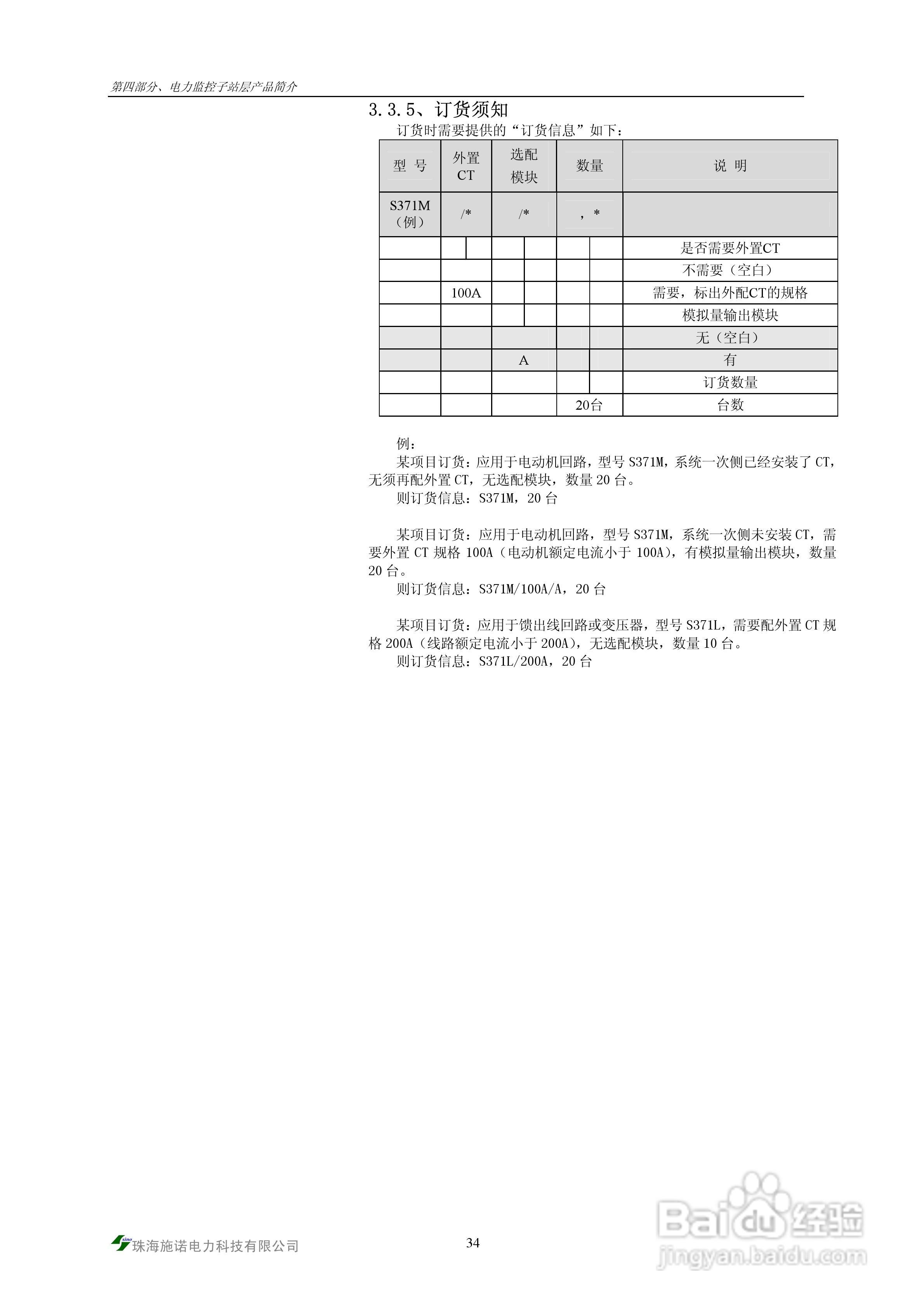
S900-PMS电力监控系统说明书:[4]
2025-10-29 23:39:10
本篇为《S900-PMS电力监控系统说明书》,主要介绍该产品的使用方法以及常见故障解决方案。
(共篇)
上一篇:
声明:
本网站引用、摘录或转载内容仅供网站访问者交流或参考,不代表本站立场,如存在版权或非法内容,请联系站长删除,联系邮箱:site.kefu@qq.com。
相关推荐
S900-PMS电力监控系统说明书:[2]
阅读量:162
佳能S900如何清废墨
阅读量:159
PMS绿云系统中房价码的设置方法
阅读量:160
CMYK,PMS,HSV,RGB,HEX转换工具操作
阅读量:32
经前期综合症(PMS)的病因
阅读量:104
猜你喜欢
犀利是什么意思
手机vpn是什么
sweep是什么意思
175 92a是什么尺码
football是什么意思
团购是什么意思
crm是什么
全套什么意思
icloud什么意思
wrong是什么意思
猜你喜欢
养什么最赚钱
建筑密度是什么意思
轮毂是什么
胸径是什么意思
其实爱情本是一团烈火是什么歌
维修费计入什么科目
信念是什么
什么是蜘蛛痣
e3 1230 v2配什么主板
kol什么意思