小度生活
首页
美食营养
手工爱好
生活家居
返回
小度生活
首页
美食营养
游戏数码
手工爱好
生活家居
健康养生
运动户外
职场理财
情感交际
母婴教育
时尚美容
知识问答
生活知识
搜索
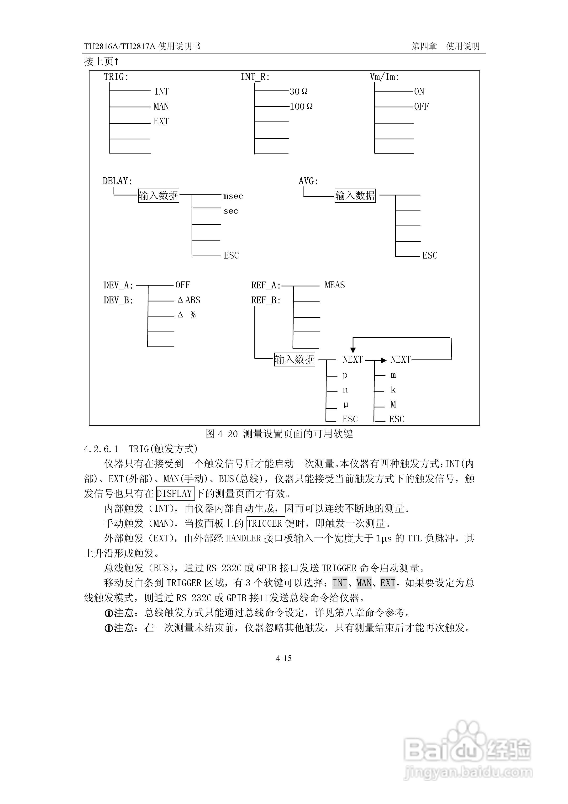
锦流源电子TH2817A/TH2816A LCR数字电桥说明书:[4]
2026-01-31 07:58:54
本篇为《锦流源电子TH2817A/TH2816A LCR数字电桥说明书》,主要介绍该产品的使用方法以及常见故障解决方案。
(共篇)
上一篇:
|
下一篇:
声明:
本网站引用、摘录或转载内容仅供网站访问者交流或参考,不代表本站立场,如存在版权或非法内容,请联系站长删除,联系邮箱:site.kefu@qq.com。
相关推荐
锦流源电子TH2816B LCR数字电桥说明书:[4]
阅读量:31
锦流源电子TH2816B LCR数字电桥说明书:[5]
阅读量:170
锦流源电子TH2816B LCR数字电桥说明书:[6]
阅读量:179
TH2817A型LCR数字电桥使用说明书:[2]
阅读量:163
TH2816B型LCR数字电桥使用说明书:[4]
阅读量:154
猜你喜欢
我的童年生活
cf小碎步怎么走
如何给领导送礼
店铺推广是如何扣费的
如何创新工作方法
倩碧小黄油怎么样
豆豆鞋怎么搭配
发射器怎么用
我的初中生活作文600字
如何查询身份证号码
猜你喜欢
如何办理400电话
怎么卸载mcafee
白玉菩提子怎么盘
doi是什么意思
女人心情不好怎么办
内分泌失调有什么症状
智能生活
如何开一家花店
如何去除水垢
最生活