小度生活
首页
美食营养
手工爱好
生活家居
返回
小度生活
首页
美食营养
游戏数码
手工爱好
生活家居
健康养生
运动户外
职场理财
情感交际
母婴教育
时尚美容
知识问答
生活知识
生活百科
搜索
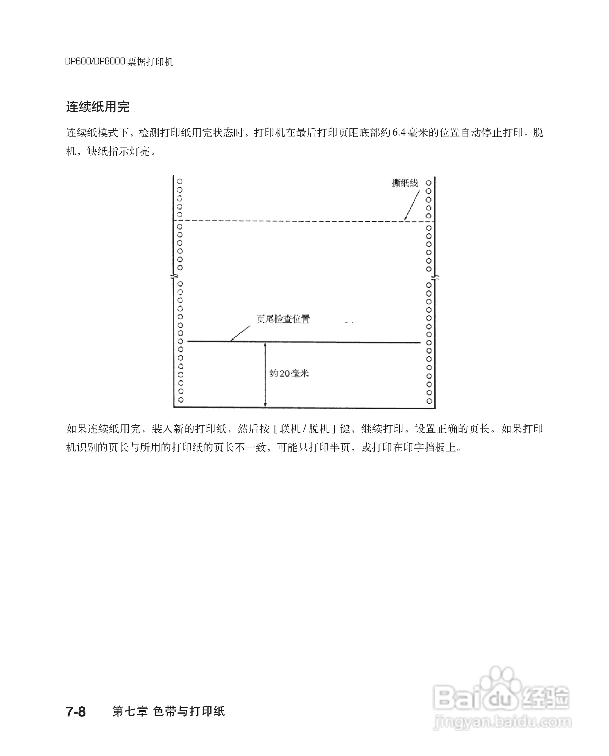
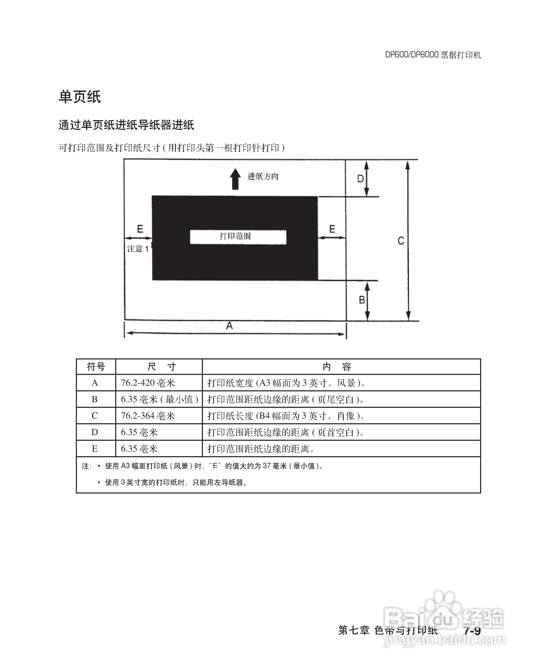
联想票据打印机dp600用户手册:[9]
2026-05-02 22:15:08
本篇为《联想票据打印机dp600用户手册》,主要介绍该产品的使用方法以及常见故障解决方案。
(共篇)
上一篇:
|
下一篇:
声明:
本网站引用、摘录或转载内容仅供网站访问者交流或参考,不代表本站立场,如存在版权或非法内容,请联系站长删除,联系邮箱:site.kefu@qq.com。
相关推荐
联想票据打印机dp600用户手册:[8]
阅读量:109
联想票据打印机dp600用户手册:[10]
阅读量:82
联想票据打印机dp600用户手册:[3]
阅读量:171
联想电脑bios设置图解教程
阅读量:58
联想怎么进入bios
阅读量:70
猜你喜欢
牡丹花什么时候开
双鱼座和什么星座最配
relax是什么意思
养殖业什么最赚钱农村
什么是遗精
facebook是什么意思
back是什么意思
弯弯的月亮像什么
背离是什么意思
紫色配什么颜色好看
猜你喜欢
cake是什么意思
流明是什么意思
11月30日是什么星座
网商银行是什么
阴囊瘙痒用什么药
我去年买了个表是什么意思
2000年属什么
85年属什么
质数是什么意思
面签是什么意思