小度生活
首页
美食营养
手工爱好
生活家居
返回
小度生活
首页
美食营养
游戏数码
手工爱好
生活家居
健康养生
运动户外
职场理财
情感交际
母婴教育
时尚美容
知识问答
生活知识
搜索
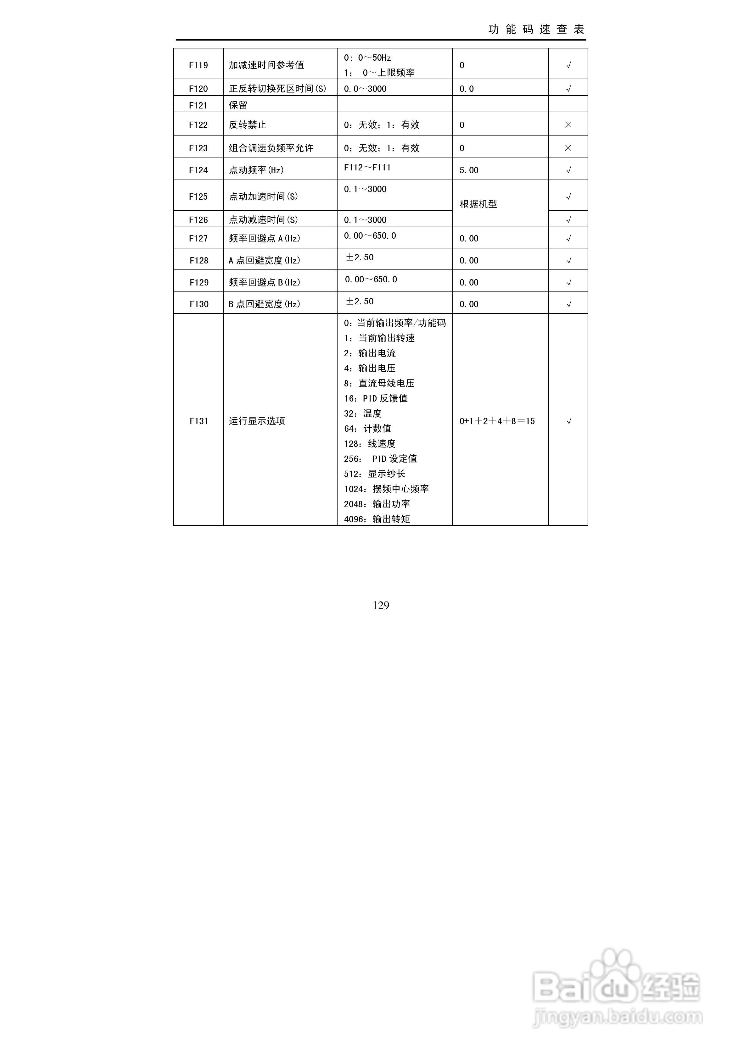
欧瑞传动EC2000-0150T3变频器使用说明书:[13]
2025-10-18 11:10:37
本篇为《欧瑞传动EC2000-0150T3变频器使用说明书》,主要介绍该产品的使用方法以及常见故障解决方案。
(共篇)
上一篇:
|
下一篇:
声明:
本网站引用、摘录或转载内容仅供网站访问者交流或参考,不代表本站立场,如存在版权或非法内容,请联系站长删除,联系邮箱:site.kefu@qq.com。
相关推荐
《原神》璃月无名的宝藏收集-第2章攻略
阅读量:154
原神镀银怀表怎么获得
阅读量:76
《原神》海灯节钟离、魈、温迪位置攻略
阅读量:67
原神云堇和凝光角色突破材料-琉璃百合采集路线
阅读量:175
雪山传送点怎么解锁
阅读量:21
猜你喜欢
hole是什么意思
干咳是什么意思
962464什么意思
什么是行政复议
will什么意思
四个水念什么
喝绿茶有什么好处
银行授信是什么意思
汇兑是什么意思
especially是什么意思
猜你喜欢
狗血是什么意思
车船税是什么
尿毒症是什么引起的
司法局是干什么的
梦到杀人是什么意思
多人运动是什么
莫代尔是什么面料
bs是什么意思
9月30日是什么纪念日
message是什么意思