小度生活
首页
美食营养
手工爱好
生活家居
返回
小度生活
首页
美食营养
游戏数码
手工爱好
生活家居
健康养生
运动户外
职场理财
情感交际
母婴教育
时尚美容
知识问答
生活知识
生活百科
搜索
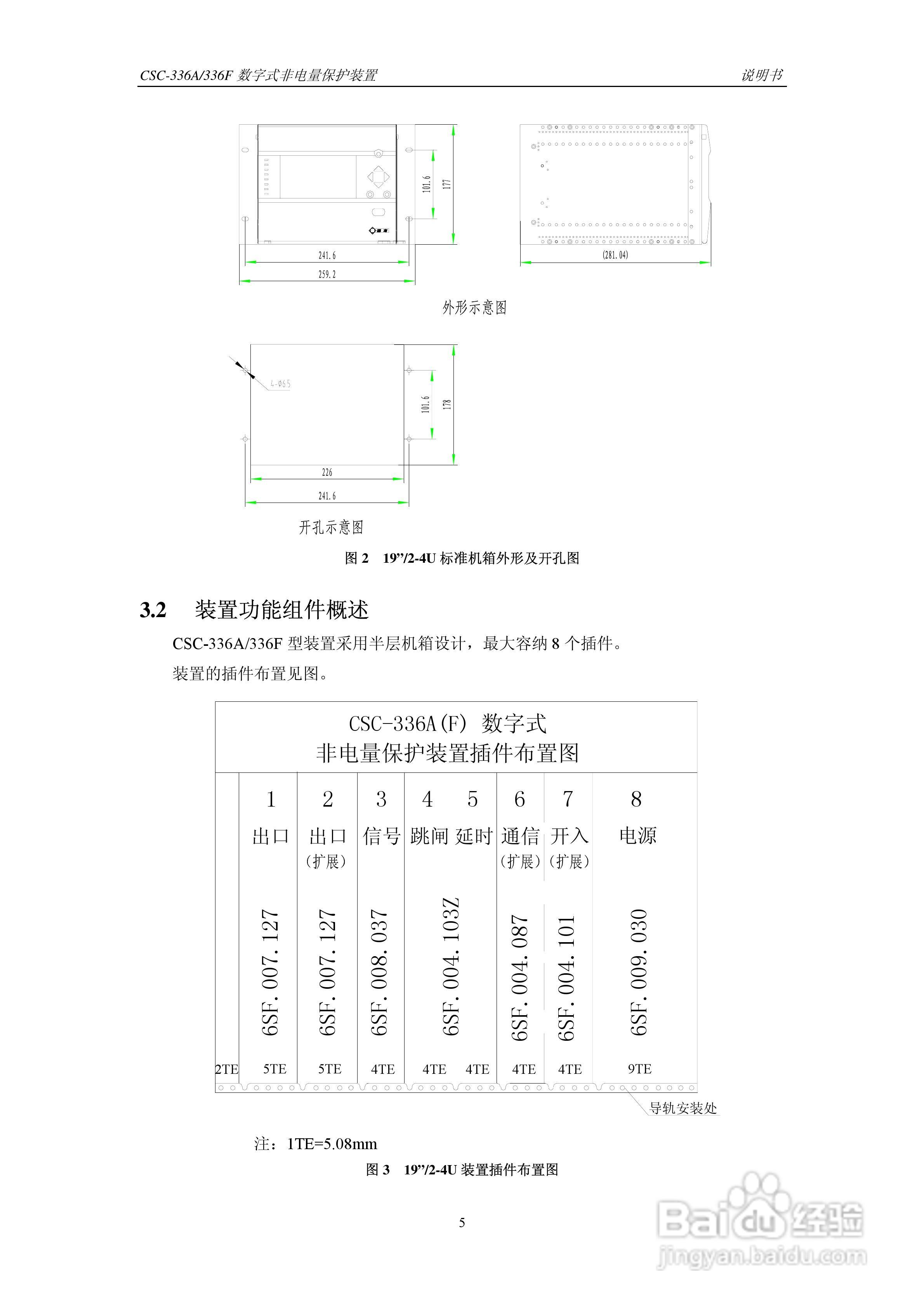
CSC-336A(F)数字式非电量保护装置说明书:[2]
2026-04-10 01:32:56
本篇为《CSC-336A(F)数字式非电量保护装置说明书》,主要介绍该产品的使用方法以及常见故障解决方案。
(共篇)
上一篇:
|
下一篇:
声明:
本网站引用、摘录或转载内容仅供网站访问者交流或参考,不代表本站立场,如存在版权或非法内容,请联系站长删除,联系邮箱:site.kefu@qq.com。
相关推荐
CSC-336A(F)数字式非电量保护装置说明书:[3]
阅读量:65
四方CSC-336B1数字式非电量保护装置说明书:[2]
阅读量:137
四方CSC-336B1数字式非电量保护装置说明书:[1]
阅读量:87
四方CSC-150数字式母线保护装置说明书:[2]
阅读量:100
四方CSC-163T数字式线路保护装置说明书:[2]
阅读量:131
猜你喜欢
短发怎么打理
千叶豆腐的家常做法
干海参泡发的正确方法
手机电池修复方法
腊鱼怎么做好吃
山药怎么炒好吃
勃起不持久锻炼方法
家常菜视频
阿启网免费算命大全
高考图片大全励志图片
猜你喜欢
去角质的正确方法
工程监理证怎么考
手机开不了机是怎么回事
鸡翅根怎么做好吃
包扎方法
我的世界摩天轮怎么做
生意不好怎么办
尘螨过敏怎么办
广式腊肉的腌制方法
谜语大全及答案