小度生活
首页
美食营养
手工爱好
生活家居
返回
小度生活
首页
美食营养
游戏数码
手工爱好
生活家居
健康养生
运动户外
职场理财
情感交际
母婴教育
时尚美容
知识问答
搜索
PST-1210C数字式变压器保护装置说明书:[4]
2025-11-21 06:01:59
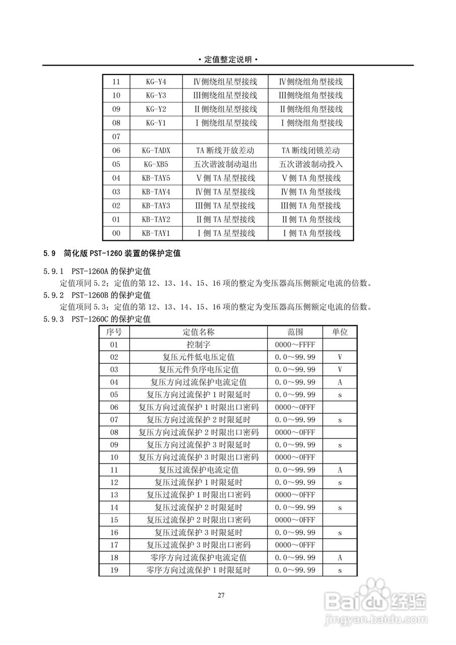
本篇为《PST-1210C数字式变压器保护装置说明书》,主要介绍该产品的使用方法以及常见故障解决方案。
(共篇)
上一篇:
|
下一篇:
声明:
本网站引用、摘录或转载内容仅供网站访问者交流或参考,不代表本站立场,如存在版权或非法内容,请联系站长删除,联系邮箱:site.kefu@qq.com。
相关推荐
PST-1210C数字式变压器保护装置说明书:[11]
阅读量:20
PST1200变压器保护装置说明书:[4]
阅读量:130
PST1200变压器保护装置说明书:[2]
阅读量:155
PST1200变压器保护装置说明书:[5]
阅读量:24
怎么重建outlook的pst文件
阅读量:124
猜你喜欢
空鼻症是什么症状
md是什么意思
73年属什么生肖
黑匣子什么颜色
宕机是什么意思
eyes是什么意思
痛苦的近义词是什么
硬邦邦的什么
转瞬即逝是什么意思
女朋友过生日送什么礼物好
猜你喜欢
拉拉是什么意思
玩网是什么意思
梦到死人是什么意思
喝苏打水有什么好处
知足常乐什么意思
打油诗是什么意思
眷顾是什么意思
喝醋有什么好处
穷且益坚不坠青云之志什么意思
automatic是什么意思