小度生活
首页
美食营养
手工爱好
生活家居
返回
小度生活
首页
美食营养
游戏数码
手工爱好
生活家居
健康养生
运动户外
职场理财
情感交际
母婴教育
时尚美容
知识问答
生活知识
生活百科
搜索
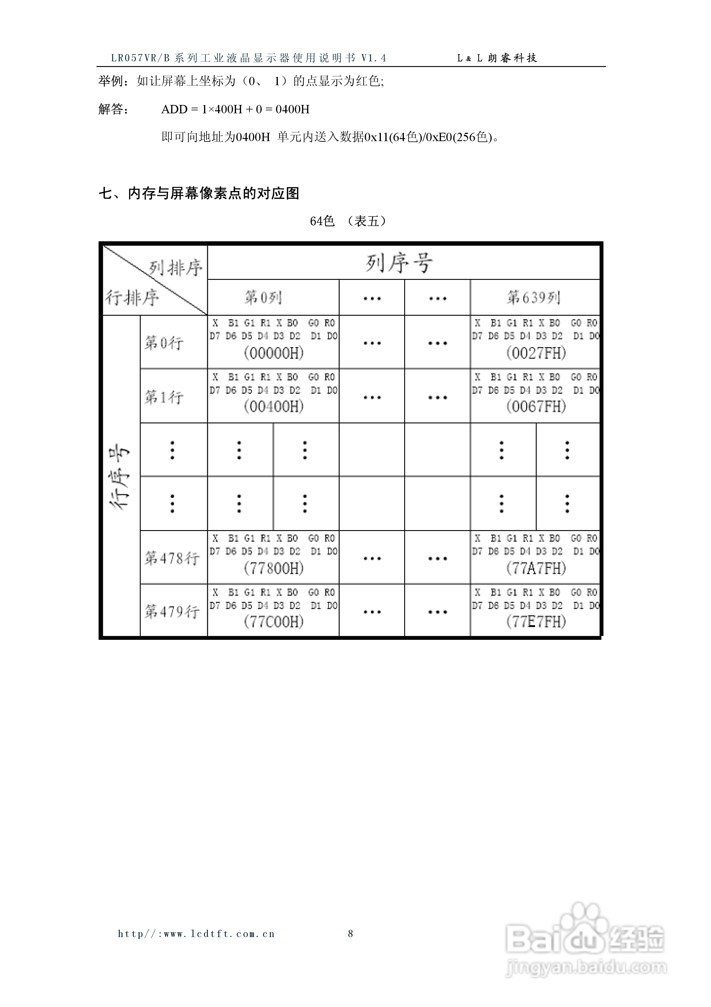
朗睿LR057VR/B系列彩色液晶显示器使用说明书:[1]
2026-04-23 18:37:27
/>
(共篇)
下一篇:
声明:
本网站引用、摘录或转载内容仅供网站访问者交流或参考,不代表本站立场,如存在版权或非法内容,请联系站长删除,联系邮箱:site.kefu@qq.com。
相关推荐
朗睿LR057VR/B系列彩色液晶显示器使用说明书:[3]
阅读量:132
朗睿LR064VR/B系列彩色液晶显示器使用说明书:[1]
阅读量:177
朗睿LR080VR/D系列彩色液晶显示器使用说明书:[1]
阅读量:79
朗睿LR064VR/B系列彩色液晶显示器使用说明书:[2]
阅读量:177
朗睿LR080VR/D系列彩色液晶显示器使用说明书:[3]
阅读量:116
猜你喜欢
什么是spa
小孩不吃饭是什么原因
.et是什么文件
q345r是什么材质
耐心的反义词是什么
否极泰来什么意思
中秋送什么
方兴未艾什么意思
不羁是什么意思
平治道涂是什么意思
猜你喜欢
handsome是什么意思
风没有方向的吹来是什么歌
公关是做什么的
timber什么意思
头发长得慢是什么原因
一将功成万骨枯什么意思
女字加一点是什么字
6月14日是什么星座
chips是什么意思
ing什么意思