电气识图技巧
1、电气图的基本构成。

2、图形用线规定。

3、电气图的组成。

4、电气符号。

5、项目代号的应用。

6、回路标号。

7、单根导线的表示。

8、多根导线的表示。

9、导线的表示与说明。

10、特定标记。

11、电气设备端子特定标记。

12、元件的基本表示法。

13、电气图分类。

14、表示功能性电气图。

15、布置图。

16、表示接线电气图。

17、设备互连接线图。

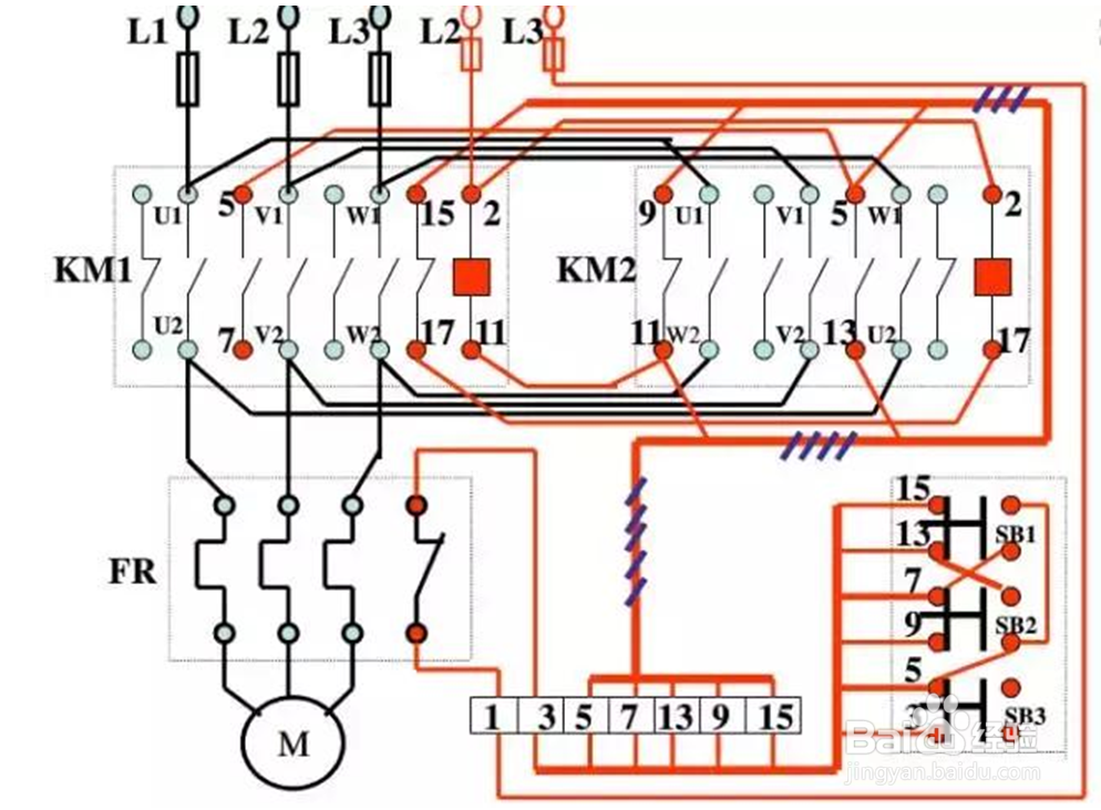
18、如图所示。

19、自耦变压器降压启动。

20、设备配置表。

21、如图所示。

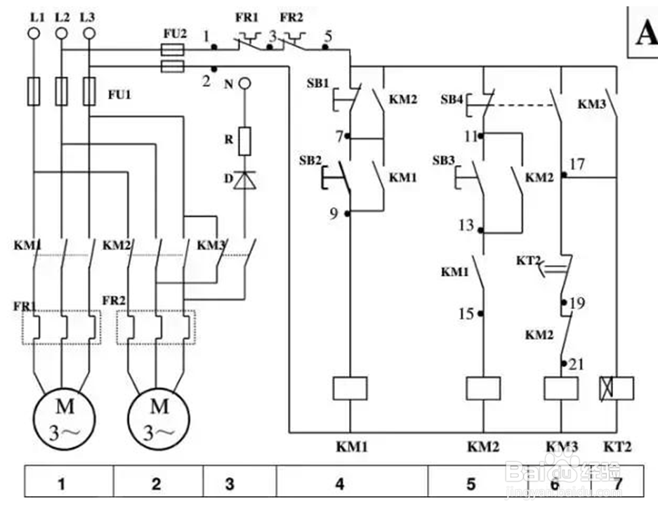
22、电机启动与运转控制图。

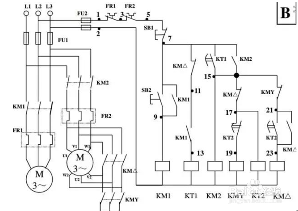
23、电机停止与制动控制图。

24、如图所示。

25、车床电气控制线路。

声明:本网站引用、摘录或转载内容仅供网站访问者交流或参考,不代表本站立场,如存在版权或非法内容,请联系站长删除,联系邮箱:site.kefu@qq.com。
阅读量:33
阅读量:187
阅读量:113
阅读量:127
阅读量:110