小度生活
首页
美食营养
手工爱好
生活家居
返回
小度生活
首页
美食营养
游戏数码
手工爱好
生活家居
健康养生
运动户外
职场理财
情感交际
母婴教育
时尚美容
知识问答
生活知识
生活百科
搜索
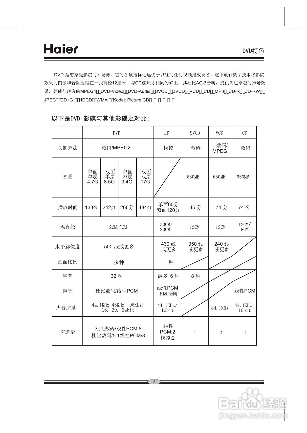
海尔H650 DVD播放机说明书:[1]
2026-04-11 08:06:41
(共篇)
下一篇:
声明:
本网站引用、摘录或转载内容仅供网站访问者交流或参考,不代表本站立场,如存在版权或非法内容,请联系站长删除,联系邮箱:site.kefu@qq.com。
相关推荐
海尔H650 DVD播放机说明书:[2]
阅读量:120
海尔H981 DVD播放机说明书:[1]
阅读量:149
海尔H680A DVD播放机说明书:[1]
阅读量:183
海尔H981 DVD播放机说明书:[2]
阅读量:147
海尔H680A DVD播放机说明书:[2]
阅读量:152
猜你喜欢
六书指的是什么
什么是便秘
麻木是什么意思
4月22日是什么星座
粳米是什么米
发动机制动是什么意思
hid是什么意思
负荷是什么意思
税负是什么意思
胎神四川话是什么意思
猜你喜欢
紫色配什么颜色好看
4月19日是什么星座
脑死亡是什么意思
12月20日是什么星座
众筹是什么意思
pcm是什么意思
女为悦己者容什么意思
头出汗多是什么原因
hat是什么意思
依波路手表什么档次