小度生活
首页
美食营养
手工爱好
生活家居
返回
小度生活
首页
美食营养
游戏数码
手工爱好
生活家居
健康养生
运动户外
职场理财
情感交际
母婴教育
时尚美容
知识问答
生活知识
生活百科
搜索
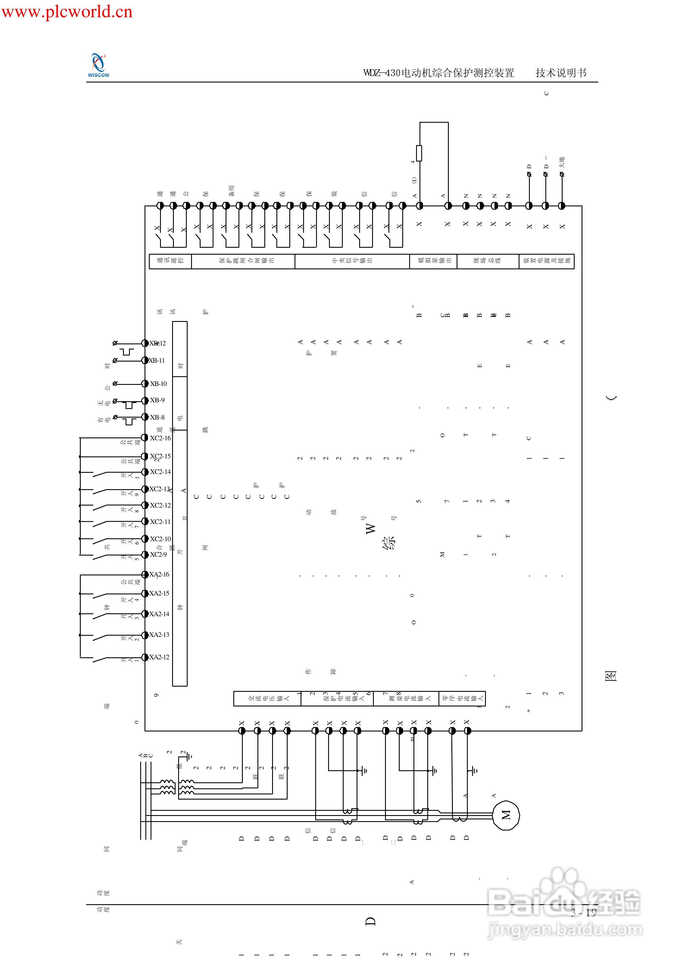
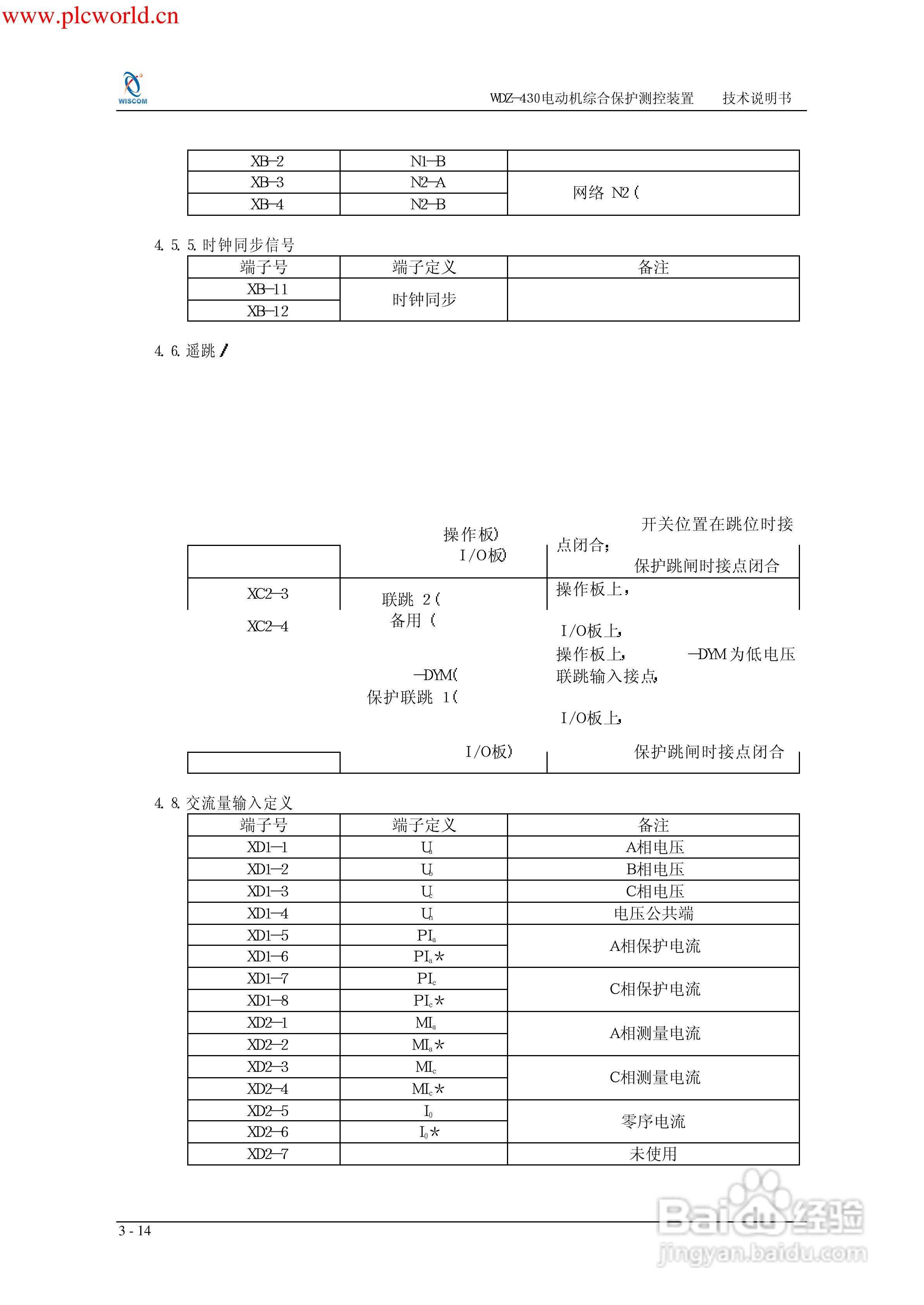
WDZ-491电压互感器保护测控装置说明书:[6]
2026-05-25 09:25:37
本篇为《WDZ-491电压互感器保护测控装置说明书》,主要介绍该产品的使用方法以及常见故障解决方案。
(共篇)
上一篇:
|
下一篇:
声明:
本网站引用、摘录或转载内容仅供网站访问者交流或参考,不代表本站立场,如存在版权或非法内容,请联系站长删除,联系邮箱:site.kefu@qq.com。
相关推荐
外教一对一辅导外语
阅读量:46
jq如何获取上传图片的64
阅读量:130
冬季燃油热风机适用在哪些地方。
阅读量:92
升技NF7系列主板使用手册说明书:[8]
阅读量:139
松下NR-C476HV电冰箱使用说明书
阅读量:176
猜你喜欢
无线路由器怎么设置密码
如何安装路由器
如何删除word空白页
如何制作流程图
男人怎么办
旅游百事通官网
小米路由器怎么样
三国志13怎么赚钱
笔记本散热不好怎么办
衣服缩水怎么恢复
猜你喜欢
阿喀琉斯之踵怎么读
app id怎么注册
白果怎么吃不会中毒
计划生育证明在哪里开
菠萝是怎么长的
平板电脑怎么样
沙滩旅游
旅游去哪里好玩
黑蚂蚁怎么吃
微信代理怎么做