小度生活
首页
美食营养
手工爱好
生活家居
返回
小度生活
首页
美食营养
游戏数码
手工爱好
生活家居
健康养生
运动户外
职场理财
情感交际
母婴教育
时尚美容
知识问答
生活知识
生活百科
搜索
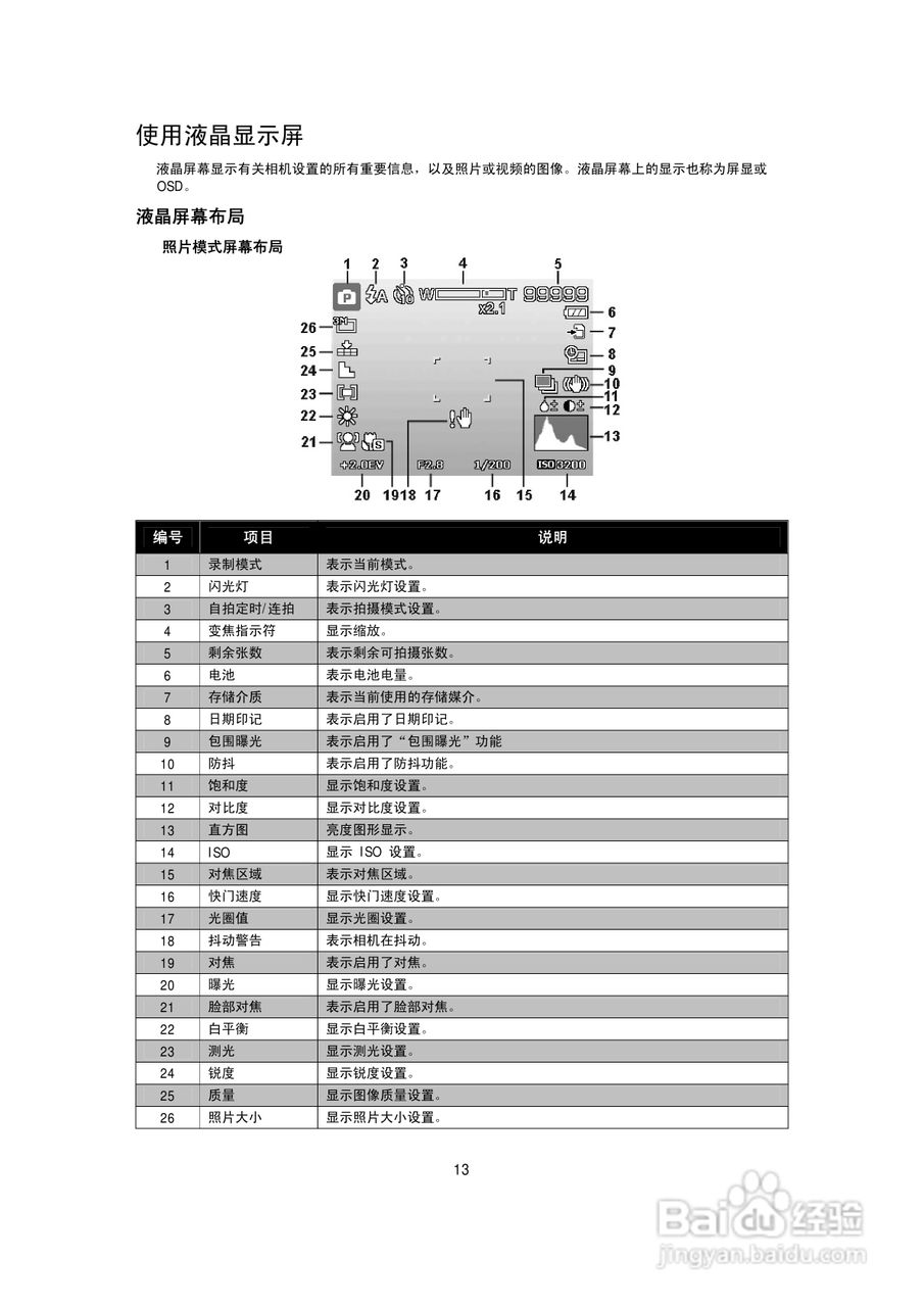
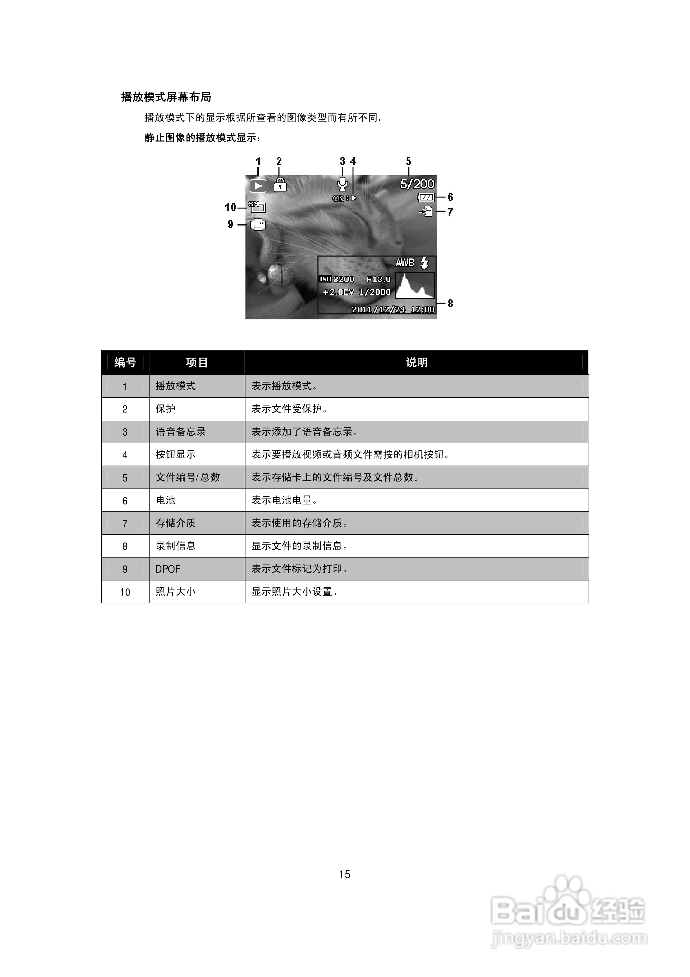
海尔DC-A50数码相机使用说明书:[2]
2026-03-25 03:16:50
本篇为《海尔DC-A50数码相机使用说明书》,主要介绍该产品的使用方法以及常见故障解决方案。
(共篇)
上一篇:
|
下一篇:
声明:
本网站引用、摘录或转载内容仅供网站访问者交流或参考,不代表本站立场,如存在版权或非法内容,请联系站长删除,联系邮箱:site.kefu@qq.com。
相关推荐
海尔DC-A50数码相机使用说明书:[5]
阅读量:90
海尔DC-A50数码相机使用说明书:[4]
阅读量:77
海尔DC-X100数码相机使用说明书:[2]
阅读量:183
海尔DC-X120数码相机使用说明书:[2]
阅读量:83
海尔电热水器使用方法
阅读量:35
猜你喜欢
9527是什么意思
胜天半子是什么意思
学习机什么牌子好
11月6日是什么星座
xd是什么意思
什么是漫画
生命是什么
贪嗔痴慢疑是什么意思
抹胸是什么
伏特加兑什么好喝
猜你喜欢
梦见去世的亲人是什么意思
什么是信仰
彪是什么动物
梦到蛇预示着什么
show是什么意思
bf是什么意思
什么是双重否定句
to什么意思
感染hpv有什么症状
vba是什么