小度生活
首页
美食营养
手工爱好
生活家居
返回
小度生活
首页
美食营养
游戏数码
手工爱好
生活家居
健康养生
运动户外
职场理财
情感交际
母婴教育
时尚美容
知识问答
生活知识
生活百科
搜索
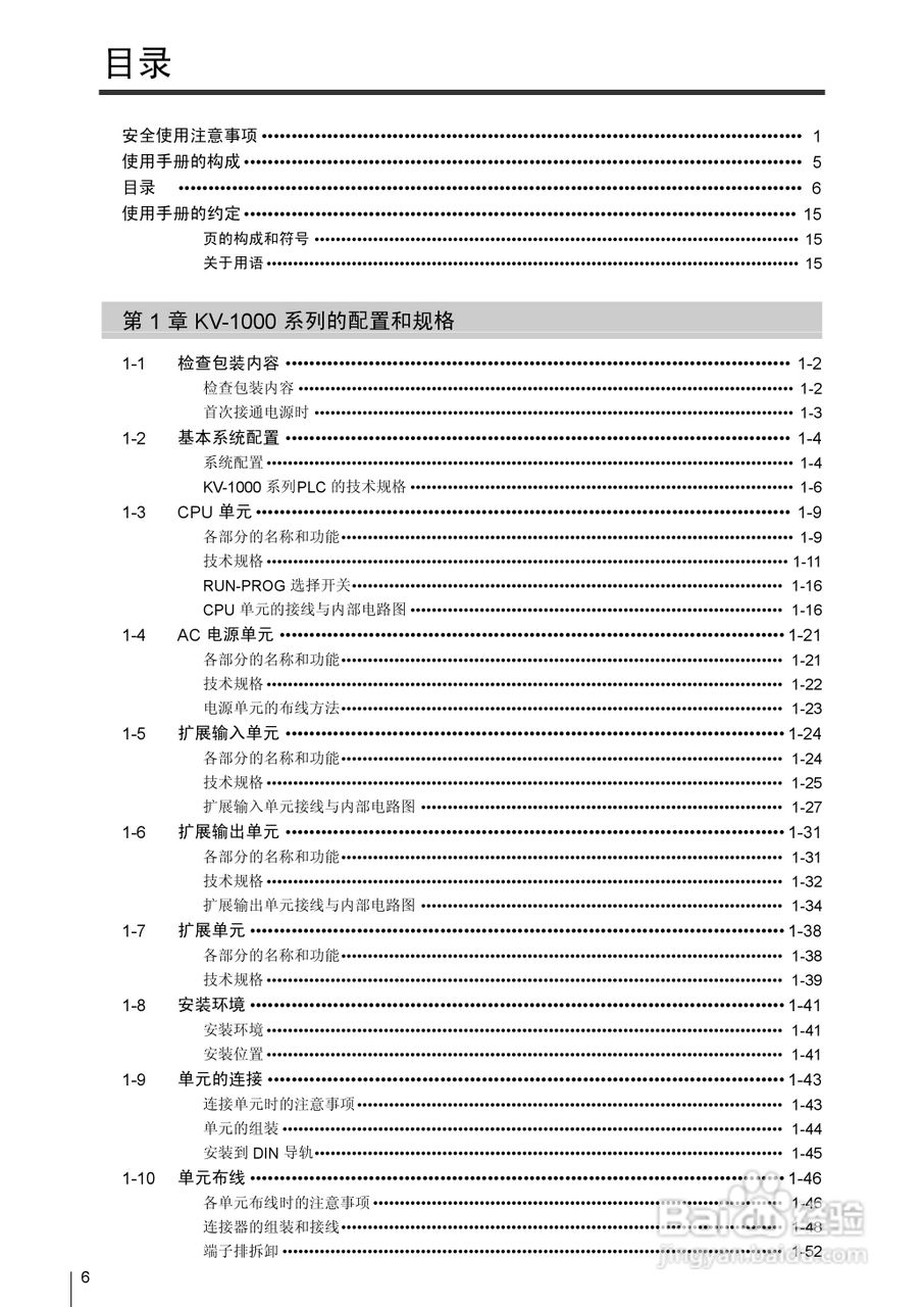
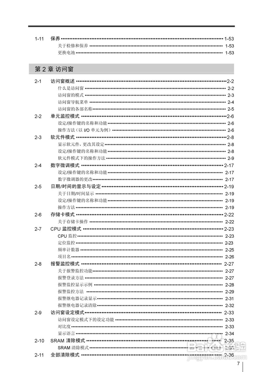
基恩士KV-1000系列高速多功能应用电力网络路由器说明:[1]
2026-05-02 12:09:53
本篇为《基恩士KV-1000系列高速多功能应用电力网络路由器说明》,主要介绍该产品的使用方法以及常见故障解决方案。
(共篇)
下一篇:
声明:
本网站引用、摘录或转载内容仅供网站访问者交流或参考,不代表本站立场,如存在版权或非法内容,请联系站长删除,联系邮箱:site.kefu@qq.com。
相关推荐
效果最好的感冒药是什么?
阅读量:52
蜀山战神手游怎么兑换礼包
阅读量:32
郑州云南旅游攻略
阅读量:29
怎么样才能成为一个好爸爸
阅读量:185
成功必备的六大态度
阅读量:121
猜你喜欢
不动产是什么
climate是什么意思
巴西木的养殖方法和注意事项
博士后是什么
乖张是什么意思
宵禁是什么意思
陶粒是什么
兔死狐悲是什么意思
外强中干是什么意思
萝卜泡菜的腌制方法
猜你喜欢
市场策划是做什么的
胡子长得快是什么原因
阿姨洗铁路什么意思
双引号是什么意思
三个马念什么字
与时俱进是什么意思
痘印是什么
5s是什么意思
椒图带什么御魂
fear是什么意思