小度生活
首页
美食营养
手工爱好
生活家居
返回
小度生活
首页
美食营养
游戏数码
手工爱好
生活家居
健康养生
运动户外
职场理财
情感交际
母婴教育
时尚美容
知识问答
生活知识
生活百科
搜索
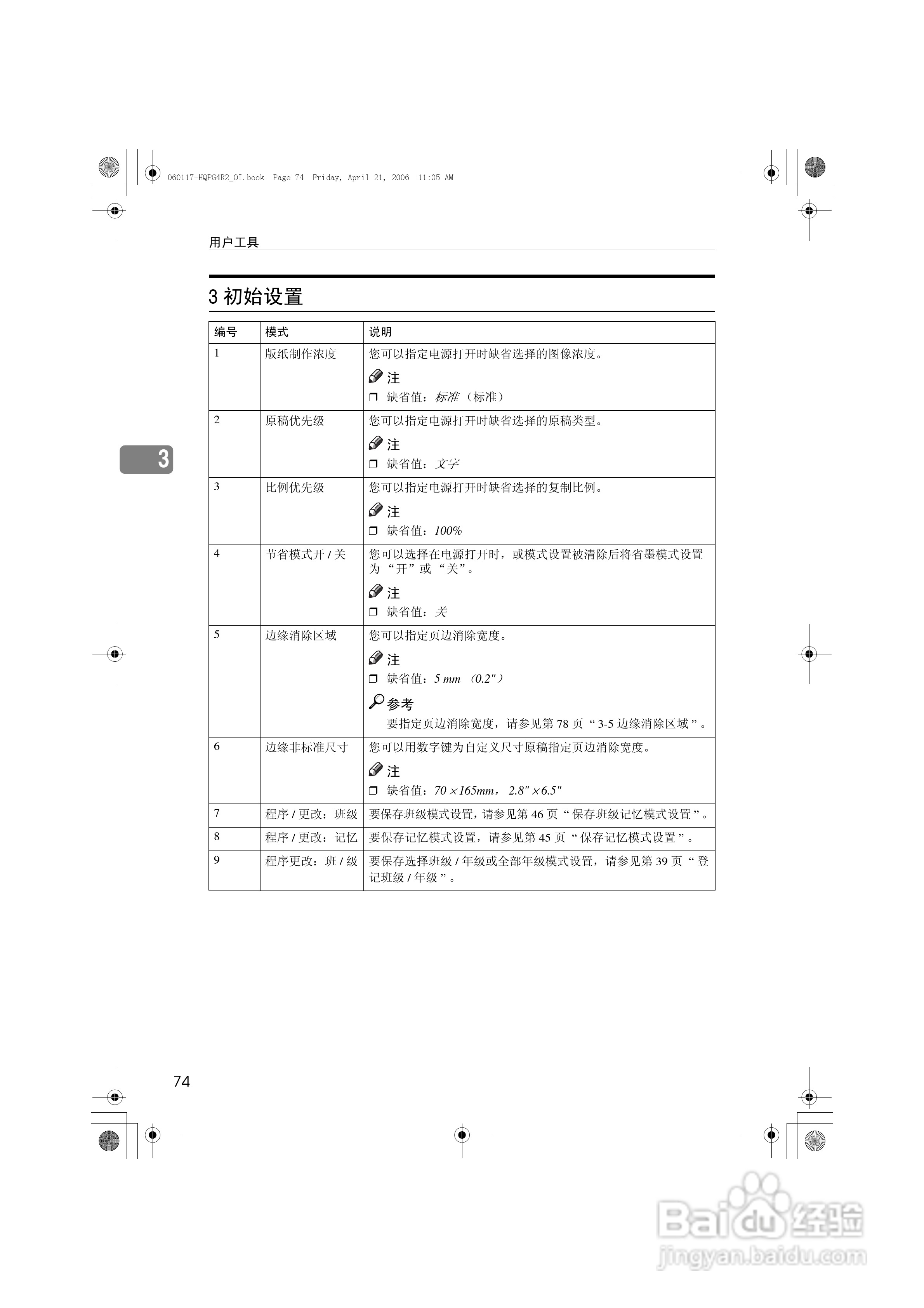
基士得耶CP6450P一体机使用说明书:[9]
2026-04-13 21:37:38
本篇为《基士得耶CP6450P一体机使用说明书》,主要介绍该产品的使用方法以及常见故障解决方案。
(共篇)
上一篇:
|
下一篇:
声明:
本网站引用、摘录或转载内容仅供网站访问者交流或参考,不代表本站立场,如存在版权或非法内容,请联系站长删除,联系邮箱:site.kefu@qq.com。
相关推荐
基士得耶CP6450P一体机使用说明书:[16]
阅读量:195
基士得耶CP6401P一体机使用说明书:[9]
阅读量:110
基士得耶CP6450C一体机使用说明书:[9]
阅读量:142
基士得耶CP6450C一体机使用说明书:[13]
阅读量:92
基士得耶CP6450C一体机使用说明书:[11]
阅读量:132
猜你喜欢
霉菌性阴炎是什么原因引起的
什么是金砖国家
woc是什么意思
10018是什么电话
集分宝是什么
题记是什么
学历填什么
bonjour是什么软件
什么是七情六欲
原始股是什么意思
猜你喜欢
蒙古国什么时候从中国分出去的
梦见理发是什么意思
玛奇朵是什么
amigo是什么意思
下降头是什么意思
毒唯是什么意思
司长是什么级别的官
computer是什么意思
性激素六项主要是查什么
印度人是什么人种