小度生活
首页
美食营养
手工爱好
生活家居
返回
小度生活
首页
美食营养
游戏数码
手工爱好
生活家居
健康养生
运动户外
职场理财
情感交际
母婴教育
时尚美容
知识问答
生活知识
生活百科
搜索
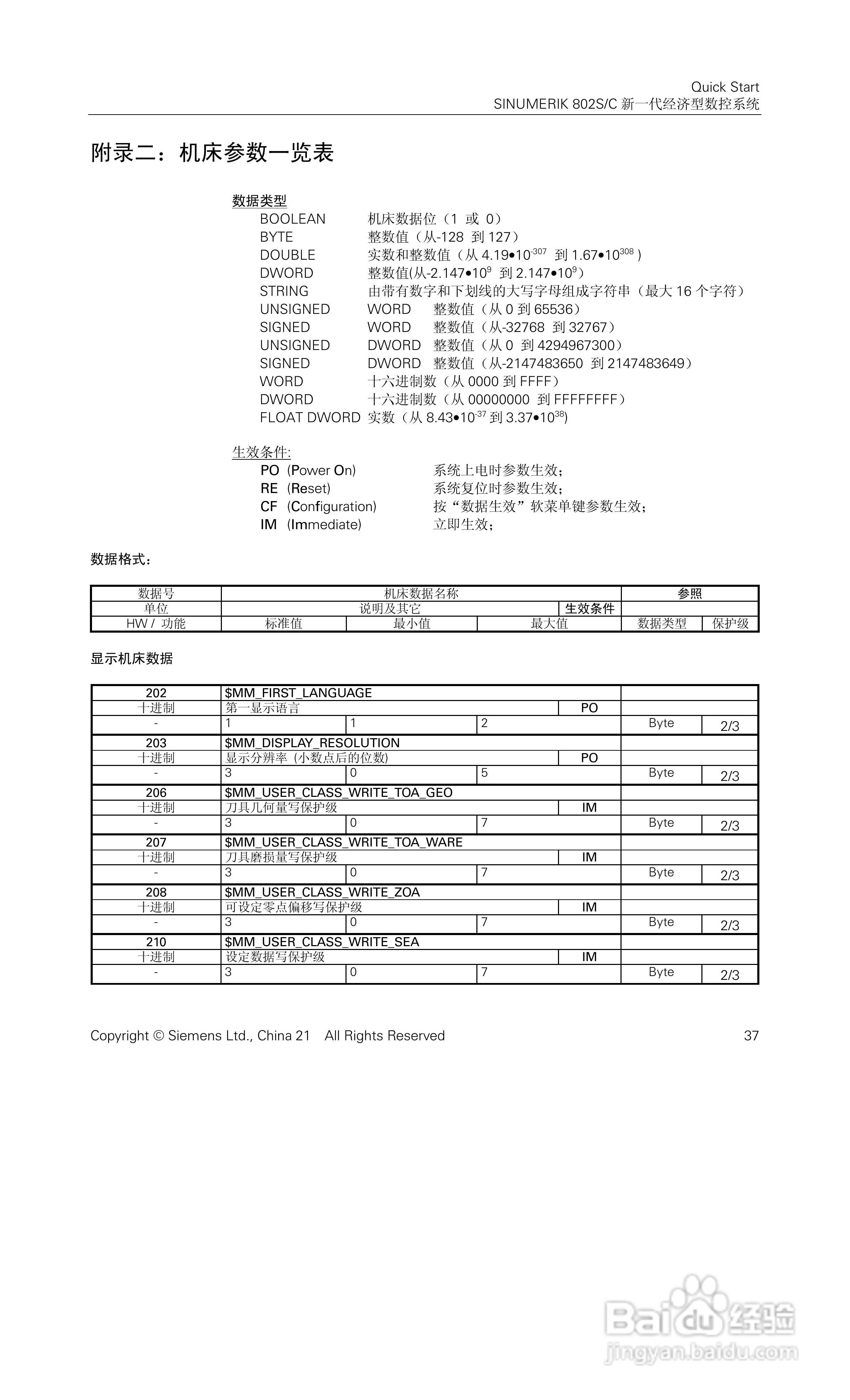
STEPDRIVE C步进电机驱动器说明手册:[5]
2026-04-02 06:32:30
本篇为《STEPDRIVE C步进电机驱动器说明手册》,主要介绍该产品的使用方法以及常见故障解决方案。
(共篇)
上一篇:
|
下一篇:
声明:
本网站引用、摘录或转载内容仅供网站访问者交流或参考,不代表本站立场,如存在版权或非法内容,请联系站长删除,联系邮箱:site.kefu@qq.com。
相关推荐
STEPDRIVE C步进电机驱动器说明手册:[8]
阅读量:55
步进电机配步进驱动器,步进驱动器如何选型
阅读量:91
步进电机和伺服电机的接线示意图
阅读量:144
步进电机驱动器与伺服电机驱动器的区别学习
阅读量:179
步进电机接线
阅读量:20
猜你喜欢
有什么好听的dj
茕茕孑立的意思
host是什么意思
搜集的意思
显卡在主机什么位置
什么动物天天熬夜?
你造吗什么意思
什么是蚁族
北京的春节有什么习俗
谈笑风生是什么意思
猜你喜欢
竭力的意思
兰陵王妃什么时候上映
考公务员需要什么准备
踌躇不前的意思
adc是什么意思
胡子像什么比喻句
血气方刚是什么意思
什么手工最简单又漂亮
牛仔裤配什么鞋好看男
溺爱的意思