隆鑫LC1P61FA/LC1P65FA/LC1P68FA/LC1P70F/LC1P70FA垂:[2]

2025-10-24 02:53:52

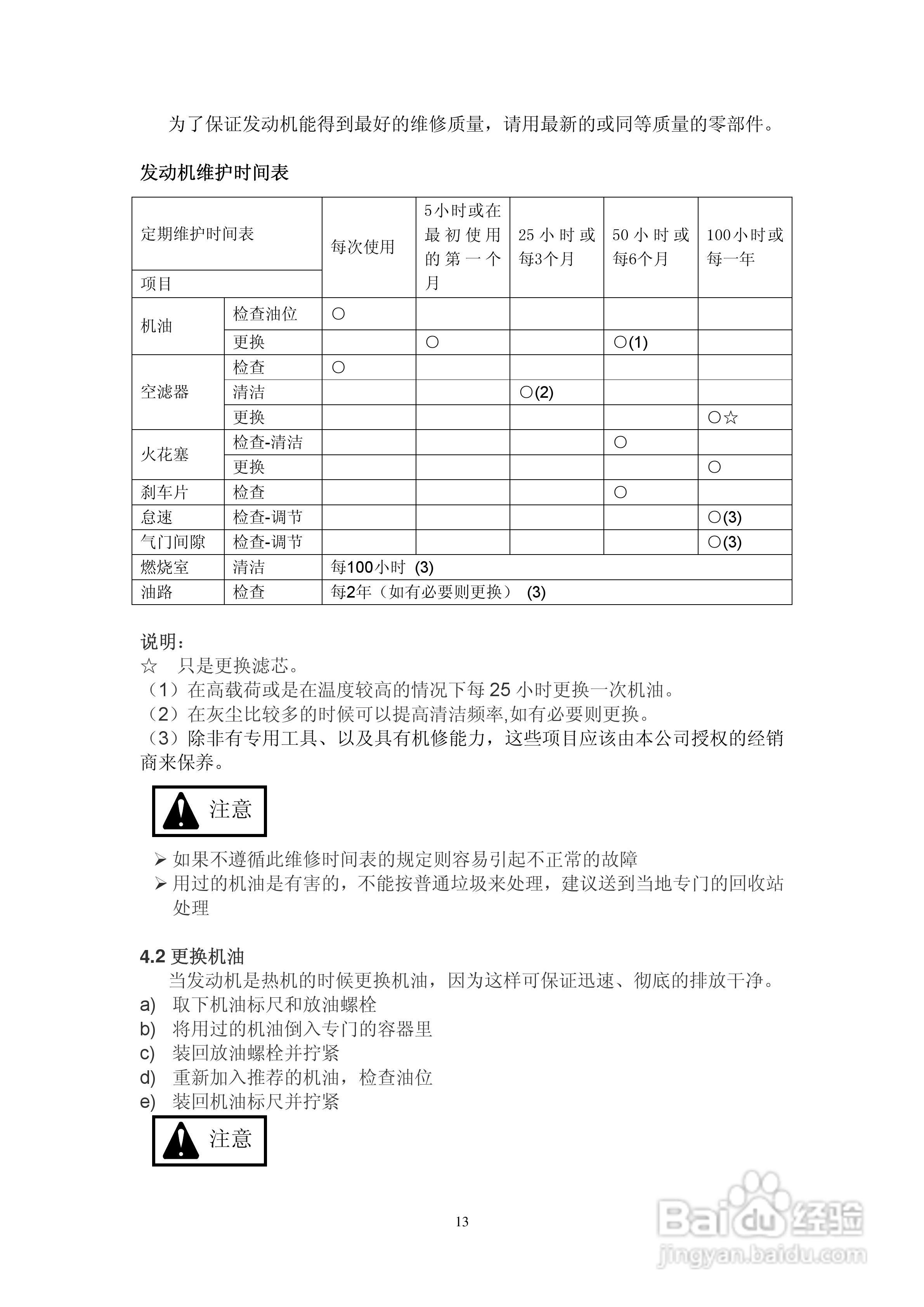
本篇为《隆鑫LC1P61FA/LC1P65FA/LC1P68FA/LC1P70F/LC1P70FA垂》,主要介绍该产品的使用方法以及常见故障解决方案。


隆鑫LC1P61FA/LC1P65FA/LC1P68FA/LC1P70F/LC1P70FA垂:[2]

隆鑫LC1P61FA/LC1P65FA/LC1P68FA/LC1P70F/LC1P70FA垂:[2]

隆鑫LC1P61FA/LC1P65FA/LC1P68FA/LC1P70F/LC1P70FA垂:[2]

隆鑫LC1P61FA/LC1P65FA/LC1P68FA/LC1P70F/LC1P70FA垂:[2]

隆鑫LC1P61FA/LC1P65FA/LC1P68FA/LC1P70F/LC1P70FA垂:[2]

隆鑫LC1P61FA/LC1P65FA/LC1P68FA/LC1P70F/LC1P70FA垂:[2]

隆鑫LC1P61FA/LC1P65FA/LC1P68FA/LC1P70F/LC1P70FA垂:[2]

隆鑫LC1P61FA/LC1P65FA/LC1P68FA/LC1P70F/LC1P70FA垂:[2]

隆鑫LC1P61FA/LC1P65FA/LC1P68FA/LC1P70F/LC1P70FA垂:[2]

隆鑫LC1P61FA/LC1P65FA/LC1P68FA/LC1P70F/LC1P70FA垂:[2]

(共篇)上一篇:
声明:本网站引用、摘录或转载内容仅供网站访问者交流或参考,不代表本站立场,如存在版权或非法内容,请联系站长删除,联系邮箱:site.kefu@qq.com。
猜你喜欢