小度生活
首页
美食营养
手工爱好
生活家居
返回
小度生活
首页
美食营养
游戏数码
手工爱好
生活家居
健康养生
运动户外
职场理财
情感交际
母婴教育
时尚美容
知识问答
生活知识
生活百科
搜索
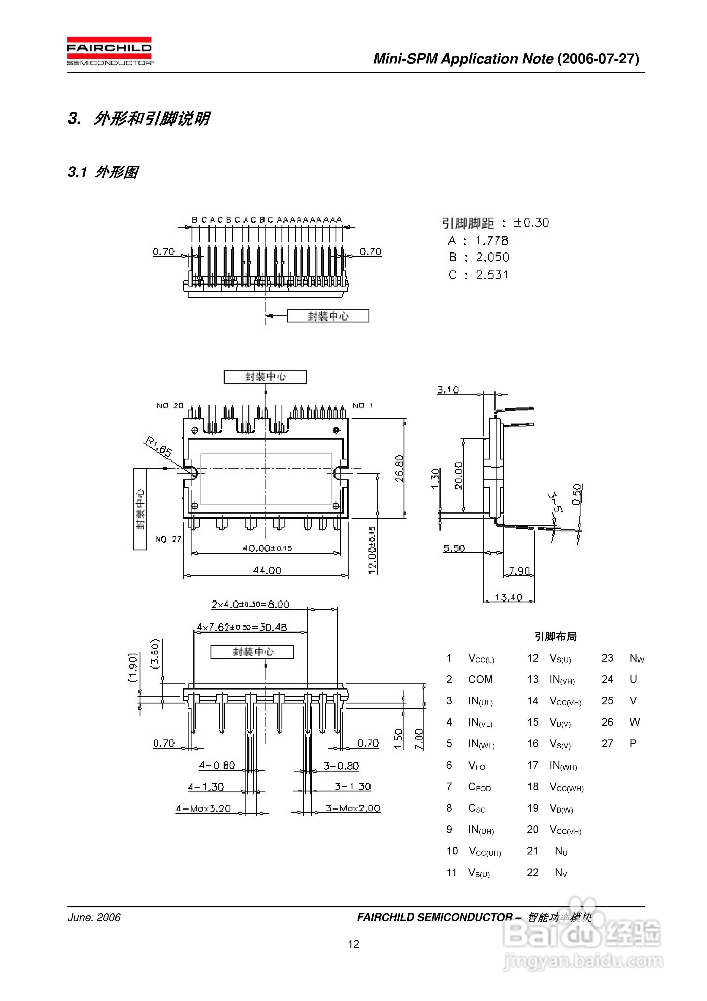
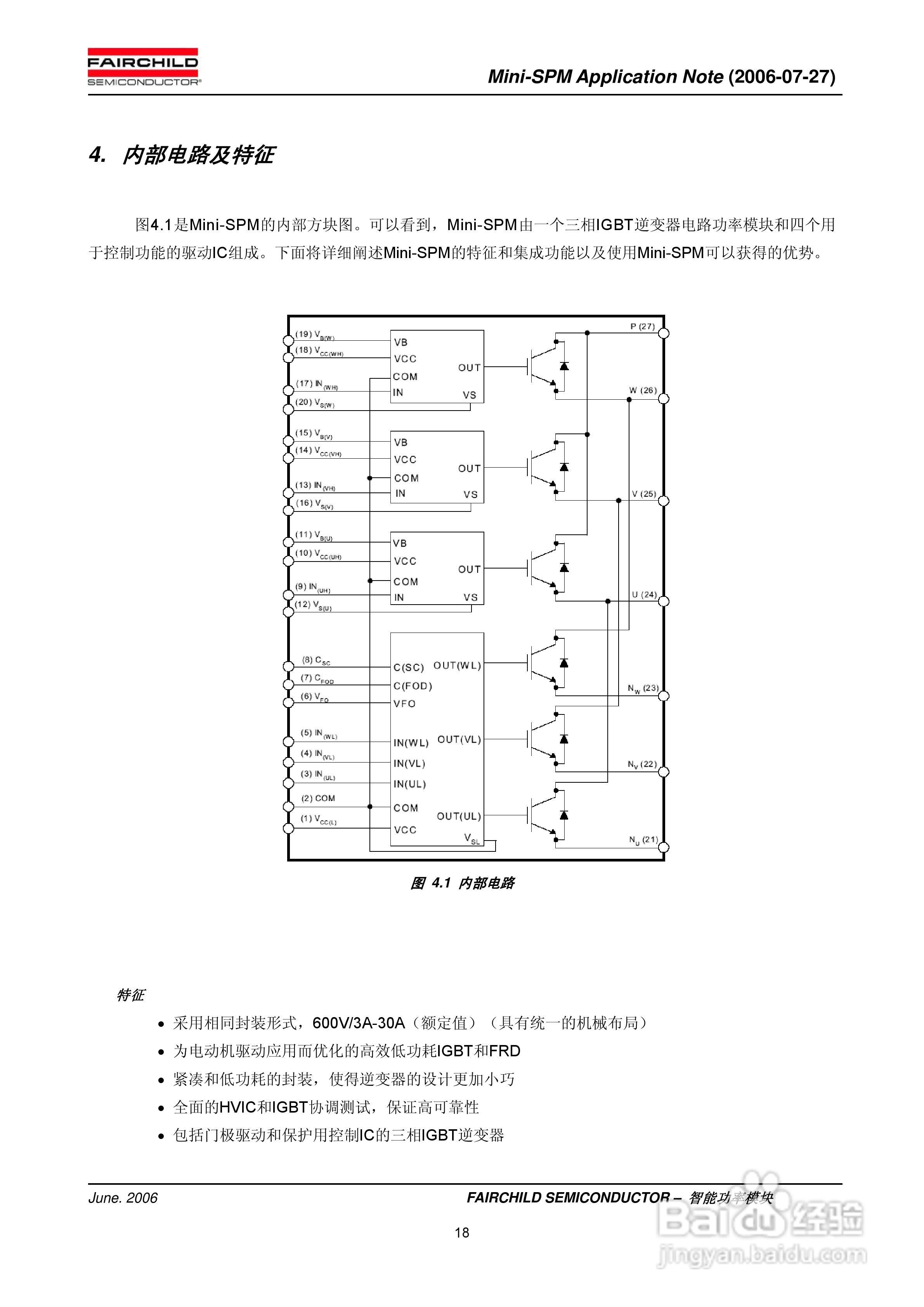
FAIRCHILD智能功率模块Mini-SPM使用说明书:[2]
2026-04-22 02:54:59
本篇为《FAIRCHILD智能功率模块Mini-SPM使用说明书》,主要介绍该产品的使用方法以及常见故障解决方案。
(共篇)
上一篇:
|
下一篇:
声明:
本网站引用、摘录或转载内容仅供网站访问者交流或参考,不代表本站立场,如存在版权或非法内容,请联系站长删除,联系邮箱:site.kefu@qq.com。
相关推荐
FAIRCHILD智能功率模块Mini-SPM使用说明书:[3]
阅读量:133
磐正EP-3SPM型主板说明书:[6]
阅读量:76
8ManageSPM-移动化管理企业的方法
阅读量:121
使用说明书wf2651使用指南
阅读量:145
使用说明书封面怎么做
阅读量:123
猜你喜欢
pin码是什么意思
produce是什么意思
工资卡属于什么卡
一刻千金的意思
蓟县有什么好玩的地方
嘉是什么意思
ppp是什么意思
geography是什么意思
什么是财务报表
sofa是什么意思
猜你喜欢
b2c是什么意思
开拓的意思
自强的意思
德国有什么特产
彼此彼此的意思
秋天喝什么粥好
人中长痣代表什么
ctrl是什么意思
祝福母亲
天猫魔盒有什么用