小度生活
首页
美食营养
手工爱好
生活家居
返回
小度生活
首页
美食营养
游戏数码
手工爱好
生活家居
健康养生
运动户外
职场理财
情感交际
母婴教育
时尚美容
知识问答
生活知识
生活百科
搜索
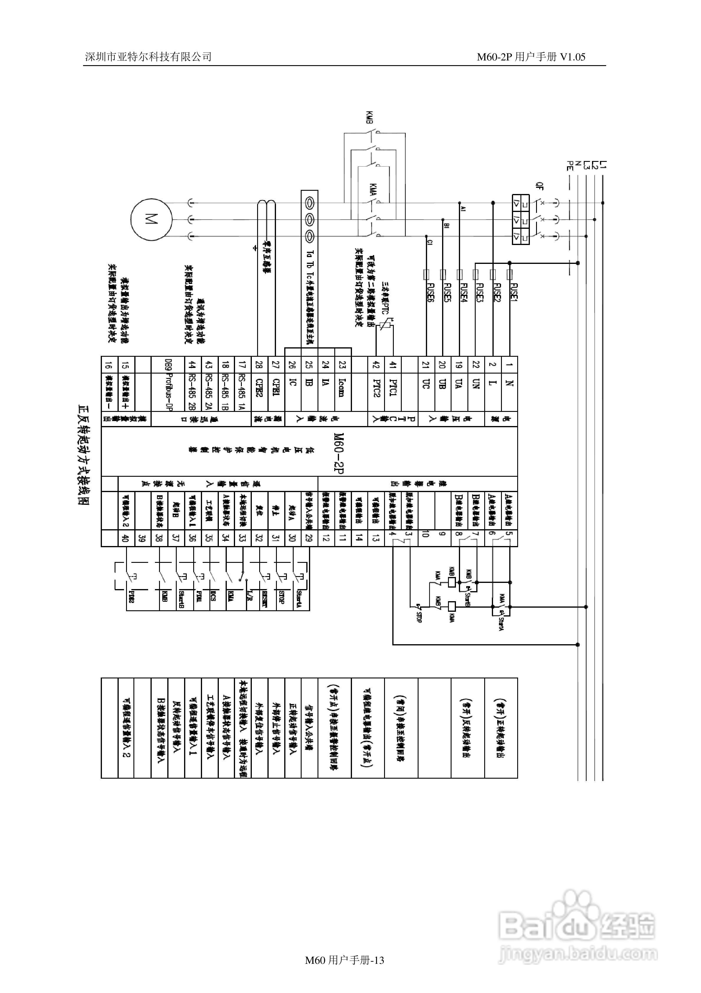
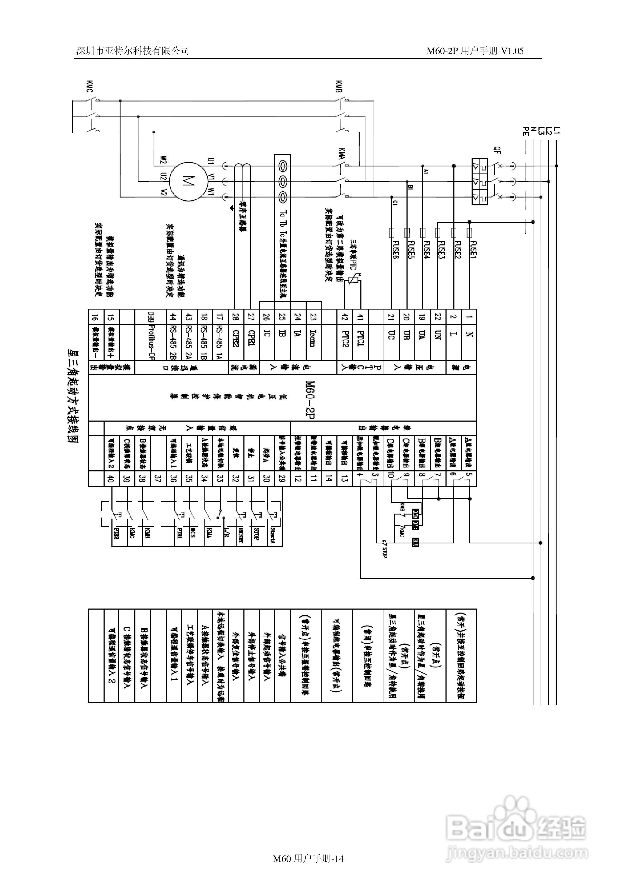
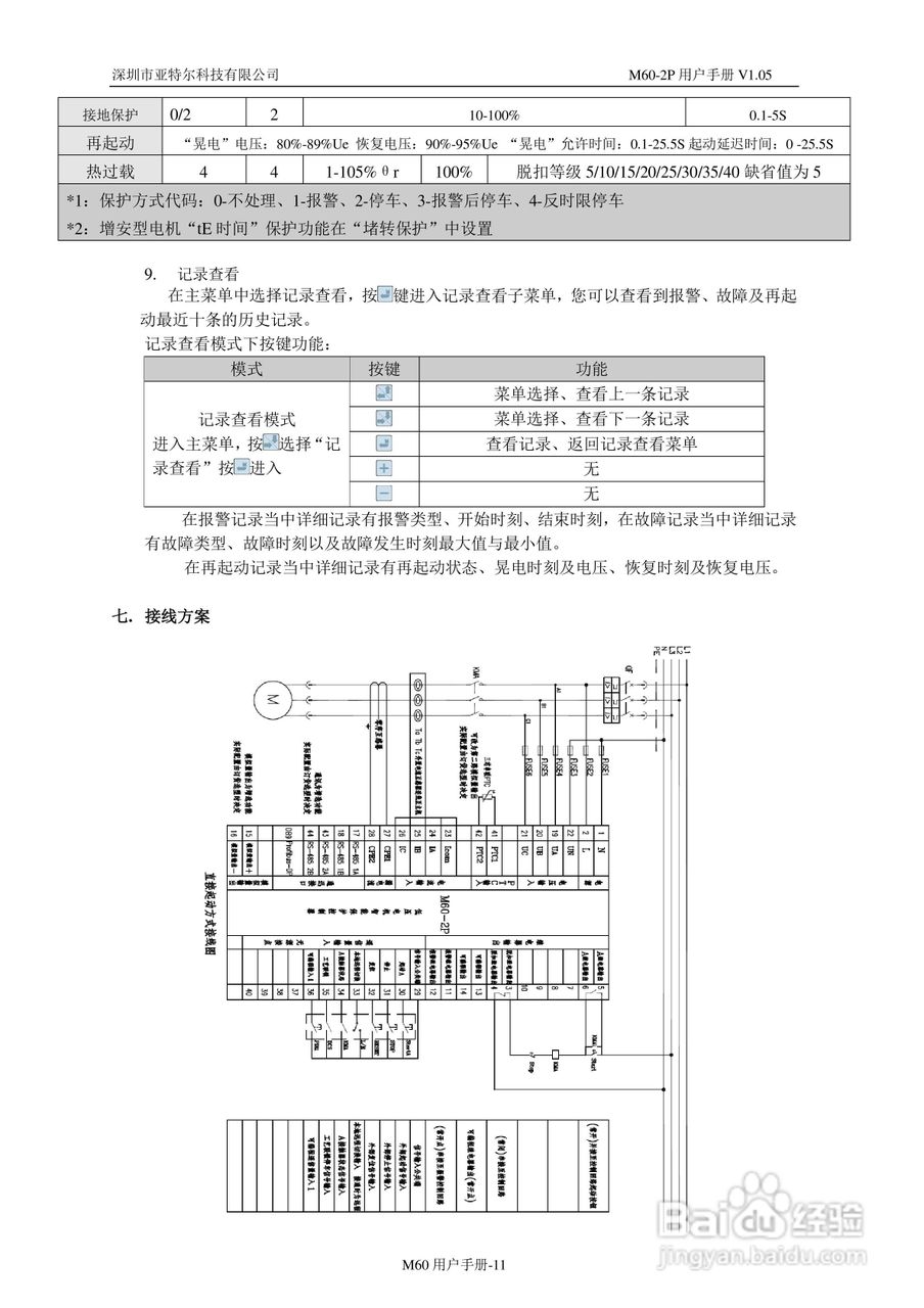
深圳亚特尔M60-2P电机保护器中文使用说明书:[2]
2026-03-30 10:38:59
本篇为《深圳亚特尔M60-2P电机保护器中文使用说明书》,主要介绍该产品的使用方法以及常见故障解决方案。
(共篇)
上一篇:
|
下一篇:
声明:
本网站引用、摘录或转载内容仅供网站访问者交流或参考,不代表本站立场,如存在版权或非法内容,请联系站长删除,联系邮箱:site.kefu@qq.com。
相关推荐
空芯拉钉拉力测试
阅读量:32
上海自仪九仪表智能LDCK型电磁流量计使用说明书:[3]
阅读量:33
928TEa TXT 零件程序在PC 机上的标准格式
阅读量:74
怎么做酥香里嫩的陈皮排骨
阅读量:121
粘结钕铁硼磁体生产流程有哪些?
阅读量:95
猜你喜欢
普洱茶属于什么茶
动态口令是什么
3ce是什么牌子
fd是什么意思
操是什么意思
打飞机什么意思
原子核由什么组成
光猫是什么
硬邦邦的什么
master是什么意思
猜你喜欢
lucy是什么意思
什么是生理盐水
什么时候是排卵期
monday是什么意思
丙肝是什么病
史加一笔是什么字
是但求其爱什么意思
全套是什么意思
激素六项都是查什么
什么的阳光