小度生活
首页
美食营养
手工爱好
生活家居
返回
小度生活
首页
美食营养
游戏数码
手工爱好
生活家居
健康养生
运动户外
职场理财
情感交际
母婴教育
时尚美容
知识问答
生活知识
生活百科
搜索
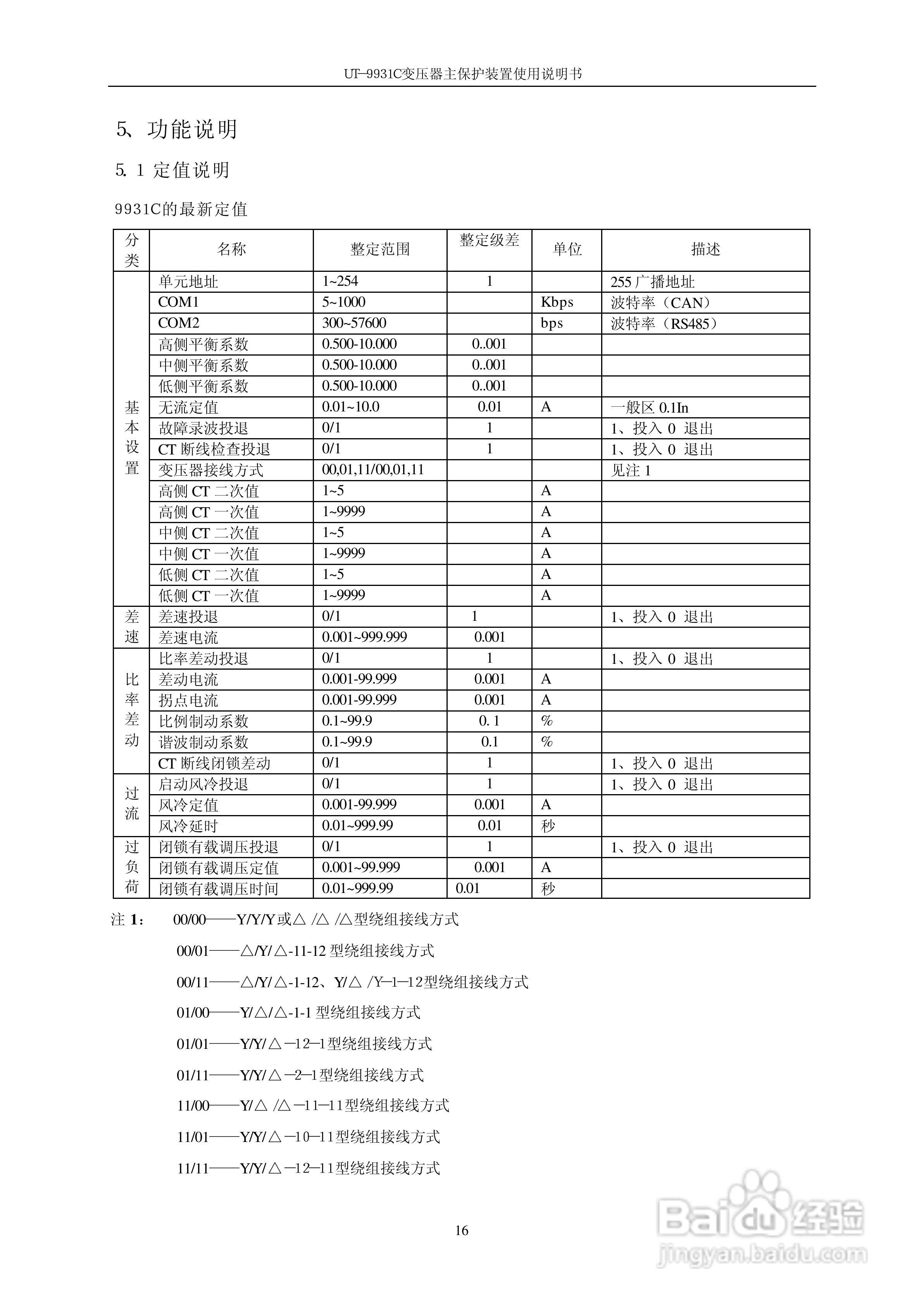
UT-9931C变压器主保护装置使用说明书:[2]
2026-03-28 21:09:56
本篇为《UT-9931C变压器主保护装置使用说明书》,主要介绍该产品的使用方法以及常见故障解决方案。
(共篇)
上一篇:
声明:
本网站引用、摘录或转载内容仅供网站访问者交流或参考,不代表本站立场,如存在版权或非法内容,请联系站长删除,联系邮箱:site.kefu@qq.com。
相关推荐
UT-9931A 变压器主保护/控制装置使用说明书:[2]
阅读量:96
UT-9931A 变压器主保护/控制装置使用说明书:[4]
阅读量:43
珠海优特UT-9931B变压器主保护装置使用说明书:[2]
阅读量:168
珠海优特UT-9931B变压器主保护装置使用说明书:[1]
阅读量:146
珠海优特UT-9931B变压器主保护装置使用说明书:[3]
阅读量:136
猜你喜欢
晚上咳嗽是什么原因
作文我学会了什么
什么是复韵母
角膜炎用什么眼药水
tag是什么意思
托福是什么
四级什么时候出成绩
安可是什么意思
gpa是什么意思
中二什么意思
猜你喜欢
低保是什么
什么才是真正的朋友
什么鱼最贵
新加坡有什么特产
521什么意思
冰晶是什么
我国最早的中医学专著是什么
什么是辐射
热水器漏水是什么原因
手提电脑什么牌子好