小度生活
首页
美食营养
手工爱好
生活家居
返回
小度生活
首页
美食营养
游戏数码
手工爱好
生活家居
健康养生
运动户外
职场理财
情感交际
母婴教育
时尚美容
搜索
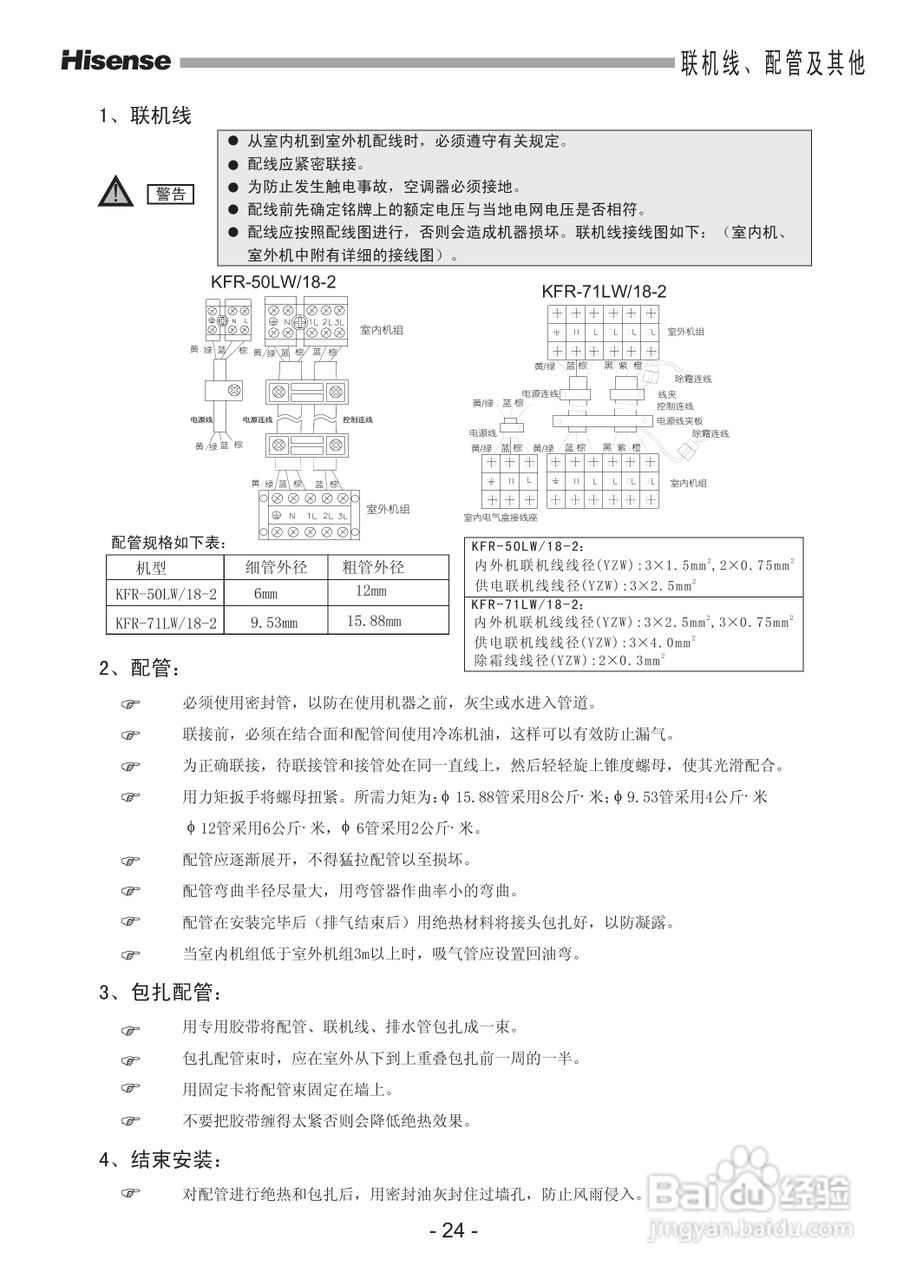
海信空调器KFR-71LW/18-2型使用说明书:[3]
2025-10-26 03:00:12
(共篇)
上一篇:
声明:
本网站引用、摘录或转载内容仅供网站访问者交流或参考,不代表本站立场,如存在版权或非法内容,请联系站长删除,联系邮箱:site.kefu@qq.com。
相关推荐
海信空调器KFR-71LW/18-2型使用说明书:[2]
阅读量:73
海信空调器KFR-71LW/18-2型使用说明书:[1]
阅读量:187
海信空调器KFR-71LW/99N-2型使用说明书:[3]
阅读量:69
海信空调器KFR-71LW/99N-2型使用说明书:[2]
阅读量:170
海信空调器KFR-71LW/99N-2型使用说明书:[1]
阅读量:134
猜你喜欢
叶酸片什么作用
膜法世家适合什么年龄
卑躬屈膝的意思
path是什么意思
女孩生日送什么礼物好
小满是什么意思
刘三姐属什么生肖
蕾丝边是什么意思
sneakers是什么意思
噱头的意思
猜你喜欢
苹果树苗什么品种好
乐途和李宁什么关系
肃杀的意思
还有什么可以送给你
青黄不接是什么意思
sofa是什么意思
什么桌面软件好用
range是什么意思
故事的意思
对戒什么牌子好