小度生活
首页
美食营养
手工爱好
生活家居
返回
小度生活
首页
美食营养
游戏数码
手工爱好
生活家居
健康养生
运动户外
职场理财
情感交际
母婴教育
时尚美容
知识问答
生活知识
生活百科
搜索
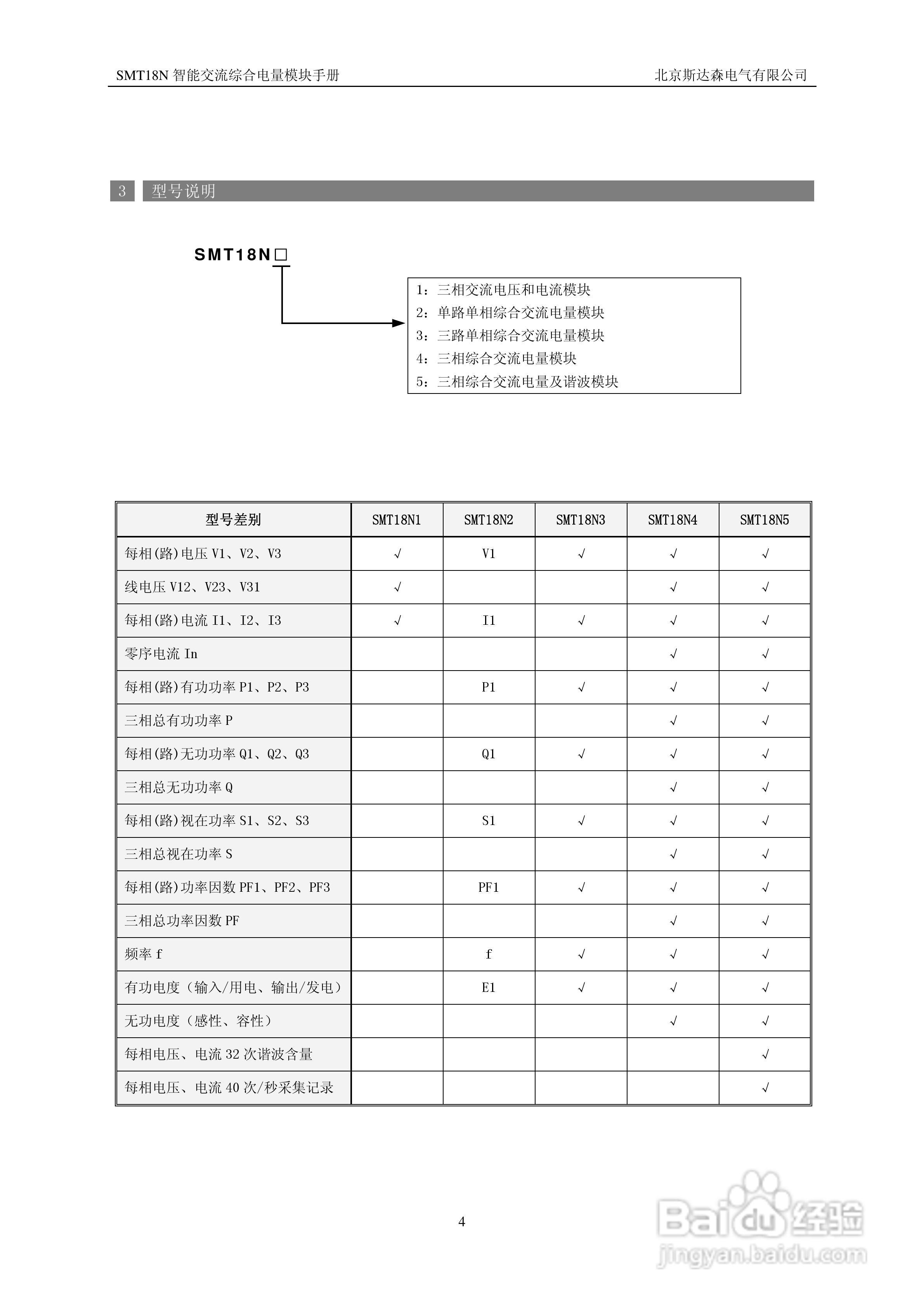
斯达森SMT18N5交流综合电量模块用户手册:[1]
2026-05-26 03:09:34
本篇为《斯达森SMT18N5交流综合电量模块用户手册》,主要介绍该产品的使用方法以及常见故障解决方案。
(共篇)
下一篇:
声明:
本网站引用、摘录或转载内容仅供网站访问者交流或参考,不代表本站立场,如存在版权或非法内容,请联系站长删除,联系邮箱:site.kefu@qq.com。
相关推荐
VMware Workstation如何安装系统 第二篇
阅读量:114
虚拟机如何安装win7系统?
阅读量:108
ifix如何设置开机自动启动
阅读量:183
PCS7的WINCC画面动作单个按钮的投切
阅读量:56
Windows Server 2008操作系统如何运行任务计划
阅读量:124
猜你喜欢
轰轰烈烈的意思
什么是三厢车
弄巧成拙的意思
变更法人需要什么资料
朝晖的意思
刨根问底的意思
三个牛字念什么
傻白甜是什么意思
办理签证需要什么材料
食指戴戒指是什么意思
猜你喜欢
五音不全唱什么歌
马齿苋的作用与功效
基金净值是什么意思
外阴痒是因为什么引起的吗
优柔寡断是什么意思
什么颜色头发好看
get是什么意思
竭泽而渔的意思
谆谆教诲的意思
tv是什么意思