小度生活
首页
美食营养
手工爱好
生活家居
返回
小度生活
首页
美食营养
游戏数码
手工爱好
生活家居
健康养生
运动户外
职场理财
情感交际
母婴教育
时尚美容
知识问答
生活知识
搜索
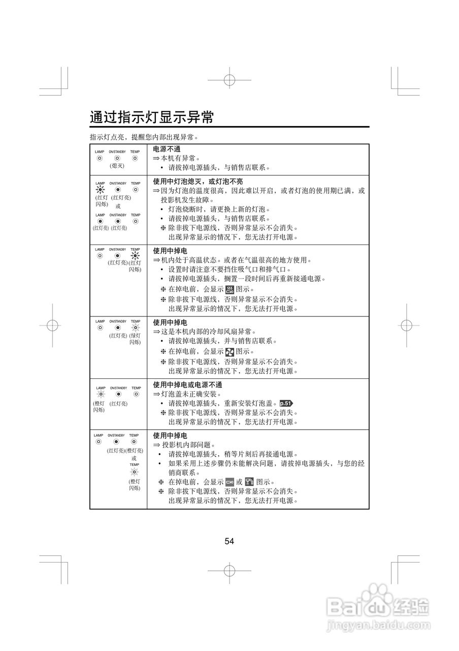
东芝 TLP-XC2000C影机说明书:[6]
2025-10-24 00:29:36
本篇为《东芝 TLP-XC2000C影机说明书》,主要介绍该产品的使用方法以及常见故障解决方案。
(共篇)
上一篇:
声明:
本网站引用、摘录或转载内容仅供网站访问者交流或参考,不代表本站立场,如存在版权或非法内容,请联系站长删除,联系邮箱:site.kefu@qq.com。
相关推荐
东芝 TLP-X11影机说明书:[6]
阅读量:152
东芝 TLP-550影机说明书:[6]
阅读量:34
东芝 TLP-250影机说明书:[6]
阅读量:78
东芝 TLP-MT7影机说明书:[6]
阅读量:92
东芝2508a扫描设置
阅读量:96
猜你喜欢
技术支持是做什么的
什么是溶血症
一直放屁是什么原因
大料是什么调料
意大利用什么货币
预调酒是什么意思
团长是什么级别
汗布是什么面料
sunshine是什么意思
共和党和共和党有什么区别
猜你喜欢
什么是数学建模
什么书好看
高血压是什么原因引起的
gpu是什么意思
潜移默化是什么意思
入党有什么用
rise是什么意思
price是什么意思
仙人跳是什么
电磁炉用什么锅