小度生活
首页
美食营养
手工爱好
生活家居
返回
小度生活
首页
美食营养
游戏数码
手工爱好
生活家居
健康养生
运动户外
职场理财
情感交际
母婴教育
时尚美容
知识问答
生活知识
搜索
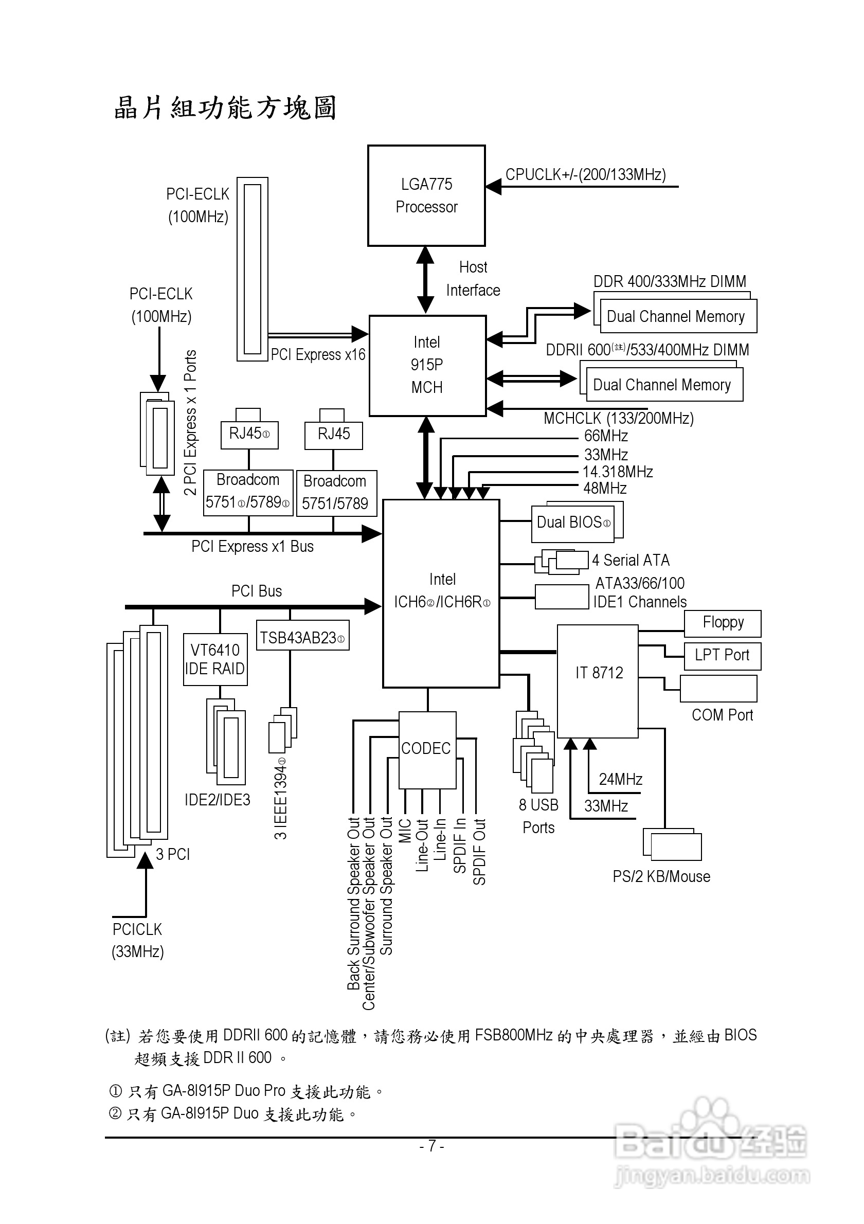
技嘉GA-8I915P Duo (Rev 1.x)型主板说明书:[1]
2026-01-14 21:16:07
本篇为《技嘉GA-8I915P Duo (Rev 1.x)型主板说明书》,主要介绍该产品的使用方法以及常见故障解决方案。
(共篇)
下一篇:
声明:
本网站引用、摘录或转载内容仅供网站访问者交流或参考,不代表本站立场,如存在版权或非法内容,请联系站长删除,联系邮箱:site.kefu@qq.com。
相关推荐
技嘉GA-8I915P Duo (Rev 1.x)型主板说明书:[7]
阅读量:39
技嘉GA-8I915P Pro (Rev 1.x)型主板说明书:[1]
阅读量:144
技嘉GA-8I915P Pro (Rev 1.x)型主板说明书:[8]
阅读量:137
技嘉主板bios设置固态硬盘启动
阅读量:41
技嘉GA-8I915P Duo (Rev 1.x)型主板说明书:[5]
阅读量:189
猜你喜欢
拉萨攻略
怎么看特别关心
张大千简介
时装搭配
红烧肉的做法 最正宗的做法
幽城幻剑录攻略
手机ip地址怎么设置
蜂蜜白醋减肥法的危害
常州恐龙园攻略
魔鬼减肥训练营
猜你喜欢
南京游玩攻略
喝番泻叶可以减肥吗
深圳美食攻略
减肥瘦身
吃什么减肥最快
仙剑奇侠传四攻略
怎么邀请好友进群
红烧排骨的做法
成都小吃攻略
可可粉减肥