小度生活
首页
美食营养
手工爱好
生活家居
返回
小度生活
首页
美食营养
游戏数码
手工爱好
生活家居
健康养生
运动户外
职场理财
情感交际
母婴教育
时尚美容
知识问答
生活知识
生活百科
搜索
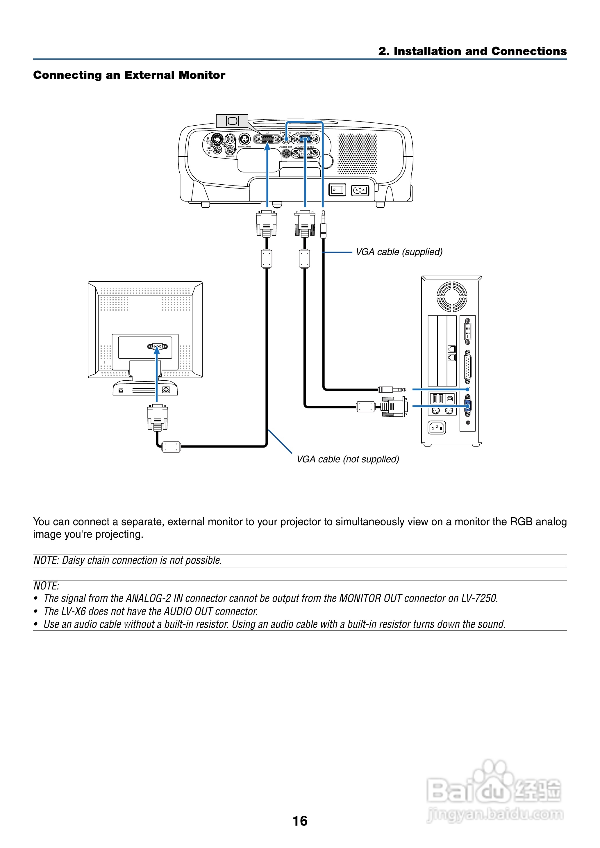
佳能LV-7250投影仪使用说明书:[3]
2026-03-25 00:24:47
本篇为《佳能LV-7250投影仪使用说明书》,主要介绍该产品的使用方法以及常见故障解决方案。
(共篇)
下一篇:
声明:
本网站引用、摘录或转载内容仅供网站访问者交流或参考,不代表本站立场,如存在版权或非法内容,请联系站长删除,联系邮箱:site.kefu@qq.com。
相关推荐
佳能LV-7250投影仪使用说明书:[6]
阅读量:74
佳能LV-7285投影仪使用说明书:[3]
阅读量:117
佳能LV-7380投影仪使用说明书:[3]
阅读量:23
佳能LV-7385投影仪使用说明书:[3]
阅读量:65
投影仪怎么连接电脑
阅读量:73
猜你喜欢
为什么乌鸦像写字台
蚊子咬了怎么消肿止痒最快
鼋头渚怎么读
耳鸣是什么原因引起的怎么治疗
oppo手机怎么投屏到电视
我的世界附魔书怎么用
程晓玥郑恺为什么分手
麦粒肿怎么引起的
宋江为什么杀阎婆惜
红烧鸭子的做法大全
猜你喜欢
柿子醋的做法
阮怎么读
为什么手机连上wifi却上不了网
三体电影为什么叫停
恬怎么读
晚上咳嗽白天不咳嗽怎么回事
倍耐力轮胎怎么样
肾结石怎么治最好
冻豆腐怎么做好吃
北京地铁为什么没有3号线