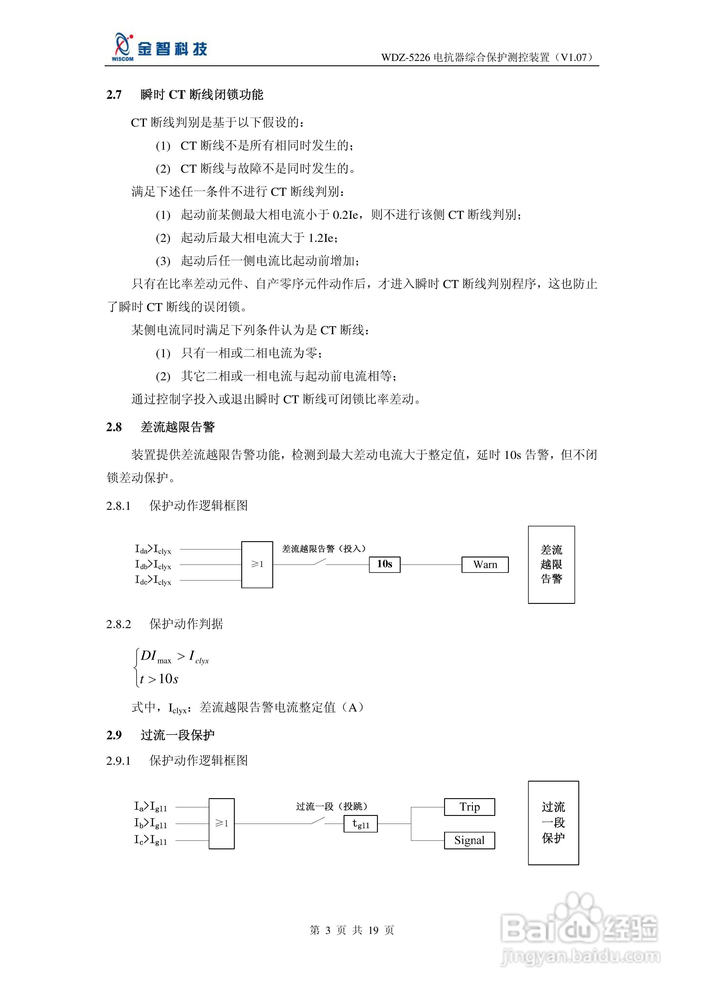
金智科技WDZ-5226电抗器综合保护测控装置说明书:[1]
本篇为《金智科技WDZ-5226电抗器综合保护测控装置说明书》,主要介绍该产品的使用方法以及常见故障解决方案。
![金智科技WDZ-5226电抗器综合保护测控装置说明书:[1]](https://exp-picture.cdn.bcebos.com/01bd69f7980e5f2085b41f6ebd20b93acc898e1e.jpg)
![金智科技WDZ-5226电抗器综合保护测控装置说明书:[1]](https://exp-picture.cdn.bcebos.com/589f5b078801387006847a392d08a50f95fc831e.jpg)
![金智科技WDZ-5226电抗器综合保护测控装置说明书:[1]](https://exp-picture.cdn.bcebos.com/5c9c964ce54a2f27072a68b3e00192dd3240f41e.jpg)
![金智科技WDZ-5226电抗器综合保护测控装置说明书:[1]](https://exp-picture.cdn.bcebos.com/e0c73a2fa872941f5021746f7b5e4a237871e61e.jpg)
![金智科技WDZ-5226电抗器综合保护测控装置说明书:[1]](https://exp-picture.cdn.bcebos.com/a68c126efbf202b38e12d9ce30f4da5873dadb1e.jpg)
![金智科技WDZ-5226电抗器综合保护测控装置说明书:[1]](https://exp-picture.cdn.bcebos.com/16a84fe10ef85856dcfbe89153e9ccd2ba66cd1e.jpg)
![金智科技WDZ-5226电抗器综合保护测控装置说明书:[1]](https://exp-picture.cdn.bcebos.com/3b03be7aa010bc33fbfe740e92efa25f0d143f1f.jpg)
![金智科技WDZ-5226电抗器综合保护测控装置说明书:[1]](https://exp-picture.cdn.bcebos.com/4d3d2ab33c4133baf48743c86a37c97623bc2f1f.jpg)
![金智科技WDZ-5226电抗器综合保护测控装置说明书:[1]](https://exp-picture.cdn.bcebos.com/32fe25ef354f50b888f8e86edc4afa32929c181f.jpg)
![金智科技WDZ-5226电抗器综合保护测控装置说明书:[1]](https://exp-picture.cdn.bcebos.com/1f9feadca039131f842a936ce275f2c4ed990a1f.jpg)
声明:本网站引用、摘录或转载内容仅供网站访问者交流或参考,不代表本站立场,如存在版权或非法内容,请联系站长删除,联系邮箱:site.kefu@qq.com。
阅读量:187
阅读量:160
阅读量:186
阅读量:121
阅读量:50
本篇为《金智科技WDZ-5226电抗器综合保护测控装置说明书》,主要介绍该产品的使用方法以及常见故障解决方案。
![金智科技WDZ-5226电抗器综合保护测控装置说明书:[1]](https://exp-picture.cdn.bcebos.com/01bd69f7980e5f2085b41f6ebd20b93acc898e1e.jpg)
![金智科技WDZ-5226电抗器综合保护测控装置说明书:[1]](https://exp-picture.cdn.bcebos.com/589f5b078801387006847a392d08a50f95fc831e.jpg)
![金智科技WDZ-5226电抗器综合保护测控装置说明书:[1]](https://exp-picture.cdn.bcebos.com/5c9c964ce54a2f27072a68b3e00192dd3240f41e.jpg)
![金智科技WDZ-5226电抗器综合保护测控装置说明书:[1]](https://exp-picture.cdn.bcebos.com/e0c73a2fa872941f5021746f7b5e4a237871e61e.jpg)
![金智科技WDZ-5226电抗器综合保护测控装置说明书:[1]](https://exp-picture.cdn.bcebos.com/a68c126efbf202b38e12d9ce30f4da5873dadb1e.jpg)
![金智科技WDZ-5226电抗器综合保护测控装置说明书:[1]](https://exp-picture.cdn.bcebos.com/16a84fe10ef85856dcfbe89153e9ccd2ba66cd1e.jpg)
![金智科技WDZ-5226电抗器综合保护测控装置说明书:[1]](https://exp-picture.cdn.bcebos.com/3b03be7aa010bc33fbfe740e92efa25f0d143f1f.jpg)
![金智科技WDZ-5226电抗器综合保护测控装置说明书:[1]](https://exp-picture.cdn.bcebos.com/4d3d2ab33c4133baf48743c86a37c97623bc2f1f.jpg)
![金智科技WDZ-5226电抗器综合保护测控装置说明书:[1]](https://exp-picture.cdn.bcebos.com/32fe25ef354f50b888f8e86edc4afa32929c181f.jpg)
![金智科技WDZ-5226电抗器综合保护测控装置说明书:[1]](https://exp-picture.cdn.bcebos.com/1f9feadca039131f842a936ce275f2c4ed990a1f.jpg)