小度生活
首页
美食营养
手工爱好
生活家居
返回
小度生活
首页
美食营养
游戏数码
手工爱好
生活家居
健康养生
运动户外
职场理财
情感交际
母婴教育
时尚美容
知识问答
生活知识
搜索
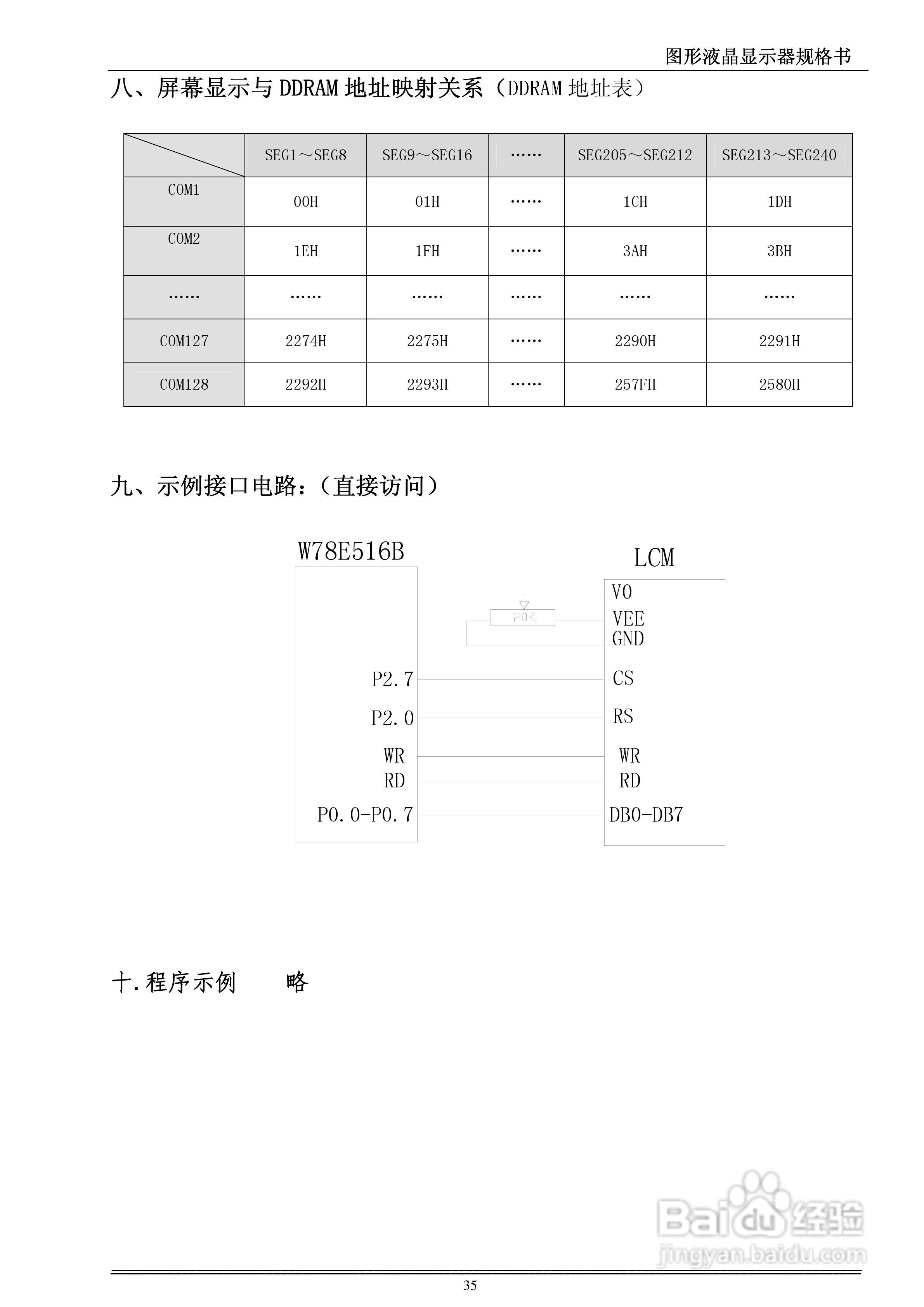
HTW-Z24064F液晶显示模块使用手册:[4]
2026-01-30 12:45:54
本篇为《HTW-Z24064F液晶显示模块使用手册》,主要介绍该产品的使用方法以及常见故障解决方案。
(共篇)
上一篇:
声明:
本网站引用、摘录或转载内容仅供网站访问者交流或参考,不代表本站立场,如存在版权或非法内容,请联系站长删除,联系邮箱:site.kefu@qq.com。
相关推荐
液晶显示器如何消磁
阅读量:189
HTW-G320240B6液晶显示模块使用手册:[2]
阅读量:120
HTW-G320240B4系列液晶显示模块使用手册:[2]
阅读量:26
HTW-G320240B1系列液晶显示模块使用手:[1]
阅读量:60
HTW-G320240B1系列液晶显示模块使用手:[2]
阅读量:113
猜你喜欢
脾胃虚弱怎么调理
馒头怎么做才松软好吃
尿酸高怎么办
儿子生日妈妈怎么发朋友圈
神经衰弱怎么办
疥疮是怎么引起的
擢怎么读
红豆薏米水怎么煮去湿气效果好
engineer怎么读
伊朗为什么不怕美国
猜你喜欢
网卡怎么办
黄瓜怎么做好吃
生日蛋糕怎么画
鱼腥草怎么做好吃
霰弹枪怎么读
创维电视怎么投屏
凤尾鱼的做法
切辣椒后手上的灼热感怎么解决
暴殄天物怎么读
鱼头火锅的家常做法