小度生活
首页
美食营养
手工爱好
生活家居
返回
小度生活
首页
美食营养
游戏数码
手工爱好
生活家居
健康养生
运动户外
职场理财
情感交际
母婴教育
时尚美容
知识问答
生活知识
生活百科
搜索
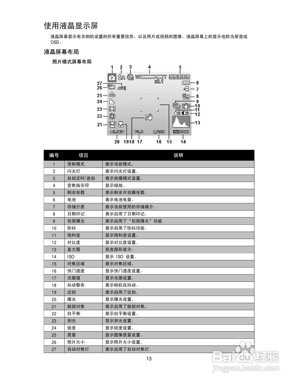
海尔DC-X92数码相机使用说明书:[2]
2026-05-14 09:16:49
本篇为《海尔DC-X92数码相机使用说明书》,主要介绍该产品的使用方法以及常见故障解决方案。
(共篇)
上一篇:
|
下一篇:
声明:
本网站引用、摘录或转载内容仅供网站访问者交流或参考,不代表本站立场,如存在版权或非法内容,请联系站长删除,联系邮箱:site.kefu@qq.com。
相关推荐
海尔DC-X92数码相机使用说明书:[1]
阅读量:191
海尔DC-X92数码相机使用说明书:[5]
阅读量:179
海尔DC-A30数码相机使用说明书.:[2]
阅读量:163
海尔DC-X120数码相机使用说明书:[2]
阅读量:76
海尔电热水器使用方法
阅读量:136
猜你喜欢
收益率怎么算
狗吃了老鼠药怎么办
红血丝怎么消除
怎么下载网页视频
怎么去除黄褐斑
烙馅饼的面怎么和
车辆违章怎么查询
牙齿上有黑色的东西洗不掉怎么办
索菲亚衣柜怎么样
手机怎么连电视
猜你喜欢
怎么样容易怀孕
喜帖怎么写
我的世界剑怎么做
怎么去脚臭
银行卡密码忘记了怎么办
达米尼冰箱怎么样
教学内容怎么写
香蕉吃多了会怎么样
ps插件怎么安装
飞机是怎么飞起来的