小度生活
首页
美食营养
手工爱好
生活家居
返回
小度生活
首页
美食营养
游戏数码
手工爱好
生活家居
健康养生
运动户外
职场理财
情感交际
母婴教育
时尚美容
知识问答
生活知识
搜索
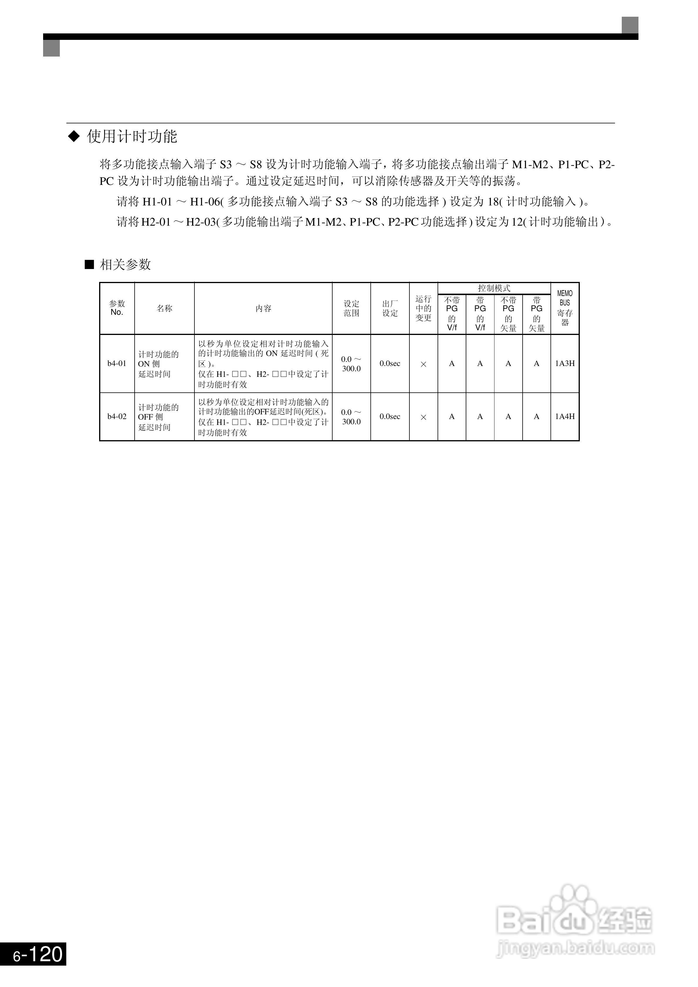
欧姆龙3G3RV-B430K-ZV1变频器说明书:[32]
2026-02-08 18:55:45
本篇为《欧姆龙3G3RV-B430K-ZV1变频器说明书》,主要介绍该产品的使用方法以及常见故障解决方案。
(共篇)
上一篇:
|
下一篇:
声明:
本网站引用、摘录或转载内容仅供网站访问者交流或参考,不代表本站立场,如存在版权或非法内容,请联系站长删除,联系邮箱:site.kefu@qq.com。
相关推荐
欧姆龙3G3RV-B430K-ZV1变频器说明书:[35]
阅读量:136
欧姆龙3G3RV-B430K-ZV1变频器说明书:[47]
阅读量:72
欧姆龙软件安装教程
阅读量:64
欧姆龙3G3RV-B430K-ZV1变频器说明书:[27]
阅读量:65
欧姆龙3G3RV-B430K-ZV1变频器说明书:[48]
阅读量:182
猜你喜欢
世界上有什么花
净值是什么意思
风声鹤唳是什么意思
窦性心律是什么意思
七夕什么时候
办健康证需要带什么证件
加盟是什么意思
党的性质是什么
结节是什么
什么是意识形态
猜你喜欢
柳暗花明是什么意思
胰岛素是什么
什么是智能家居
三个鬼念什么
复方板蓝根和板蓝根有什么区别
情人节送什么礼物给女朋友
中将是什么级别的干部
车架号是什么
hk是什么意思
bridge是什么意思