小度生活
首页
美食营养
手工爱好
生活家居
返回
小度生活
首页
美食营养
游戏数码
手工爱好
生活家居
健康养生
运动户外
职场理财
情感交际
母婴教育
时尚美容
知识问答
生活知识
生活百科
搜索
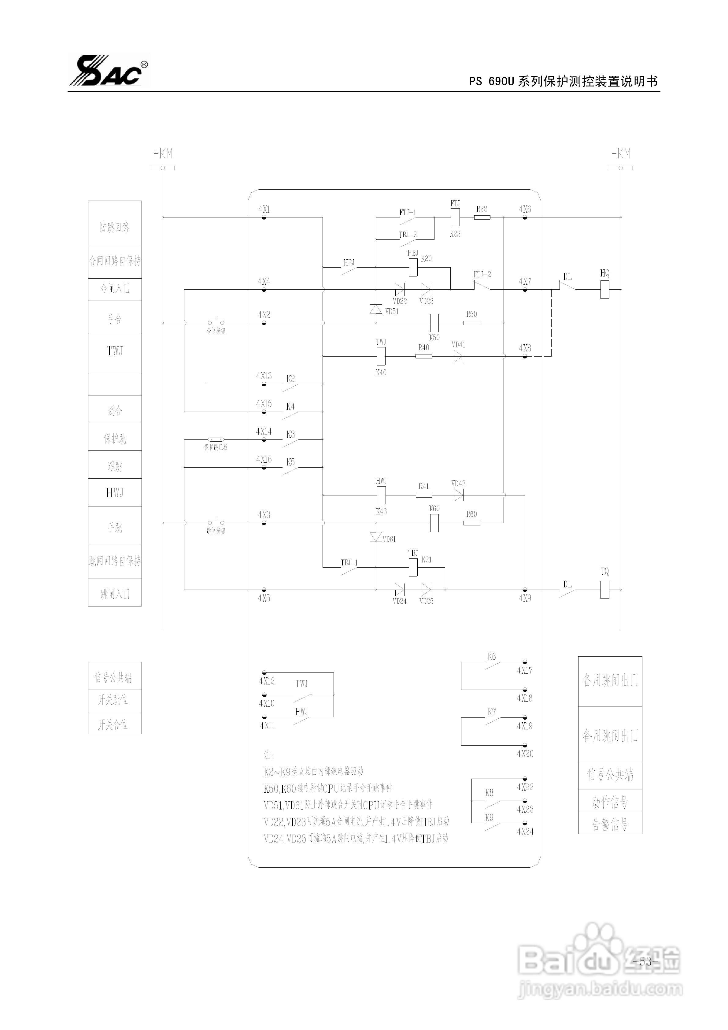
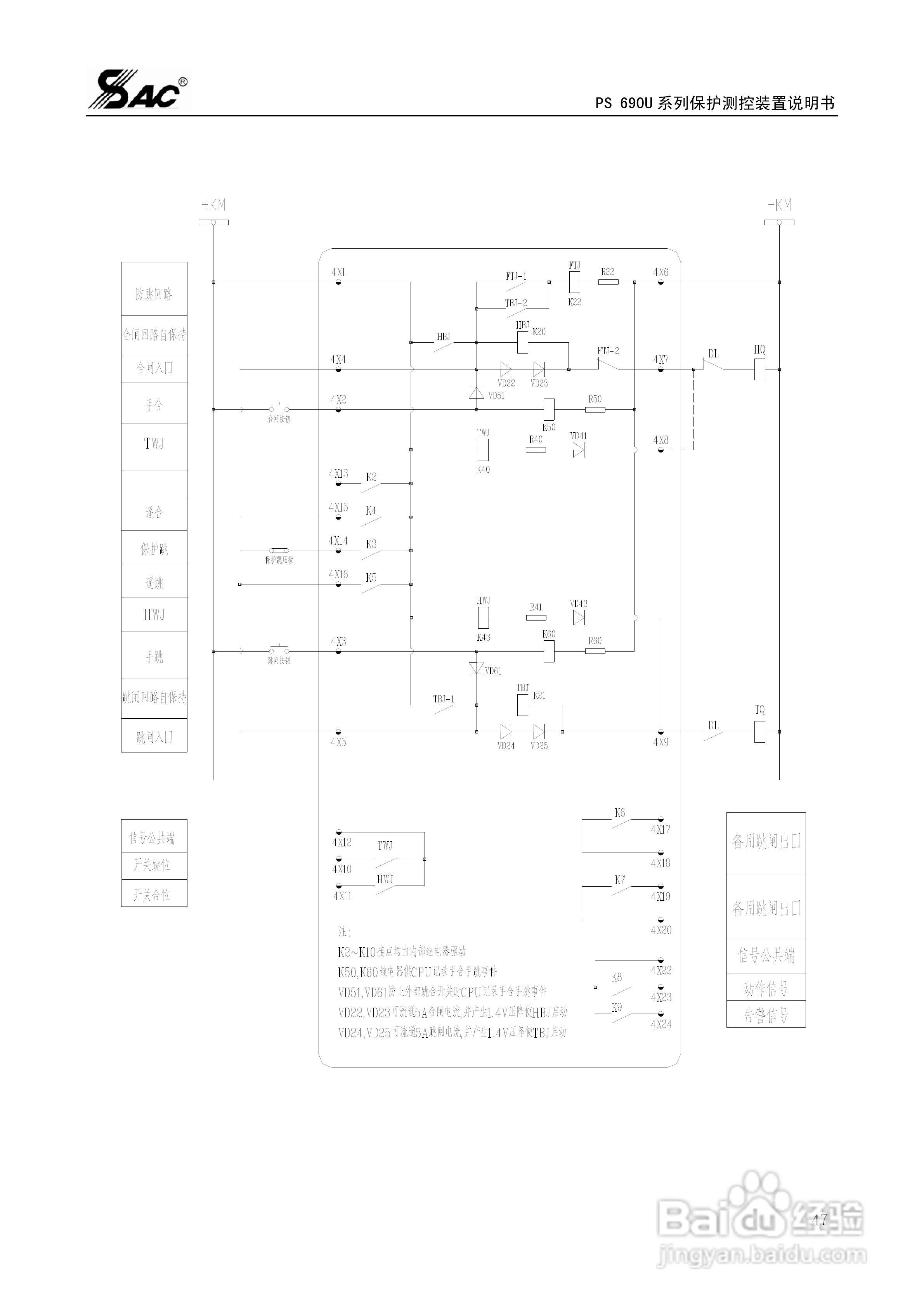
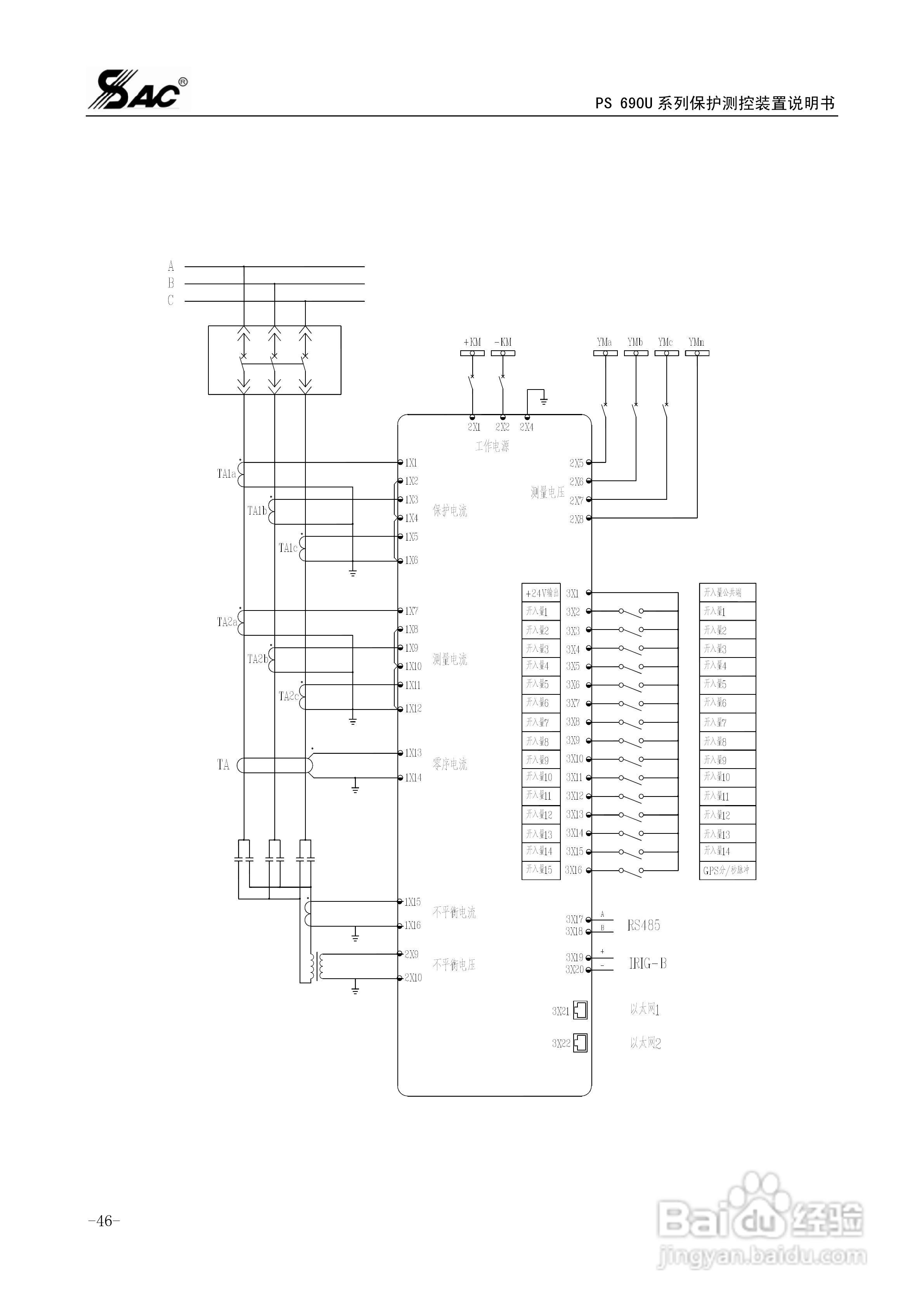
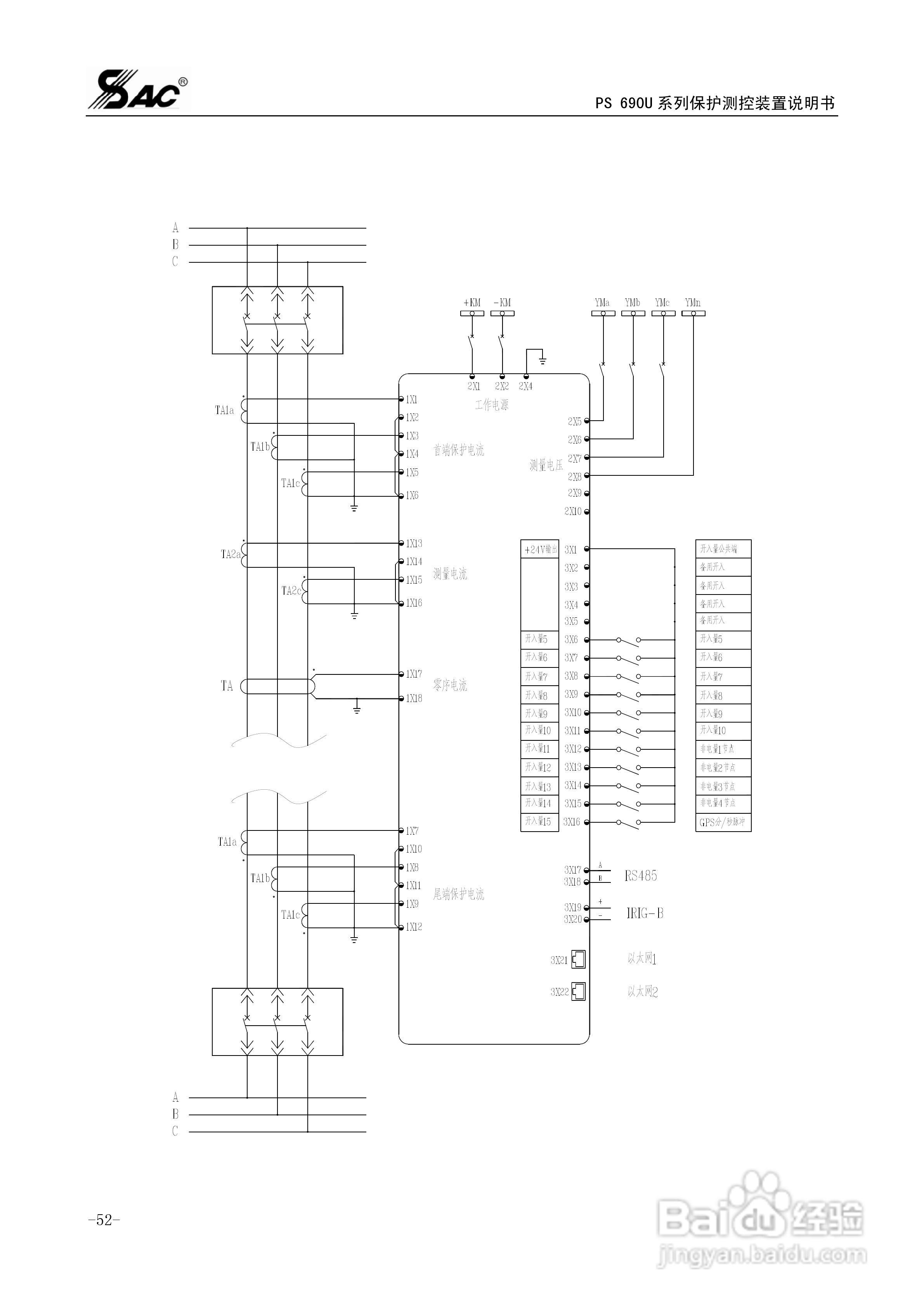
PSM691U电动机差动综合保护装置说明书:[6]
2026-04-06 20:21:35
本篇为《PSM691U电动机差动综合保护装置说明书》,主要介绍该产品的使用方法以及常见故障解决方案。
(共篇)
上一篇:
|
下一篇:
声明:
本网站引用、摘录或转载内容仅供网站访问者交流或参考,不代表本站立场,如存在版权或非法内容,请联系站长删除,联系邮箱:site.kefu@qq.com。
相关推荐
PSM691U电动机差动综合保护装置说明书:[9]
阅读量:159
PSM691U电动机差动综合保护装置说明书:[8]
阅读量:93
PSM691U电动机差动综合保护装置说明书:[7]
阅读量:163
PSM691U电动机差动综合保护装置说明书:[5]
阅读量:42
PSM691U电动机差动综合保护装置说明书:[4]
阅读量:25
猜你喜欢
腊月是什么星座
峰值是什么意思
codcr是什么意思
干呕是什么原因
掉发严重是什么原因
皮蛋不能和什么一起吃
join是什么意思
容易上火是什么原因
什么耳机音质最好
mp4是什么
猜你喜欢
抹茶是什么
太子龙男装什么档次
96122是什么电话
activity是什么意思
五行是什么意思
卡介苗是预防什么的
什么叫方程
gpa是什么
house是什么意思
下摆是什么