小度生活
首页
美食营养
手工爱好
生活家居
返回
小度生活
首页
美食营养
游戏数码
手工爱好
生活家居
健康养生
运动户外
职场理财
情感交际
母婴教育
时尚美容
知识问答
生活知识
生活百科
搜索
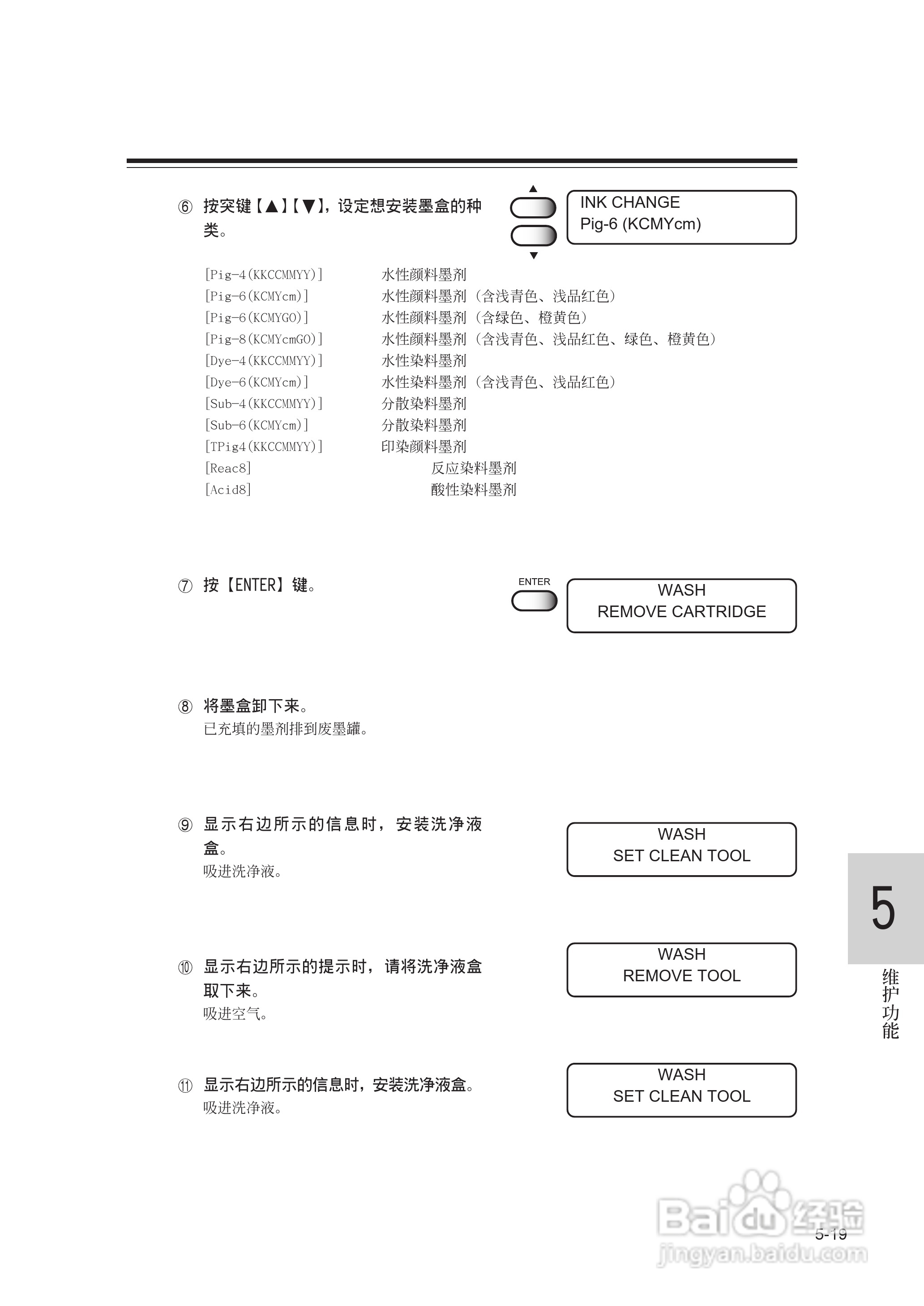
Mimaki JV22-160打印机说明书:[11]
2026-03-27 15:05:46
本篇为《Mimaki JV22-160打印机说明书》,主要介绍该产品的使用方法以及常见故障解决方案。
(共篇)
上一篇:
|
下一篇:
声明:
本网站引用、摘录或转载内容仅供网站访问者交流或参考,不代表本站立场,如存在版权或非法内容,请联系站长删除,联系邮箱:site.kefu@qq.com。
相关推荐
Mimaki JV22-160打印机说明书:[12]
阅读量:63
Mimaki JV22-160打印机说明书:[5]
阅读量:91
打印机脱机怎么办?
阅读量:133
打印机显示脱机怎么办
阅读量:183
打印机连不上电脑怎么办
阅读量:129
猜你喜欢
兔子拉稀怎么办
湖南师范大学怎么样
试管婴儿是怎么回事
电脑怎么录制视频
年糕怎么做
雷锋怎么牺牲的
汽车购置税怎么算
晨阳水漆怎么样
欧派电动车怎么样
广州怎么去香港
猜你喜欢
德邦物流怎么样
电脑没声音怎么回事
天津财经大学珠江学院怎么样
网卡驱动怎么安装
枇杷膏怎么做
生板栗怎么去壳
流鼻血怎么处理
手自一体的车怎么开
大众朗逸怎么样
化疗后掉头发怎么办