小度生活
首页
美食营养
手工爱好
生活家居
返回
小度生活
首页
美食营养
游戏数码
手工爱好
生活家居
健康养生
运动户外
职场理财
情感交际
母婴教育
时尚美容
知识问答
生活知识
搜索
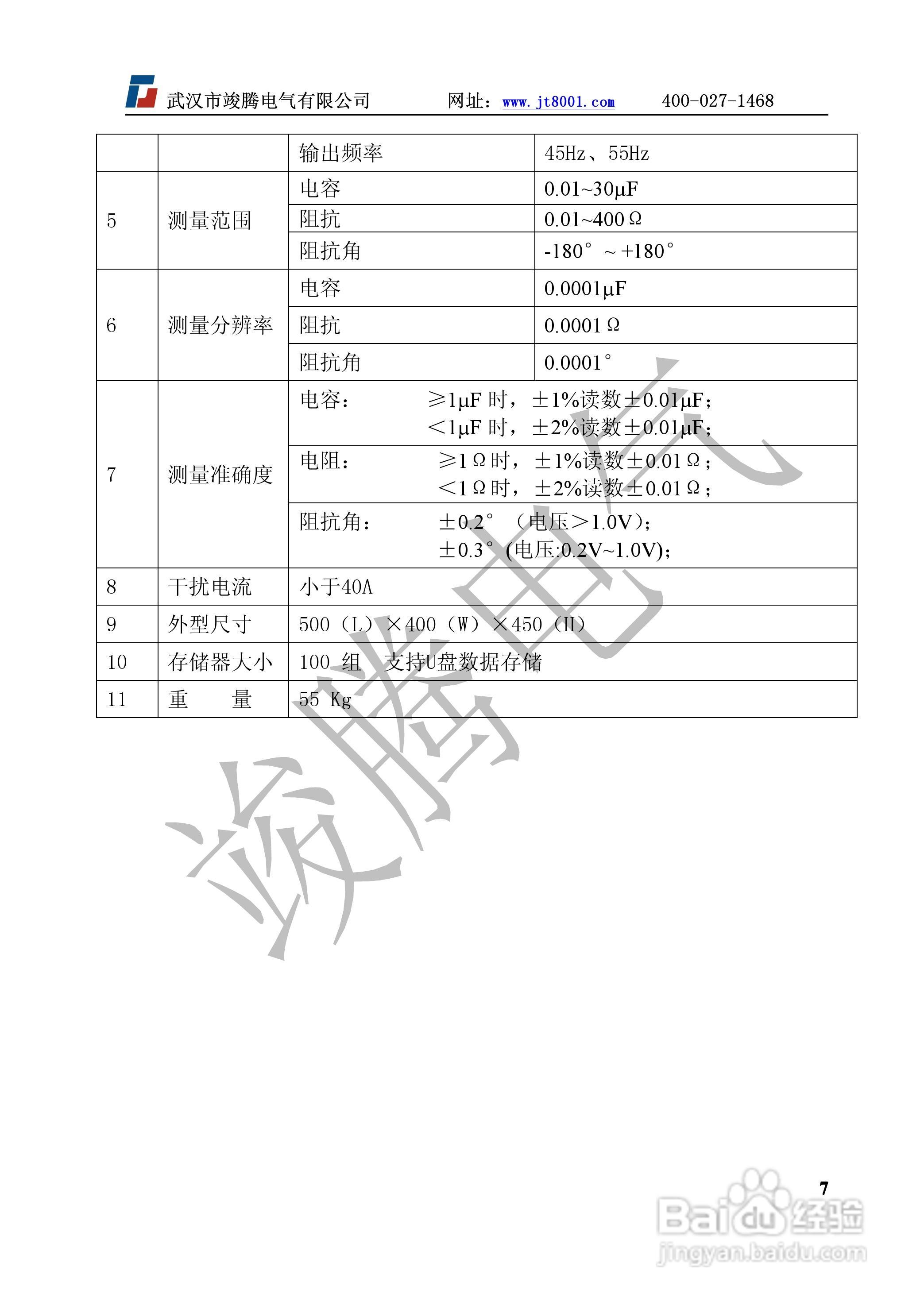
竣腾JTXC线路参数测试仪说明书:[1]
2025-10-18 13:54:29
本篇为《竣腾JTXC线路参数测试仪说明书》,主要介绍该产品的使用方法以及常见故障解决方案。
(共篇)
下一篇:
声明:
本网站引用、摘录或转载内容仅供网站访问者交流或参考,不代表本站立场,如存在版权或非法内容,请联系站长删除,联系邮箱:site.kefu@qq.com。
相关推荐
竣腾1200(六相)微机继电保护测试仪说明书:[1]
阅读量:60
竣腾1200(六相)微机继电保护测试仪说明书:[10]
阅读量:194
竣腾1200(六相)微机继电保护测试仪说明书:[4]
阅读量:179
竣腾JTDL-H全自动电容电流测试仪说明书:[1]
阅读量:110
竣腾1200(六相)微机继电保护测试仪说明书:[5]
阅读量:116
猜你喜欢
cast是什么意思
der什么意思
失眠是什么
什么是石英表
摆地摊卖什么好
齐桓公读音是什么
眼袋重是什么原因造成的
8月13日是什么节日
张飞字什么
一目十行是什么意思
猜你喜欢
醪糟是什么
7月13日是什么星座
patient是什么意思
两女一杯是什么
脚底长了像水泡一样的东西是什么
鬼畜什么意思
金坷垃是什么
爱到底是什么
warn是什么意思
莫衷一是是什么意思