小度生活
首页
美食营养
手工爱好
生活家居
返回
小度生活
首页
美食营养
游戏数码
手工爱好
生活家居
健康养生
运动户外
职场理财
情感交际
母婴教育
时尚美容
知识问答
生活知识
生活百科
搜索
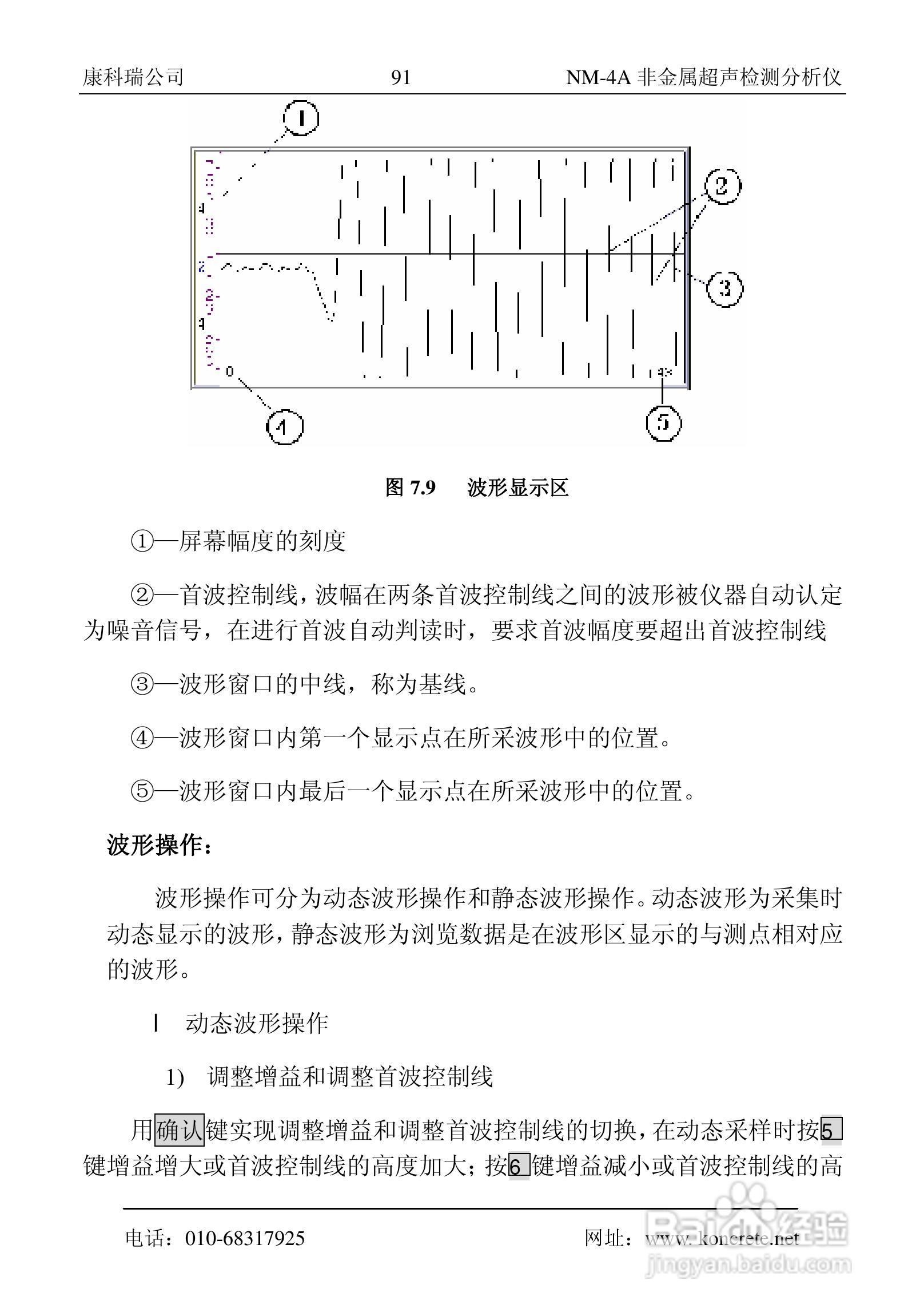
NM-4A卧式非金属超声检测分析仪说明书:[10]
2026-03-29 04:18:57
本篇为《NM-4A卧式非金属超声检测分析仪说明书》,主要介绍该产品的使用方法以及常见故障解决方案。
(共篇)
上一篇:
|
下一篇:
声明:
本网站引用、摘录或转载内容仅供网站访问者交流或参考,不代表本站立场,如存在版权或非法内容,请联系站长删除,联系邮箱:site.kefu@qq.com。
相关推荐
NM-4A卧式非金属超声检测分析仪说明书:[1]
阅读量:162
NM-4A卧式非金属超声检测分析仪说明书:[5]
阅读量:47
NM-4A卧式非金属超声检测分析仪说明书:[3]
阅读量:62
NM-4A卧式非金属超声检测分析仪说明书:[7]
阅读量:128
NM-4A卧式非金属超声检测分析仪说明书:[8]
阅读量:130
猜你喜欢
network是什么意思
养殖合作社
维生素b12的作用及功能介绍
家用空调什么牌子好
肺癌的晚期症状是什么
致跳高运动员
sj是什么
深圳什么地方好玩
pool什么意思
cmos是什么
猜你喜欢
始乱终弃是什么意思
猴年马月是什么意思
康乃馨的养殖方法和注意事项
浮云是什么意思
免抵退是什么意思
琛是什么意思
维生素b6片
超新星运动会
昱是什么意思
幼儿园运动会主题