小度生活
首页
美食营养
手工爱好
生活家居
返回
小度生活
首页
美食营养
游戏数码
手工爱好
生活家居
健康养生
运动户外
职场理财
情感交际
母婴教育
时尚美容
知识问答
生活知识
生活百科
搜索
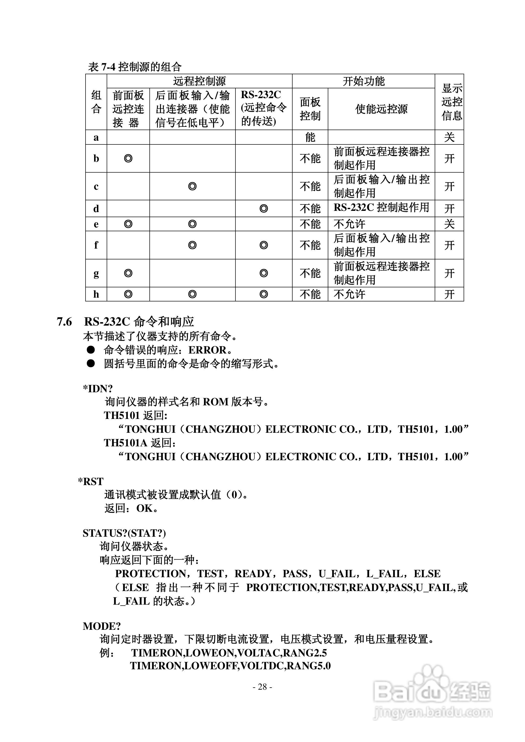
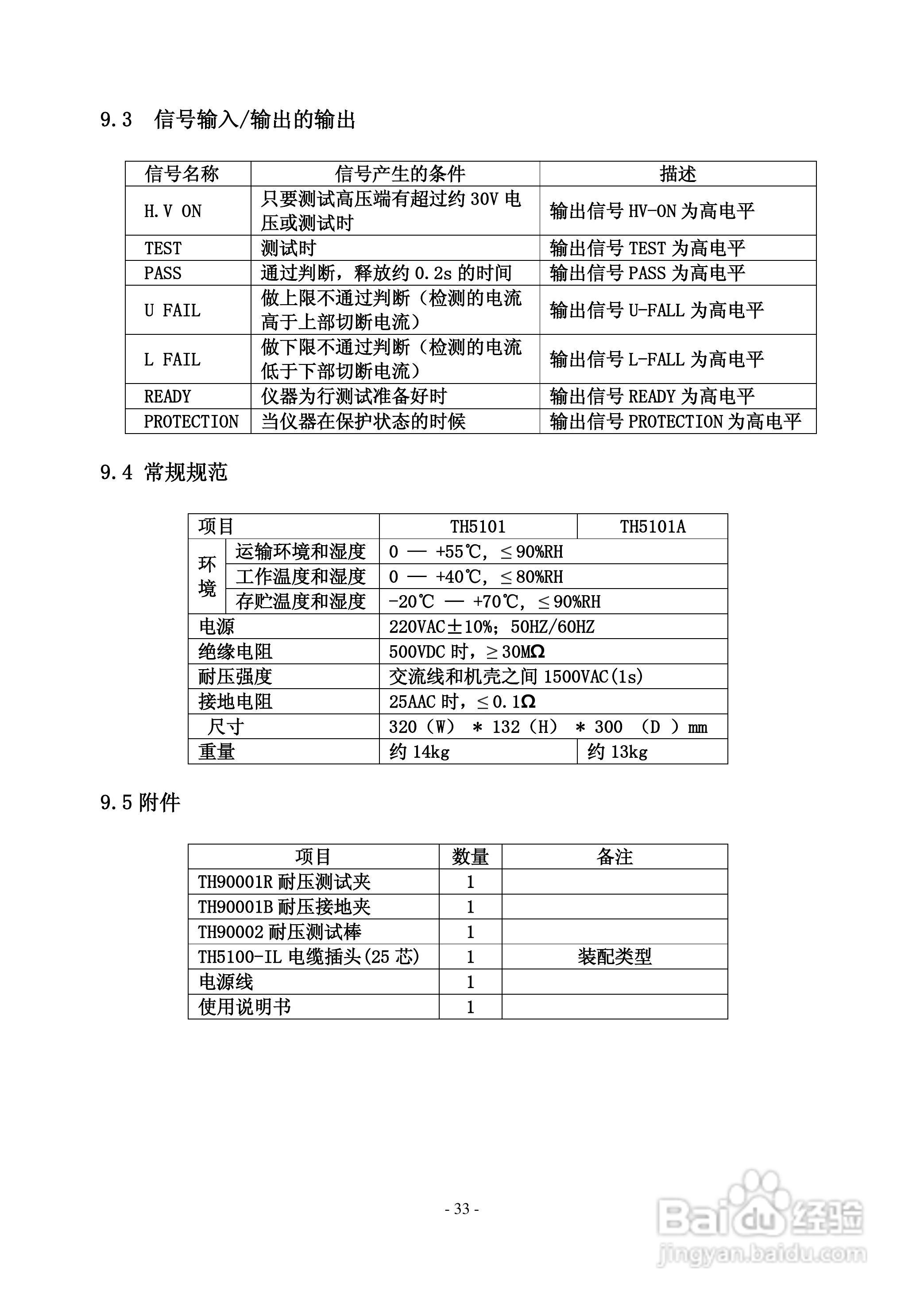
锦流源电子TH5101/TH5101A耐压仪说明书:[4]
2026-04-10 01:26:40
本篇为《锦流源电子TH5101/TH5101A耐压仪说明书》,主要介绍该产品的使用方法以及常见故障解决方案。
(共篇)
上一篇:
声明:
本网站引用、摘录或转载内容仅供网站访问者交流或参考,不代表本站立场,如存在版权或非法内容,请联系站长删除,联系邮箱:site.kefu@qq.com。
相关推荐
锦流源电子TH2828/TH2828A数字电桥使用说明书:[4]
阅读量:166
锦流源电子TH1912 TH1912A数字毫伏表说明书:[5]
阅读量:165
锦流源电子TH2828/TH2828A数字电桥使用说明书:[1]
阅读量:95
锦流源电子TH2828/TH2828A数字电桥使用说明书:[2]
阅读量:185
锦流源电子TH2828/TH2828A数字电桥使用说明书:[6]
阅读量:166
猜你喜欢
胃嗳气是怎么回事
上海对外经贸大学怎么样
金利来钱包怎么样
我怎么就火了呢
一般家长意见怎么写
声调怎么打
胶水怎么去除
word文档行距怎么设置
箭牌瓷砖怎么样
嗓子痒怎么办
猜你喜欢
iphone怎么刷机
毕业论文摘要怎么写
纸杯蛋糕怎么做
情绪低落怎么办
公积金申请书怎么写
飞蚊症是怎么引起的
腰椎间盘突出怎么治
授权委托书怎么写
孕妇扁桃体发炎怎么办
win7怎么截屏