小度生活
首页
美食营养
手工爱好
生活家居
返回
小度生活
首页
美食营养
游戏数码
手工爱好
生活家居
健康养生
运动户外
职场理财
情感交际
母婴教育
时尚美容
知识问答
生活知识
生活百科
搜索
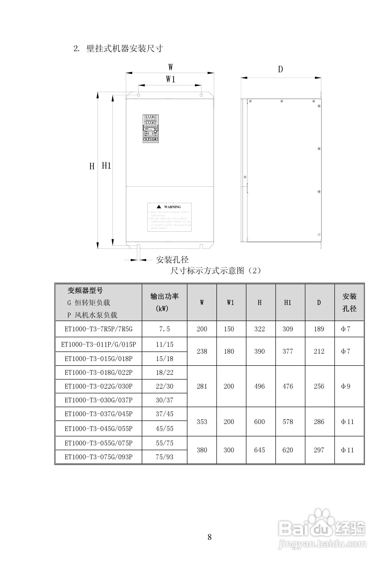
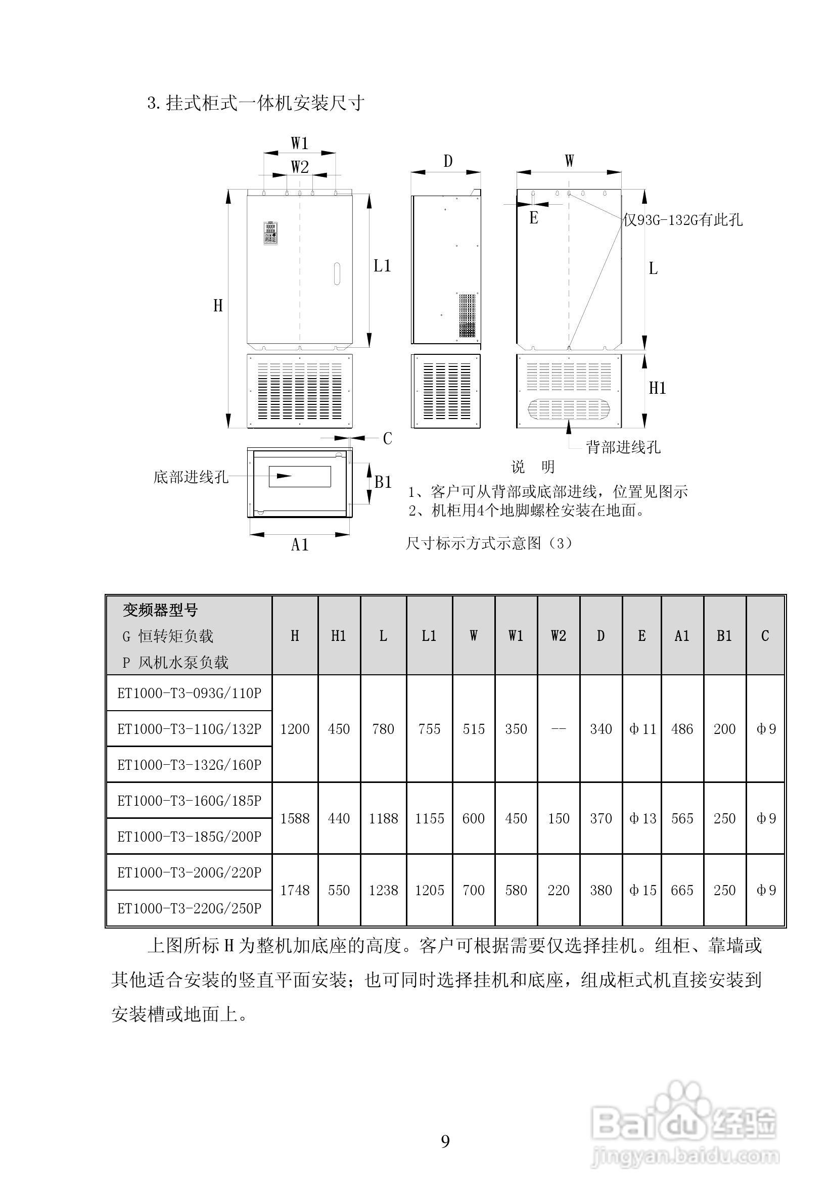
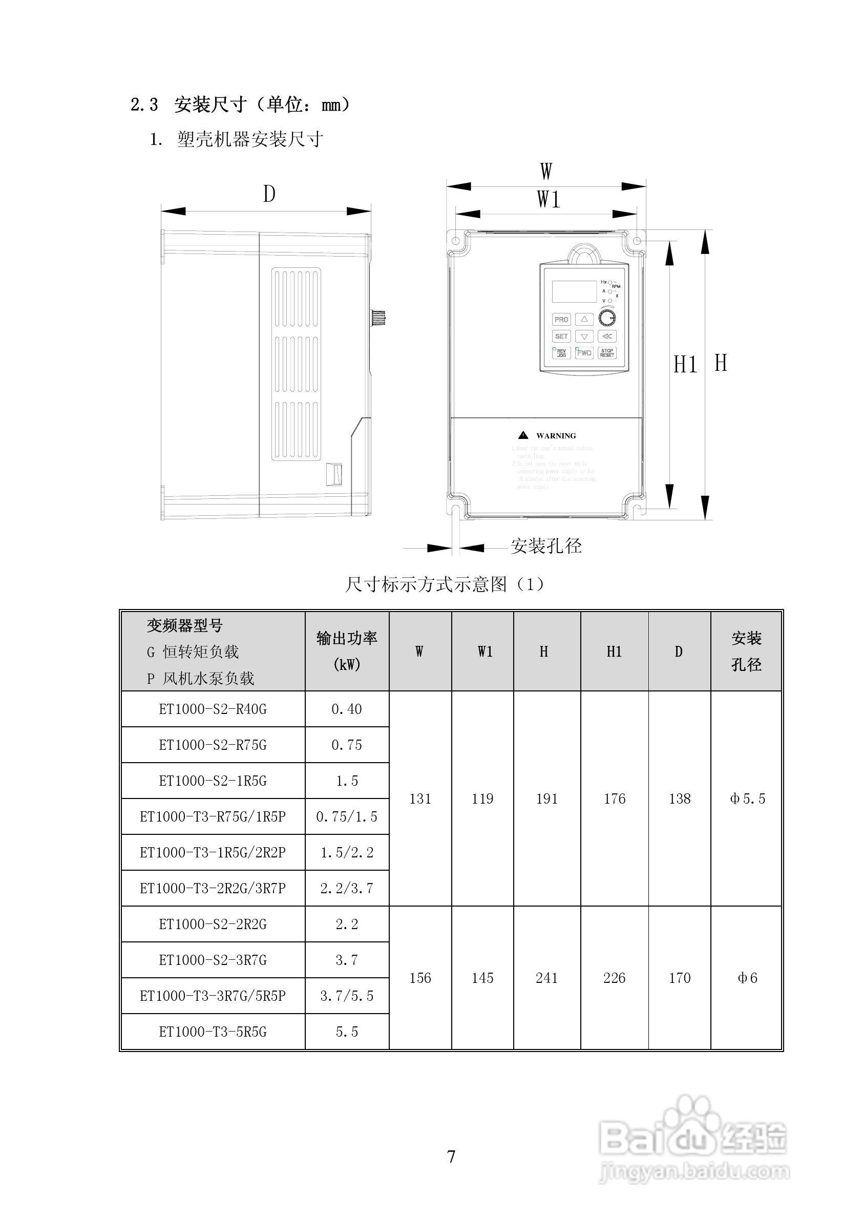
亿川ET1000-T3-315G/355P变频器用户手册:[1]
2026-03-31 18:38:55
本篇为《亿川ET1000-T3-315G/355P变频器用户手册》,主要介绍该产品的使用方法以及常见故障解决方案。
(共篇)
下一篇:
声明:
本网站引用、摘录或转载内容仅供网站访问者交流或参考,不代表本站立场,如存在版权或非法内容,请联系站长删除,联系邮箱:site.kefu@qq.com。
相关推荐
亿川ET1000-T3-315G/355P变频器用户手册:[3]
阅读量:185
佳乐JR7000-315G-4-1090变频器使用说明书:[13]
阅读量:27
变频器怎么恢复出厂设置
阅读量:187
变频器调试接线教程
阅读量:54
变频器滤波器的选型
阅读量:105
猜你喜欢
最佳减肥方法
dnf怎么摆摊
秦腔戏曲大全
治灰指甲最好的方法
可乐鸡翅的家常做法
快速减肥方法
网上怎么开店
怎么恢复qq群
网线怎么拉
板栗怎么做好吃
猜你喜欢
电脑网页打不开怎么回事
北京城市学院怎么样
核算方式怎么填
绿豆芽怎么炒好吃
儿童诗歌大全100首
鱼香茄子的家常做法
扣肉怎么做好吃
天下彩免费资料大全 彩
杏鲍菇的做法大全家常
怎么拉韧带