小度生活
首页
美食营养
手工爱好
生活家居
返回
小度生活
首页
美食营养
游戏数码
手工爱好
生活家居
健康养生
运动户外
职场理财
情感交际
母婴教育
时尚美容
知识问答
生活知识
生活百科
搜索
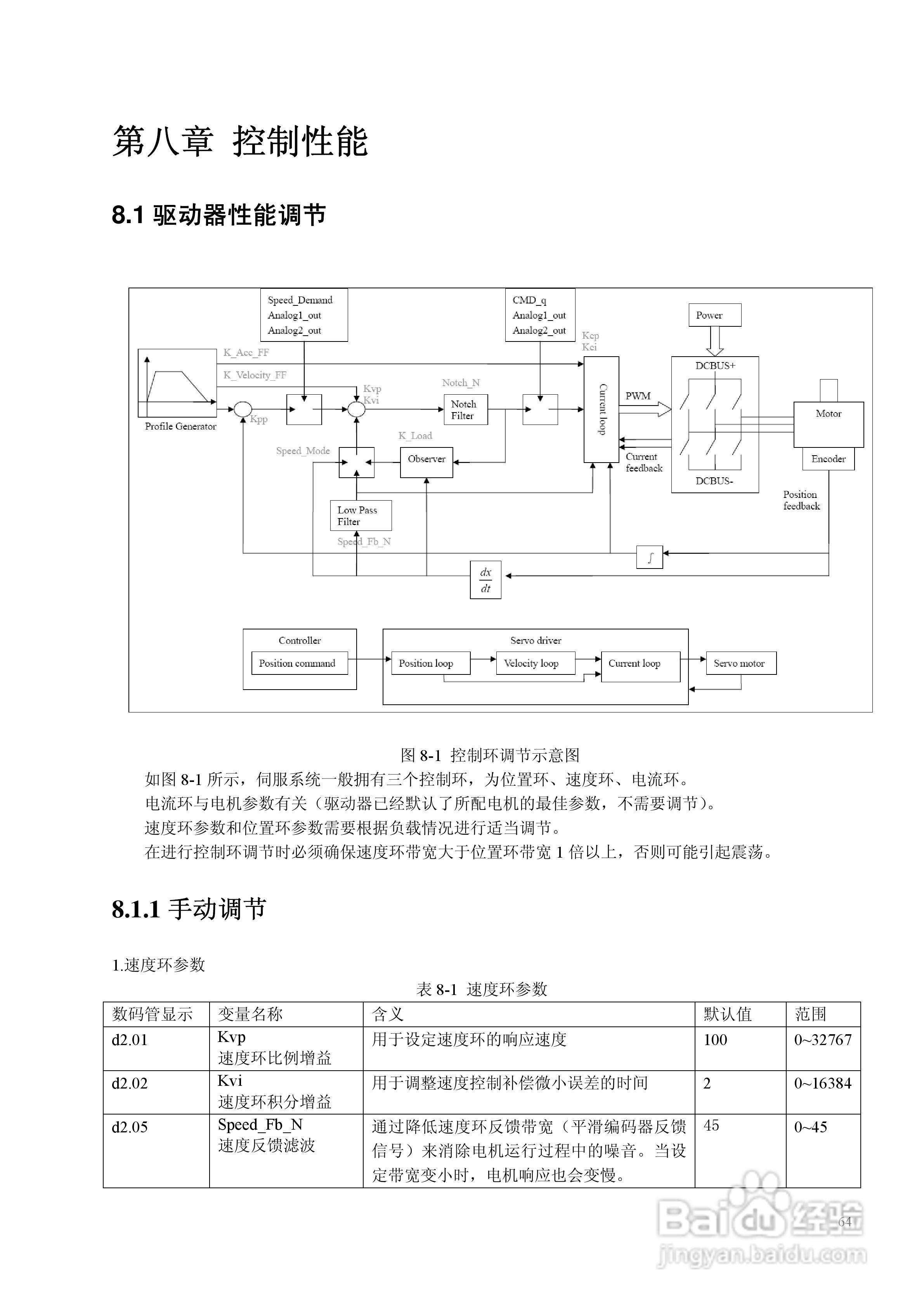
CD430伺服驱动器说明书:[7]
2026-05-22 01:38:40
本篇为《CD430伺服驱动器说明书》,主要介绍该产品的使用方法以及常见故障解决方案。
(共篇)
上一篇:
|
下一篇:
声明:
本网站引用、摘录或转载内容仅供网站访问者交流或参考,不代表本站立场,如存在版权或非法内容,请联系站长删除,联系邮箱:site.kefu@qq.com。
相关推荐
MOOG DS2000伺服驱动器说明书:[7]
阅读量:159
线性伺服驱动器
阅读量:173
MOOG DS2000伺服驱动器说明书:[14]
阅读量:192
伺服驱动器选型
阅读量:111
MOOG DS2000伺服驱动器说明书:[6]
阅读量:80
猜你喜欢
搬新家有什么讲究
普惠金融什么意思
巧舌如簧的意思
风湿病有什么症状
淀粉酶的作用
皇菊的功效与作用
股票量比是什么意思
涡轮增压什么意思
后生可畏的意思
放大镜的作用
猜你喜欢
一什么什么什么成语
藿香清胃胶囊的作用
在地下城寻求邂逅是否搞错了什么第二季
编外人员是什么意思
养尊处优的意思
sq是什么意思
nice是什么意思
遗孀什么意思
渡劫是什么意思
否极泰来是什么意思