小度生活
首页
美食营养
手工爱好
生活家居
返回
小度生活
首页
美食营养
游戏数码
手工爱好
生活家居
健康养生
运动户外
职场理财
情感交际
母婴教育
时尚美容
知识问答
生活知识
生活百科
搜索
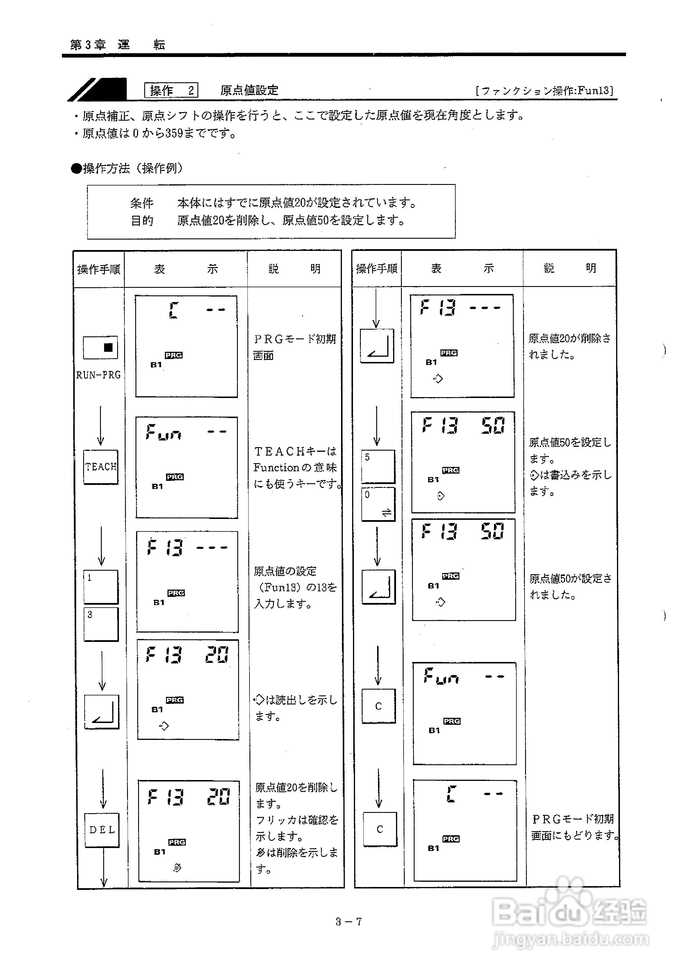
OMRON 3F88L-155凸轮定位器使用说明书:[5]
2026-05-23 09:35:06
本篇为《OMRON 3F88L-155凸轮定位器使用说明书》,主要介绍该产品的使用方法以及常见故障解决方案。
(共篇)
上一篇:
|
下一篇:
声明:
本网站引用、摘录或转载内容仅供网站访问者交流或参考,不代表本站立场,如存在版权或非法内容,请联系站长删除,联系邮箱:site.kefu@qq.com。
相关推荐
OMRON 3F88L-155凸轮定位器使用说明书:[10]
阅读量:70
怎样使用solidworks画凸轮
阅读量:81
OMRON 3F88L-155凸轮定位器使用说明书:[11]
阅读量:148
FLASH凸轮机构
阅读量:20
凸轮轴轴端间隙的检查
阅读量:184
猜你喜欢
感冒喝什么汤比较好
春望什么意思
菠菜和什么不能同吃
以直报怨是什么意思
润泽的意思
曹操的诗以什么见称
大排畸检查什么
茂密的意思
lunar是什么意思
息息相关的意思
猜你喜欢
perfume什么意思
呆若木鸡的意思
三伏天什么意思
upnp是什么意思
i miss you是什么意思
梦见自己怀孕是什么意思
鼓瑟的意思
考试什么都去死吧歌词
有什么恐怖的鬼片
咬牙切齿的意思