小度生活
首页
美食营养
手工爱好
生活家居
返回
小度生活
首页
美食营养
游戏数码
手工爱好
生活家居
健康养生
运动户外
职场理财
情感交际
母婴教育
时尚美容
知识问答
生活知识
搜索
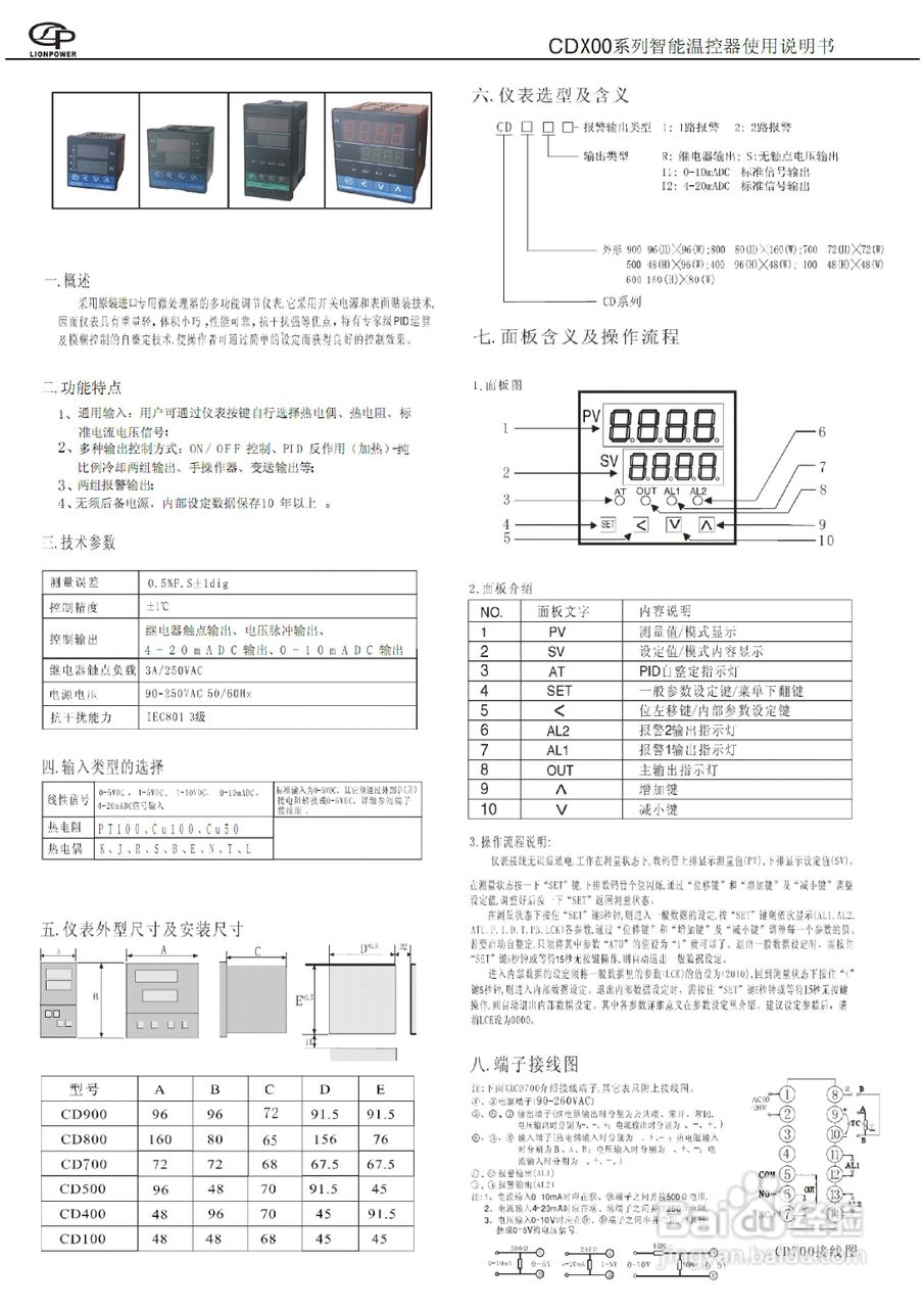
狮威CD100智能温控器使用说明书
2026-02-06 19:49:58
声明:
本网站引用、摘录或转载内容仅供网站访问者交流或参考,不代表本站立场,如存在版权或非法内容,请联系站长删除,联系邮箱:site.kefu@qq.com。
相关推荐
狮威CD100-E温度控制调节仪使用说明书
阅读量:53
中国最牛几台车,京A00001到9连号,谁也不敢惹
阅读量:20
设计美观,经济耐用钢结构雨棚
阅读量:99
虫草花椰子老鸡汤
阅读量:97
上高速没带现金怎么办?
阅读量:111
猜你喜欢
wuli是什么意思
他山之石可以攻玉是什么意思
百合是什么意思
腿粗穿什么裤子
邋遢什么意思
group是什么意思
said是什么意思
遗孀什么意思
猝不及防的意思
现在流行什么歌曲
猜你喜欢
路肩是什么意思
赤字是什么意思
短pr间期是什么意思
become是什么意思
手机串号有什么用
做梦拉屎是什么意思
汽车改色需要什么手续
膜拜什么意思
平行志愿是什么意思
穿山甲鳞片的作用