小度生活
首页
美食营养
手工爱好
生活家居
返回
小度生活
首页
美食营养
游戏数码
手工爱好
生活家居
健康养生
运动户外
职场理财
情感交际
母婴教育
时尚美容
知识问答
生活知识
搜索
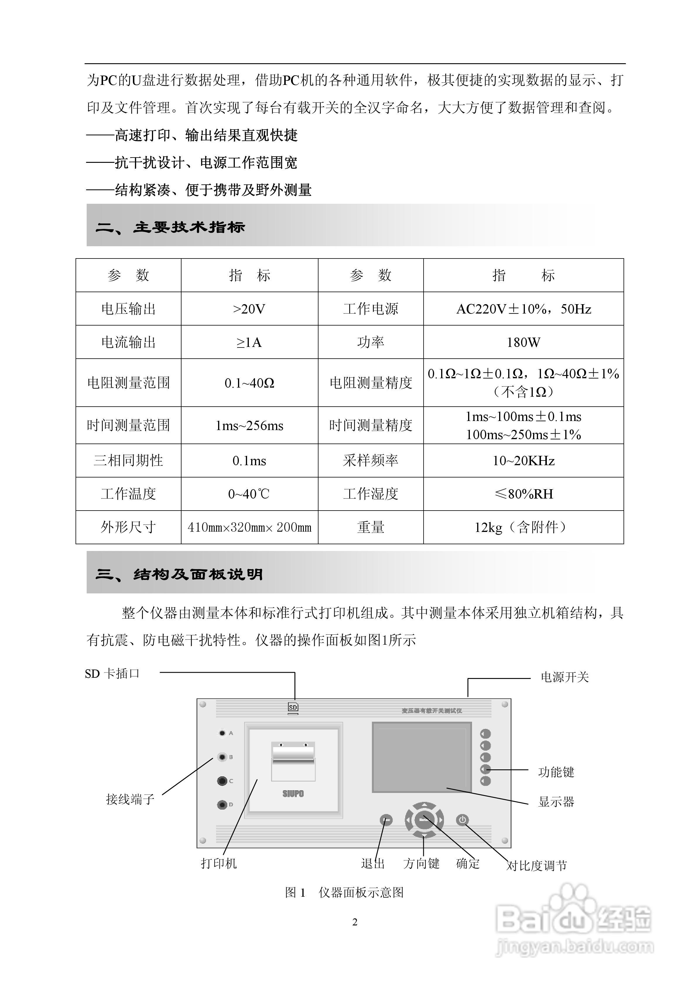
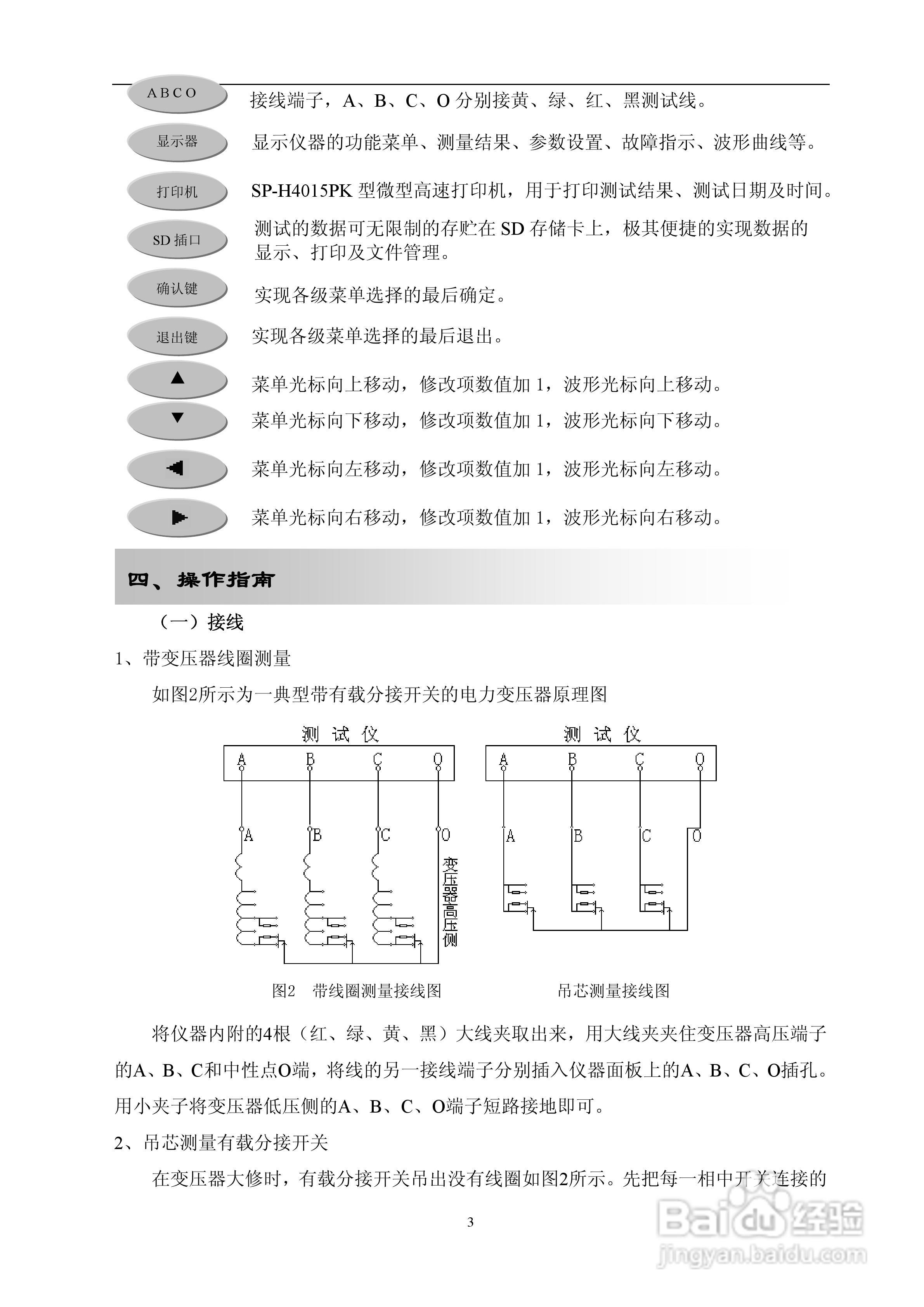
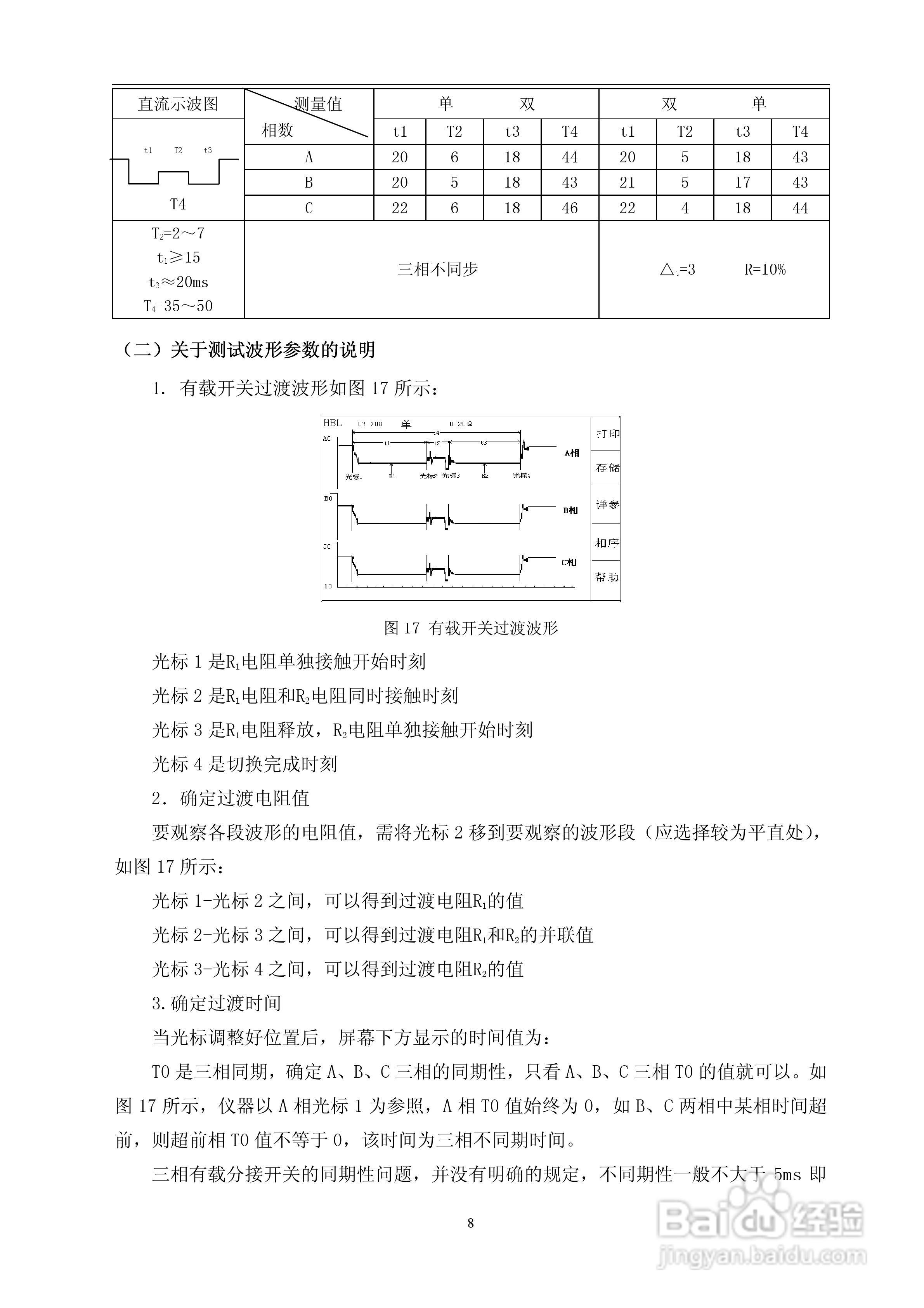
TE2060 变压器有载分接开关测试仪说明书
2025-10-31 22:50:28
声明:
本网站引用、摘录或转载内容仅供网站访问者交流或参考,不代表本站立场,如存在版权或非法内容,请联系站长删除,联系邮箱:site.kefu@qq.com。
相关推荐
变压器有载分接开关测试仪使用方法
阅读量:72
变压器有载分接开关测试仪操作方法
阅读量:191
DCBYC-S变压器有载开关测试仪 使用说明书
阅读量:138
变压器有载分接开关测试仪
阅读量:63
变压器有载分接开关测试试验
阅读量:68
猜你喜欢
什么人不能吃香蕉
鼓励的反义词是什么
好先生结局是什么
jms是什么意思
什么是供应链管理
转关是什么意思
上海什么时候开学
装饰艺术运动
卫冕是什么意思
运动会加油稿800米
猜你喜欢
什么是g大调
戴的部首是什么偏旁
awesome是什么意思
什么是外包公司
女生适合什么专业
吸氧机什么牌子好
gis是什么
物以类聚人以群分什么意思
日新月异是什么意思
反右运动