小度生活
首页
美食营养
手工爱好
生活家居
返回
小度生活
首页
美食营养
游戏数码
手工爱好
生活家居
健康养生
运动户外
职场理财
情感交际
母婴教育
时尚美容
知识问答
生活知识
生活百科
搜索
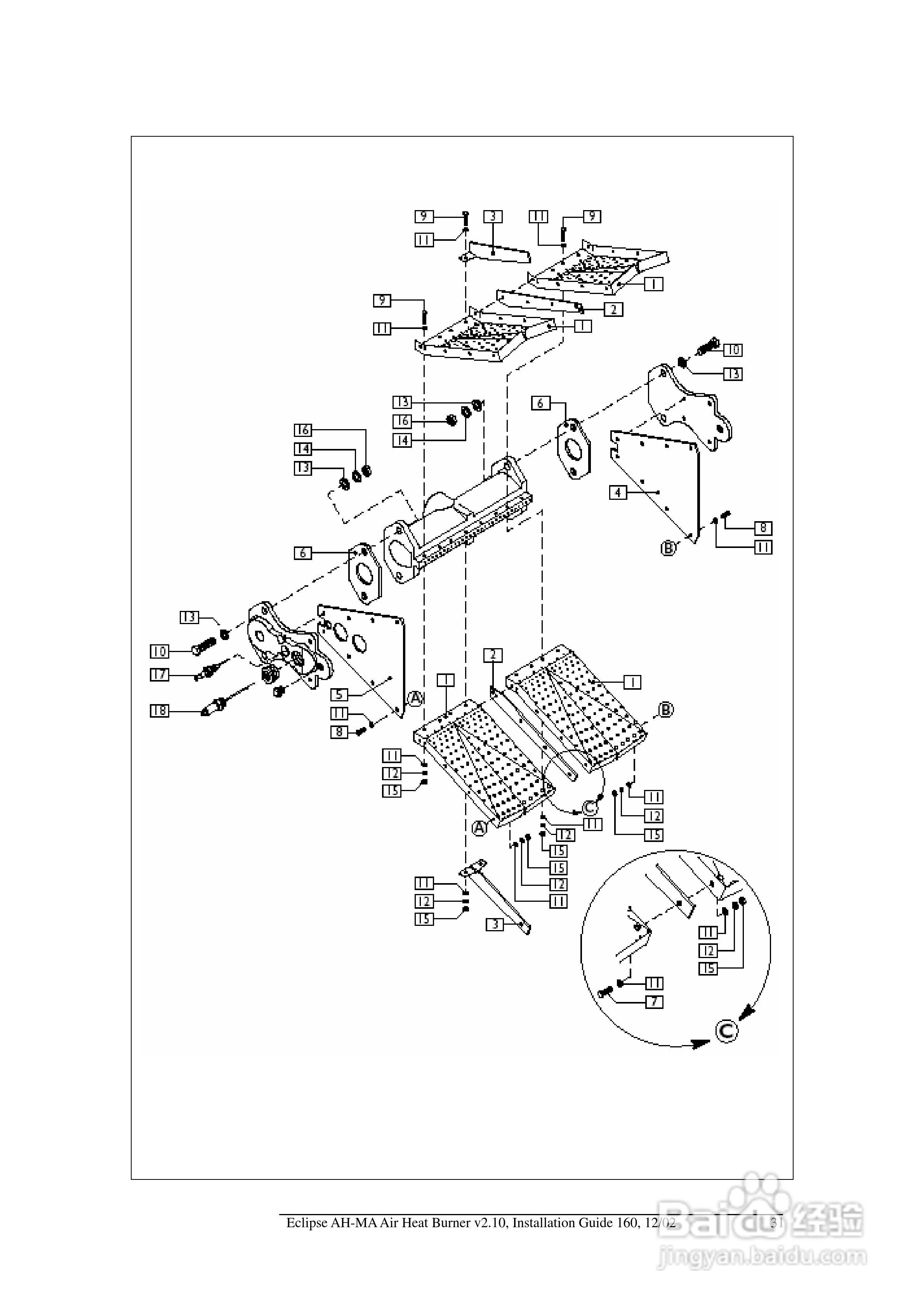
ECLIPSE AirHeat燃烧器AH-MA系列安装说明书:[4]
2026-04-15 17:00:43
本篇为《ECLIPSE AirHeat燃烧器AH-MA系列安装说明书》,主要介绍该产品的使用方法以及常见故障解决方案。
(共篇)
上一篇:
声明:
本网站引用、摘录或转载内容仅供网站访问者交流或参考,不代表本站立场,如存在版权或非法内容,请联系站长删除,联系邮箱:site.kefu@qq.com。
相关推荐
燃烧器操作时注意事项
阅读量:45
eclipse怎么调试代码?eclipse怎么debug代码?
阅读量:79
eclipse的下载和安装
阅读量:80
如何安装eclipse
阅读量:129
怎么下载eclipse
阅读量:35
猜你喜欢
好段摘抄大全100字
鼻炎的治疗方法
数列求和方法
真的笔顺怎么写
鸡脖子怎么做好吃
危险源辨识方法
迷你世界激活码大全未使用
火腿肠怎么做好吃
月经期怎么减肥
家常早餐
猜你喜欢
甲亢治疗方法
好吃的零食
家常豆腐的做法视频
小便失禁的治疗方法
维c银翘片怎么样
心脏肥大的治疗方法
成都火锅哪家好吃
紫檀手串怎么盘
少儿频道动画片大全
练腹肌最有效的方法