小度生活
首页
美食营养
手工爱好
生活家居
返回
小度生活
首页
美食营养
游戏数码
手工爱好
生活家居
健康养生
运动户外
职场理财
情感交际
母婴教育
时尚美容
知识问答
生活知识
生活百科
搜索
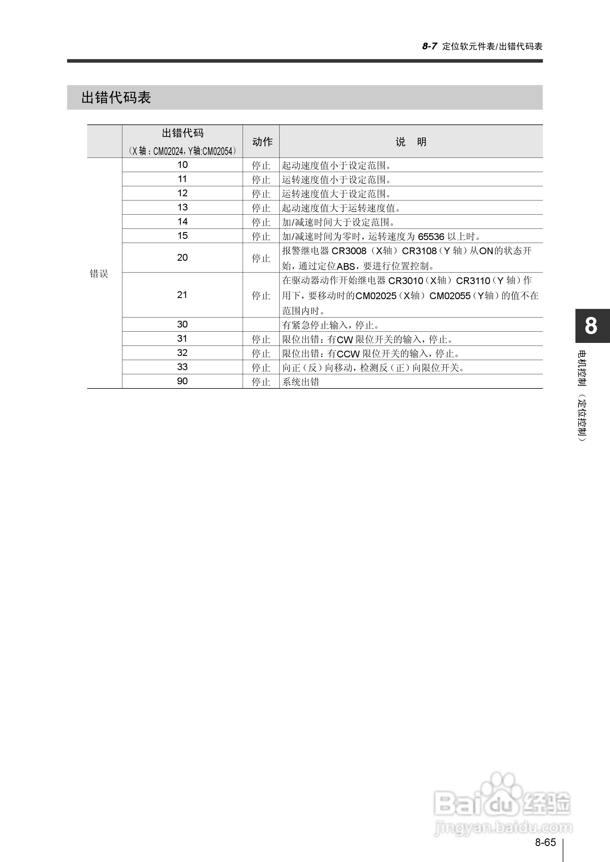
基恩士KV-1000系列高速多功能应用电力网络路由器说明:[35]
2026-05-10 21:10:26
本篇为《基恩士KV-1000系列高速多功能应用电力网络路由器说明》,主要介绍该产品的使用方法以及常见故障解决方案。
(共篇)
上一篇:
|
下一篇:
声明:
本网站引用、摘录或转载内容仅供网站访问者交流或参考,不代表本站立场,如存在版权或非法内容,请联系站长删除,联系邮箱:site.kefu@qq.com。
相关推荐
基恩士KV-1000系列高速多功能应用电力网络路由器说明:[31]
阅读量:169
基恩士KV-1000系列高速多功能应用电力网络路由器说明:[28]
阅读量:46
基恩士KV-1000系列高速多功能应用电力网络路由器说明:[26]
阅读量:84
基恩士扫描仪扫描区域怎样设定
阅读量:88
基恩士扫描仪怎么连接电脑
阅读量:102
猜你喜欢
白茯苓怎么吃
绚丽多彩怎么造句
弹弹堂怎么玩
虚拟网卡怎么设置
慈溪在哪里
lol超频了怎么办
如何修改电脑开机密码
电脑触摸板怎么关闭
硬盘有坏道怎么修复
wifi路由器设置
猜你喜欢
0571是哪里的区号
028是哪里的区号
身份证如何补办
水煮鱼的鱼片怎么切
手机回收站在哪里
恩施在哪里属于哪个省
少女如何丰胸
乐途旅游
哪里可以看美剧
藤门留学怎么样