小度生活
首页
美食营养
手工爱好
生活家居
返回
小度生活
首页
美食营养
游戏数码
手工爱好
生活家居
健康养生
运动户外
职场理财
情感交际
母婴教育
时尚美容
知识问答
生活知识
生活百科
搜索
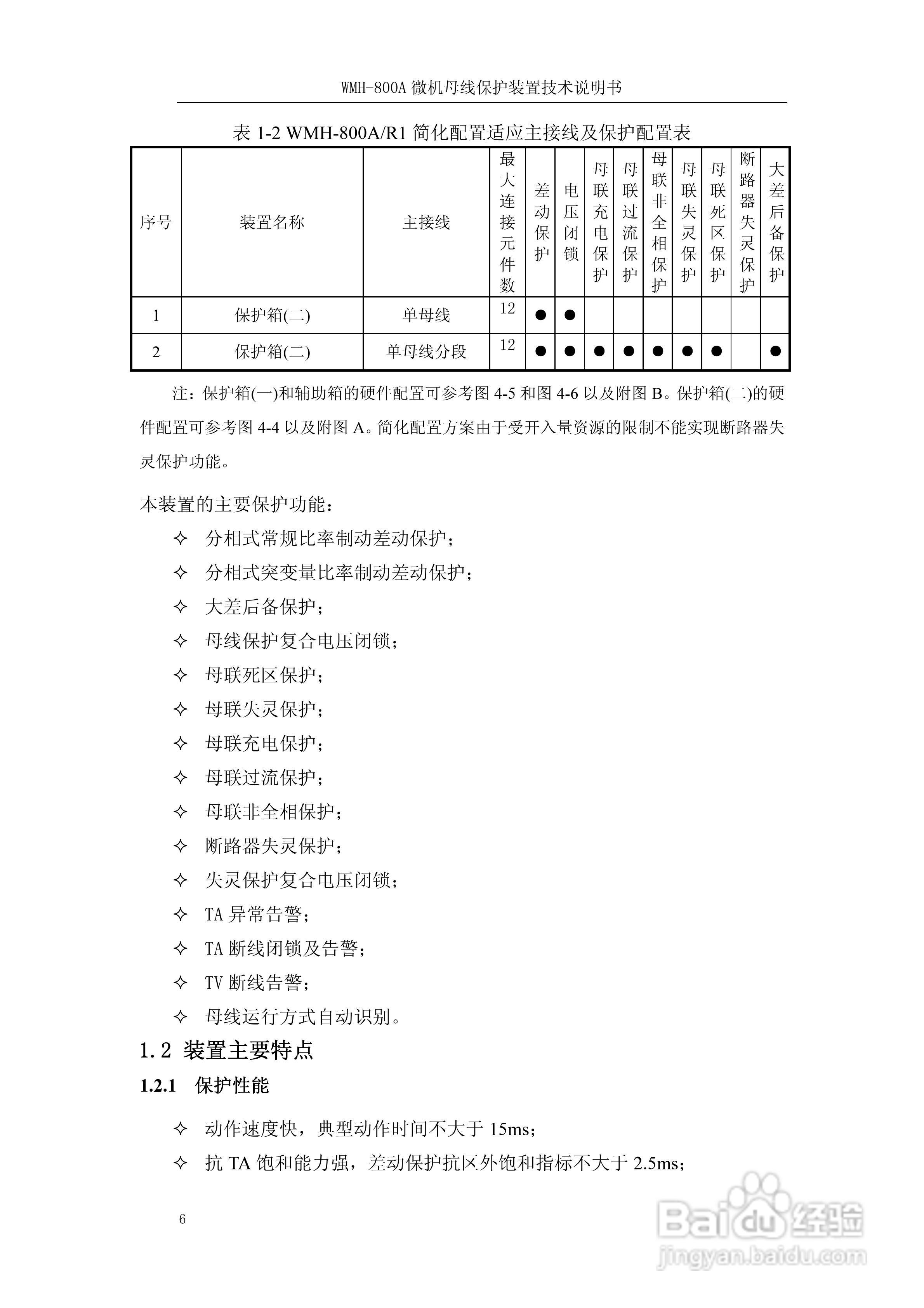
WMH-800A母线保护装置使用说明书:[1]
2026-05-24 07:42:01
本篇为《WMH-800A母线保护装置使用说明书》,主要介绍该产品的使用方法以及常见故障解决方案。
(共篇)
下一篇:
声明:
本网站引用、摘录或转载内容仅供网站访问者交流或参考,不代表本站立场,如存在版权或非法内容,请联系站长删除,联系邮箱:site.kefu@qq.com。
相关推荐
WMH-800A母线保护装置使用说明书:[4]
阅读量:74
南瑞RCS-915E型微机母线保护装置使用说明书:[1]
阅读量:66
南瑞RCS-915GD微机母线保护装置使用说明书:[1]
阅读量:95
四方CSC-150数字式母线保护装置说明书:[1]
阅读量:163
BP-2B微机母线保护装置技术说明书:[1]
阅读量:196
猜你喜欢
期房是什么意思
奇怪的反义词是什么
预科班什么意思
股票xd开头什么意思
long是什么意思
back是什么意思
august是什么意思
日食是什么
11月21日是什么星座
千里共婵娟什么意思
猜你喜欢
pahs是什么意思
lbs是什么意思
lc是什么意思
buff是什么意思
自由可投是什么意思
12月22日是什么星座
鼻子出血是什么原因
1957年属什么生肖
剥夺政治权利是什么意思
dior是什么牌子