小度生活
首页
美食营养
手工爱好
生活家居
返回
小度生活
首页
美食营养
游戏数码
手工爱好
生活家居
健康养生
运动户外
职场理财
情感交际
母婴教育
时尚美容
知识问答
生活知识
搜索
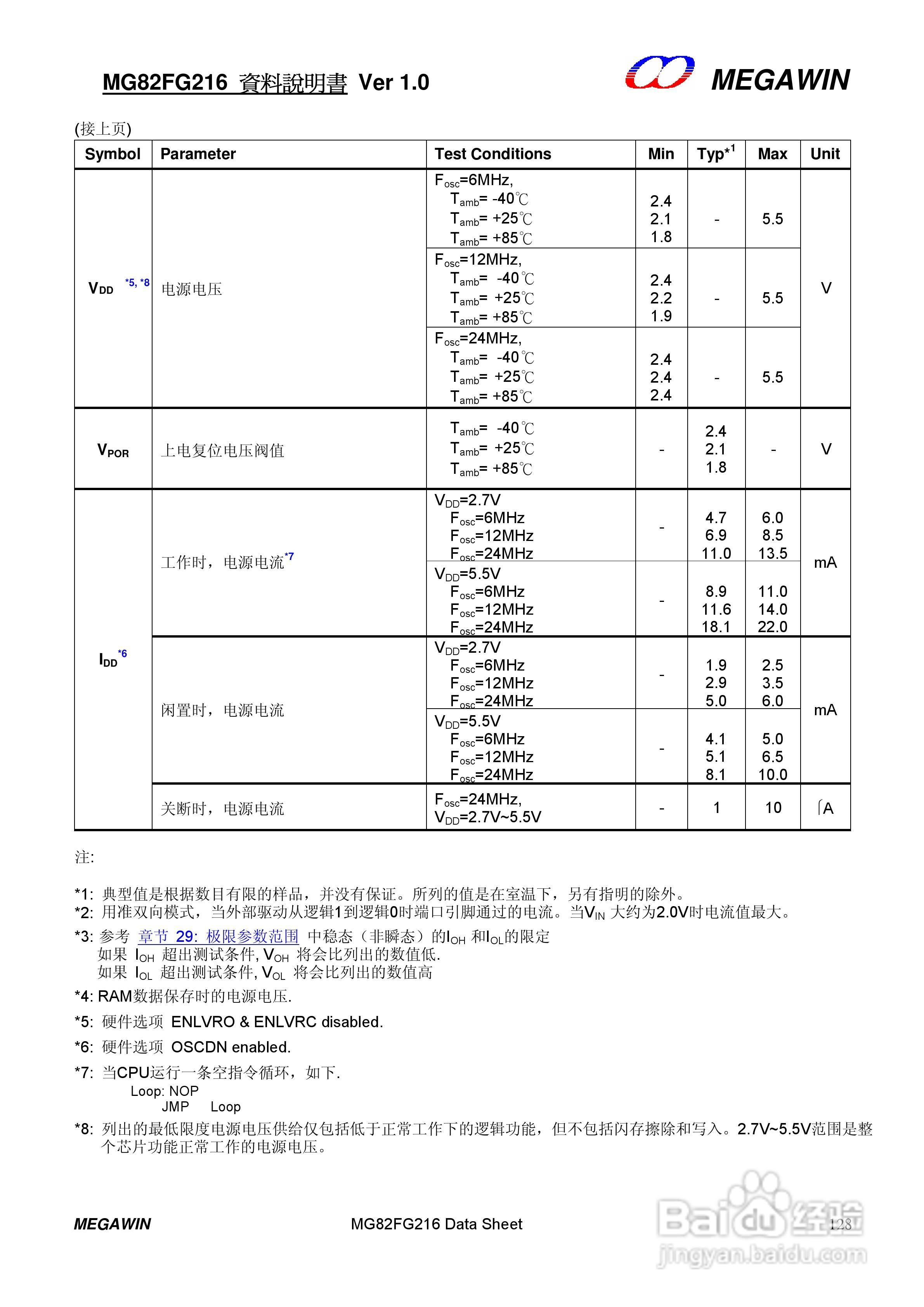
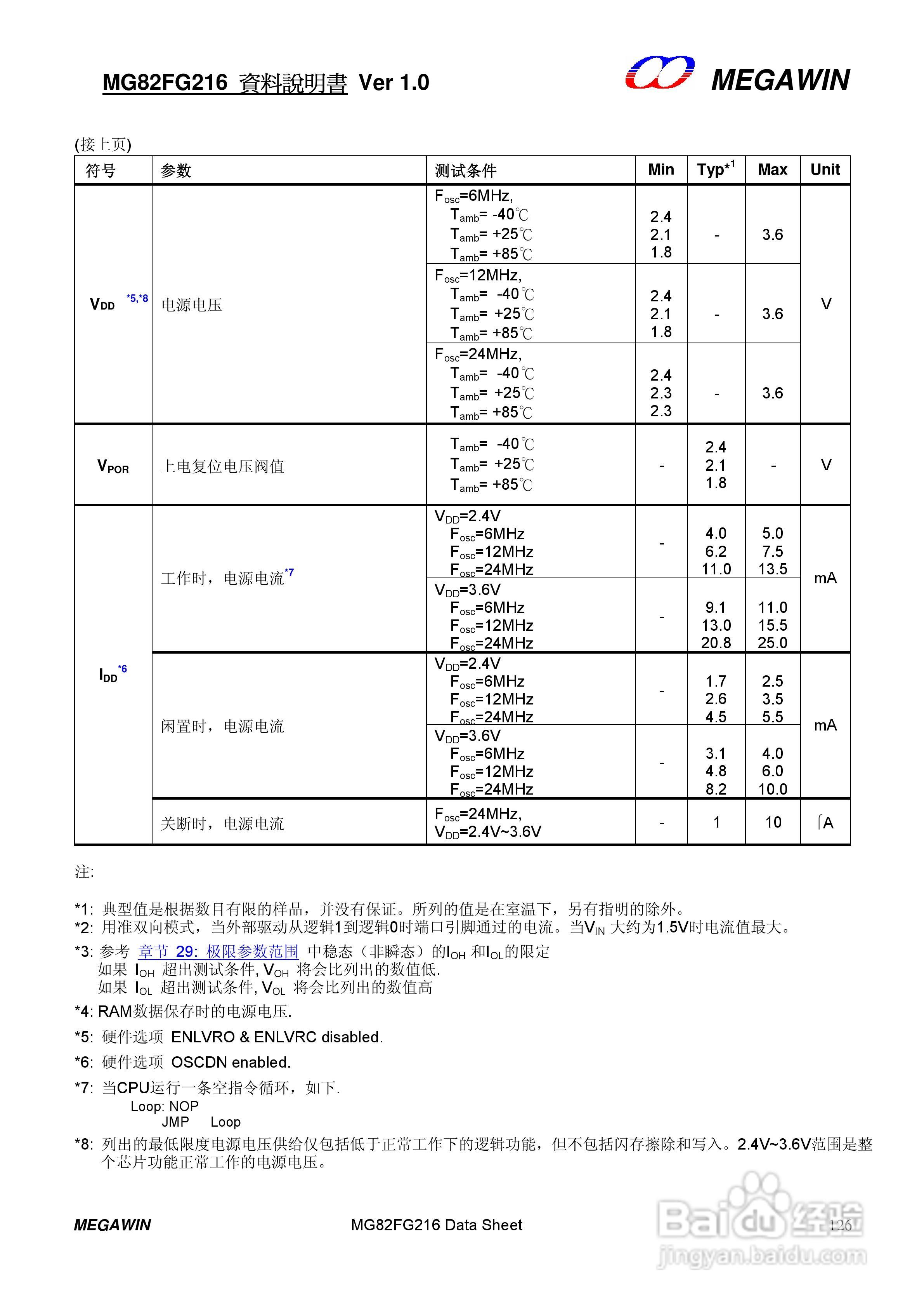
MEGAWIN MG82FG216 8 位微处理器用户手册:[13]
2026-01-12 22:04:00
本篇为《MEGAWIN MG82FG216 8 位微处理器用户手册》,主要介绍该产品的使用方法以及常见故障解决方案。
(共篇)
上一篇:
|
下一篇:
声明:
本网站引用、摘录或转载内容仅供网站访问者交流或参考,不代表本站立场,如存在版权或非法内容,请联系站长删除,联系邮箱:site.kefu@qq.com。
相关推荐
MEGAWIN MG82FG216 8 位微处理器用户手册:[8]
阅读量:142
MEGAWIN MG82FG216 8 位微处理器用户手册:[7]
阅读量:177
8700k超频教程
阅读量:67
8.0地狱火堡垒老一怎么单刷
阅读量:163
8道清热解毒汤的做法
阅读量:22
猜你喜欢
充电宝什么牌子最好
公元是什么意思
use是什么意思
百合粉的功效与作用
pc是什么意思
awkward什么意思
蛇毒的作用
加湿器有什么作用
atm是什么意思
什么是虚拟内存
猜你喜欢
圆脸适合剪什么发型
厨房台面用什么材料好
什么是鼠标手
mc是什么意思
不甘示弱的意思
公务员遴选考什么
番茄的作用
络绎不绝是什么意思
无功补偿的作用
客厅地砖用什么砖好