小度生活
首页
美食营养
手工爱好
生活家居
返回
小度生活
首页
美食营养
游戏数码
手工爱好
生活家居
健康养生
运动户外
职场理财
情感交际
母婴教育
时尚美容
知识问答
生活知识
生活百科
搜索
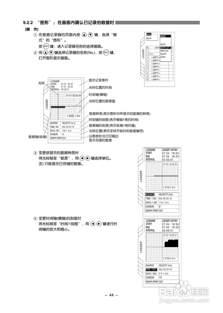
富士电机FLC-2便携式超声波流量计说明书:[6]
2026-04-18 03:07:48
本篇为《富士电机FLC-2便携式超声波流量计说明书》,主要介绍该产品的使用方法以及常见故障解决方案。
(共篇)
上一篇:
|
下一篇:
声明:
本网站引用、摘录或转载内容仅供网站访问者交流或参考,不代表本站立场,如存在版权或非法内容,请联系站长删除,联系邮箱:site.kefu@qq.com。
相关推荐
富士电机FLC-2便携式超声波流量计说明书:[11]
阅读量:53
富士电机FLD-1便携式超声波流量计说明书:[2]
阅读量:152
富士电机FLD-1便携式超声波流量计说明书:[1]
阅读量:64
富士电机FLD-1便携式超声波流量计说明书:[7]
阅读量:70
富士电机FLD-1便携式超声波流量计说明书:[10]
阅读量:119
猜你喜欢
烤鸡翅的做法烤箱
caj文件怎么打开
余五笔怎么打
鸡汤怎么炖好喝
刘晓庆为什么坐牢
微信置顶文字怎么设置
pizza的做法
曹字五笔怎么打
掮怎么读
萝卜炖肉的家常做法
猜你喜欢
戴尔笔记本怎么样
土豆丝怎么炒好吃
妊娠纹怎么消除
香包怎么做
林彪为什么叛逃
uzi为什么叫乌兹
mrs怎么读
黄花鱼怎么做好吃
辞职报告怎么写
速冻饺子怎么煮