小度生活
首页
美食营养
手工爱好
生活家居
返回
小度生活
首页
美食营养
游戏数码
手工爱好
生活家居
健康养生
运动户外
职场理财
情感交际
母婴教育
时尚美容
知识问答
生活知识
生活百科
搜索
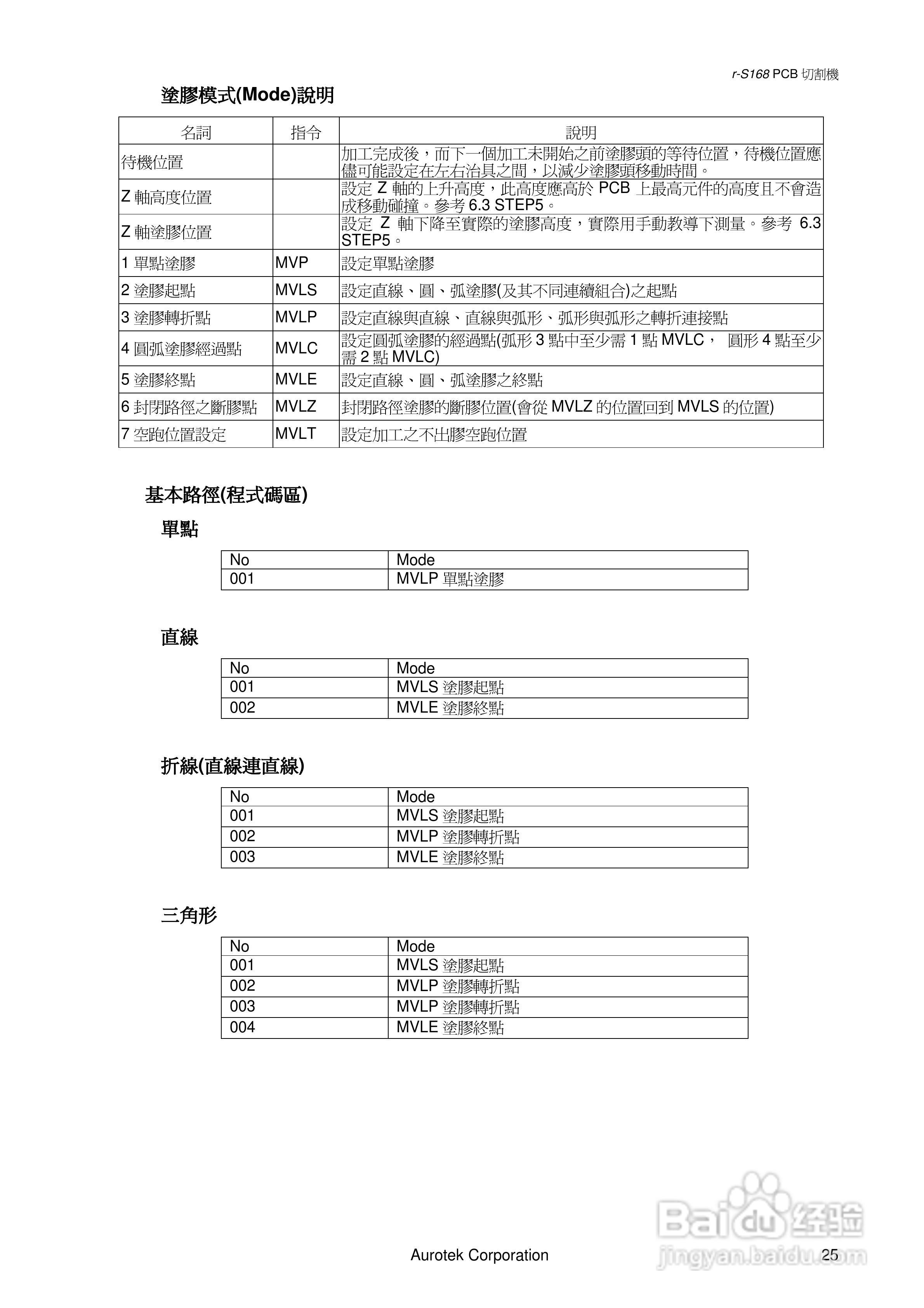
Aurotek r-S168SADS涂胶机使用手册:[4]
2026-05-11 09:51:41
本篇为《Aurotek r-S168SADS涂胶机使用手册》,主要介绍该产品的使用方法以及常见故障解决方案。
(共篇)
上一篇:
|
下一篇:
声明:
本网站引用、摘录或转载内容仅供网站访问者交流或参考,不代表本站立场,如存在版权或非法内容,请联系站长删除,联系邮箱:site.kefu@qq.com。
相关推荐
Aurotek r-S168SADS涂胶机使用手册:[7]
阅读量:149
Aurotek r-s168PCB切割机使用手册:[4]
阅读量:106
Aurotek r-s168PCB切割机使用手册:[1]
阅读量:186
Aurotek r-s168PCB切割机使用手册:[3]
阅读量:62
Aurotek Y-S168SA 2-Slide PCB切割机使用手册:[4]
阅读量:79
猜你喜欢
兰花怎么养才能开花
英雄联盟崩溃怎么解决
耳朵里面很痒是怎么回事
长冻疮了怎么办
苹果铃声怎么下载
天使英文怎么写
电是怎么来的
红烧大排怎么做
嗓子痒怎么办
邮箱密码忘记了怎么办
猜你喜欢
华硕飞行堡垒怎么样
发箍怎么戴好看
怎么切鱼片
苹果夜间模式怎么设置
中国石油大学怎么样
敷衍怎么演
word怎么看字数
论文题目怎么定
想离婚怎么办
企业类别怎么填