小度生活
首页
美食营养
手工爱好
生活家居
返回
小度生活
首页
美食营养
游戏数码
手工爱好
生活家居
健康养生
运动户外
职场理财
情感交际
母婴教育
时尚美容
知识问答
生活知识
搜索
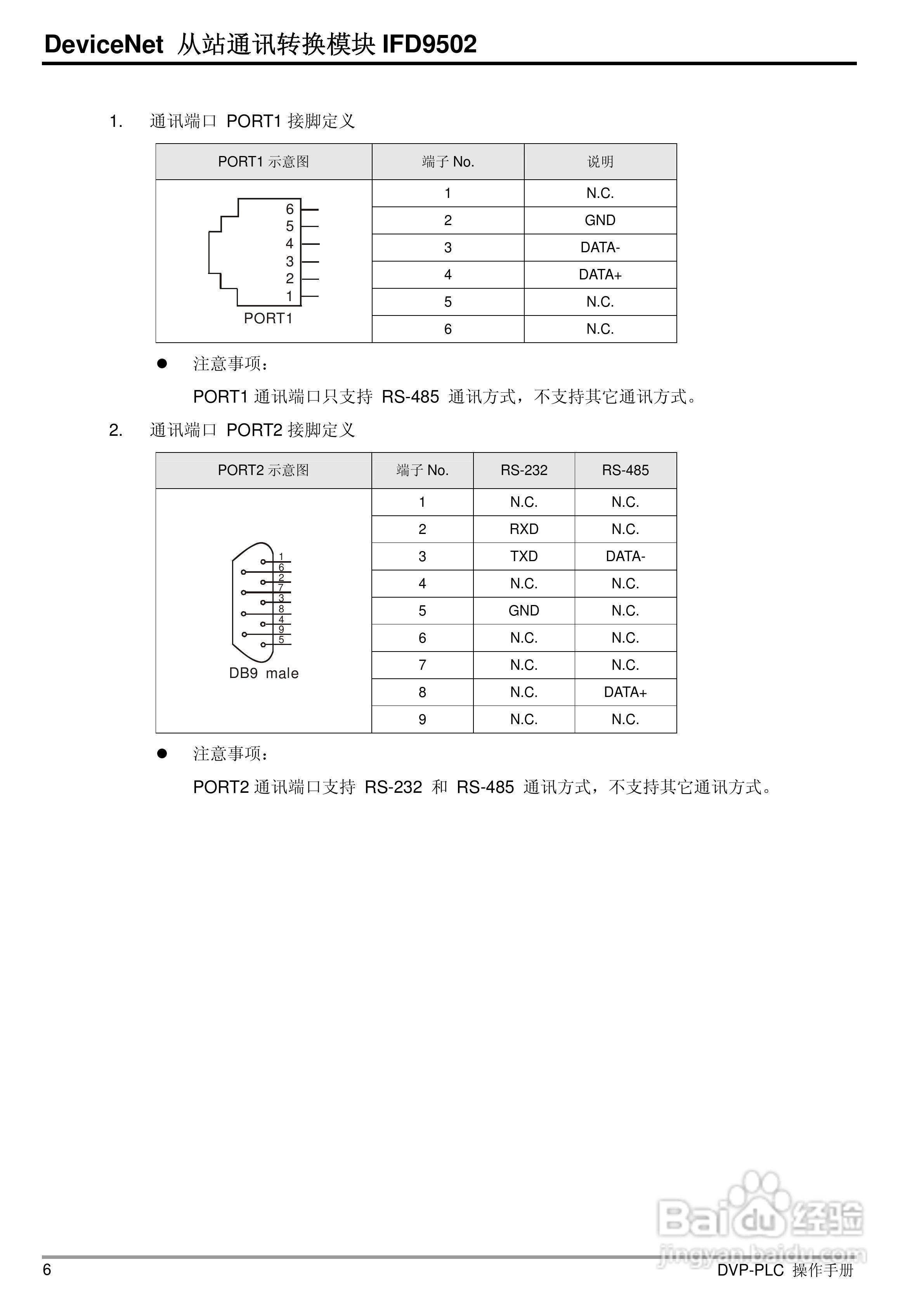
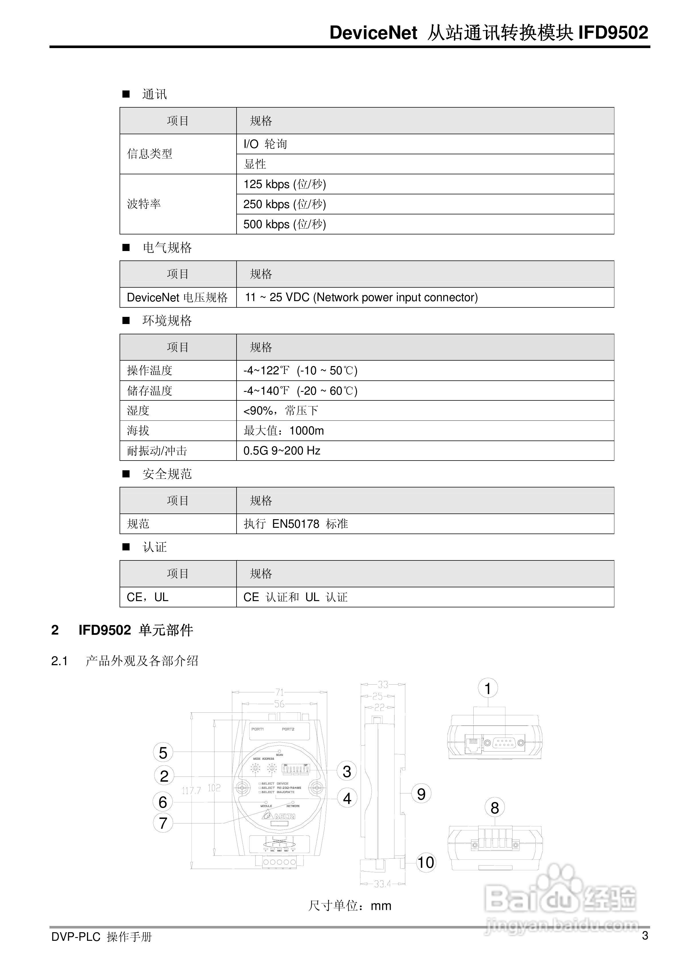
台达IFD9502 DeviceNet 从站通讯转换模组操作手册:[1]
2025-10-26 05:50:33
本篇为《台达IFD9502 DeviceNet 从站通讯转换模组操作手册》,主要介绍该产品的使用方法以及常见故障解决方案。
(共篇)
下一篇:
声明:
本网站引用、摘录或转载内容仅供网站访问者交流或参考,不代表本站立场,如存在版权或非法内容,请联系站长删除,联系邮箱:site.kefu@qq.com。
相关推荐
台达DVPDNET-SL DeviceNet扫描模组操作说明书:[2]
阅读量:140
AutoCAD如何使用相机并创建运动路径查看动画
阅读量:57
CAD如何拾取点继承特性快速填充图案
阅读量:138
CAD三维建模——砂锅把手模型制作教程
阅读量:192
AutoCAD如何运用等分命令
阅读量:52
猜你喜欢
national是什么意思
心如止水是什么意思
水洗皮是什么皮
手机基带是什么
3p是什么
鹤立鸡群是什么意思
语重心长是什么意思
0x0000008e蓝屏代码是什么意思
复试一般问什么问题
acg是什么意思
猜你喜欢
心肌酶高是什么原因
litter是什么意思
厌氧菌是什么
阿里巴巴诚信通是什么
sad什么意思
苹果卡贴是什么
我总在每一个黑夜想你是什么歌
公摊面积是什么意思
乳液是什么
团长是什么级别