小度生活
首页
美食营养
手工爱好
生活家居
返回
小度生活
首页
美食营养
游戏数码
手工爱好
生活家居
健康养生
运动户外
职场理财
情感交际
母婴教育
时尚美容
知识问答
生活知识
生活百科
搜索
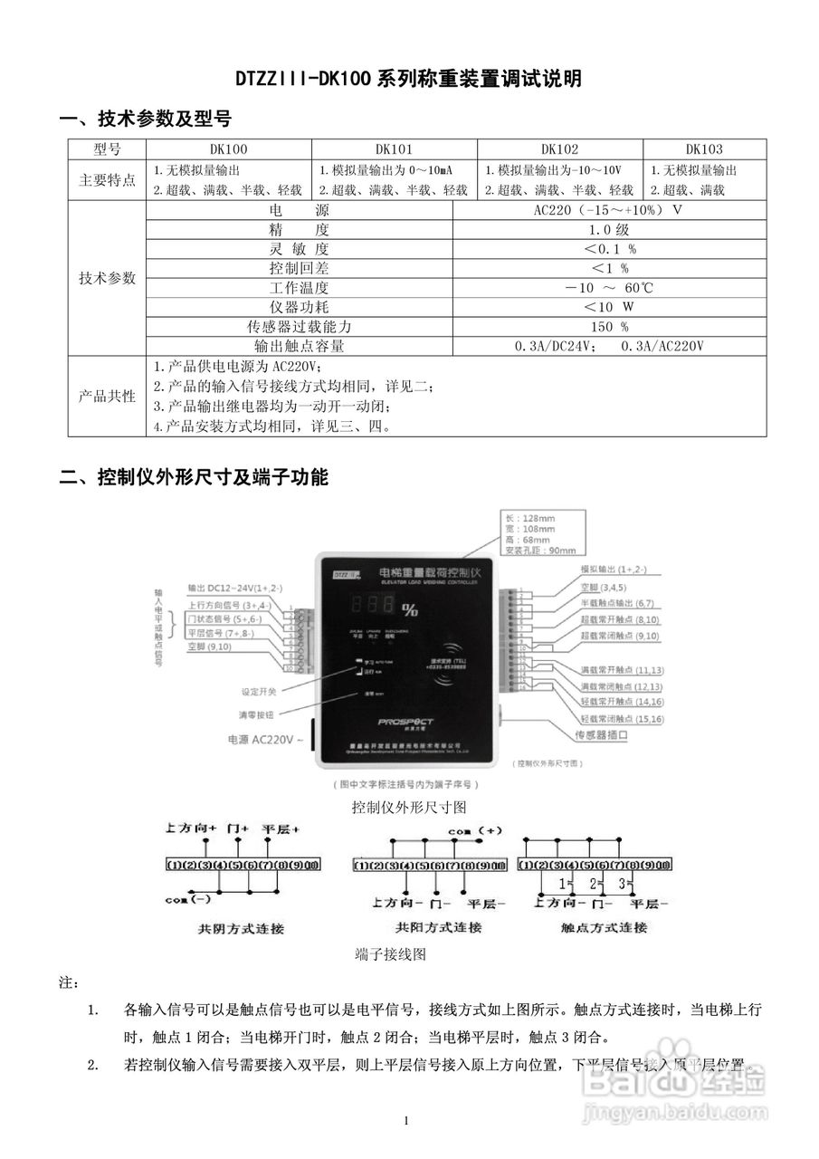
DTZZIII-DK100称重控制仪使用说明书
2026-04-04 01:54:25
声明:
本网站引用、摘录或转载内容仅供网站访问者交流或参考,不代表本站立场,如存在版权或非法内容,请联系站长删除,联系邮箱:site.kefu@qq.com。
相关推荐
打乒乓球如何使动作定型
阅读量:72
可移动磁盘在磁盘管理中显示没有初始化
阅读量:27
胎心监护不过关是胎儿问题?孕妇会影响胎儿监测
阅读量:58
干煸豆角最简单的做法
阅读量:178
清蒸鸡胸肉怎么做
阅读量:144
猜你喜欢
玉米汁的功效与作用
防蓝光眼镜什么牌子好
鹿角霜的功效与作用
梅花牌运动服
八年级上册生物知识点
忘不了你的什么作文
软件工程专业学什么
葛根粉的功效与作用
什么叫软文
有什么电视剧好看
猜你喜欢
什么是定滑轮
九香虫的功效与作用
放学后运动短裤和教室
枸杞有什么作用
什么叫文献综述
木耳的功效与作用
运动会通知
什么的蒲公英
疫情防控知识
什么祛斑产品好