小度生活
首页
美食营养
手工爱好
生活家居
返回
小度生活
首页
美食营养
游戏数码
手工爱好
生活家居
健康养生
运动户外
职场理财
情感交际
母婴教育
时尚美容
知识问答
生活知识
搜索
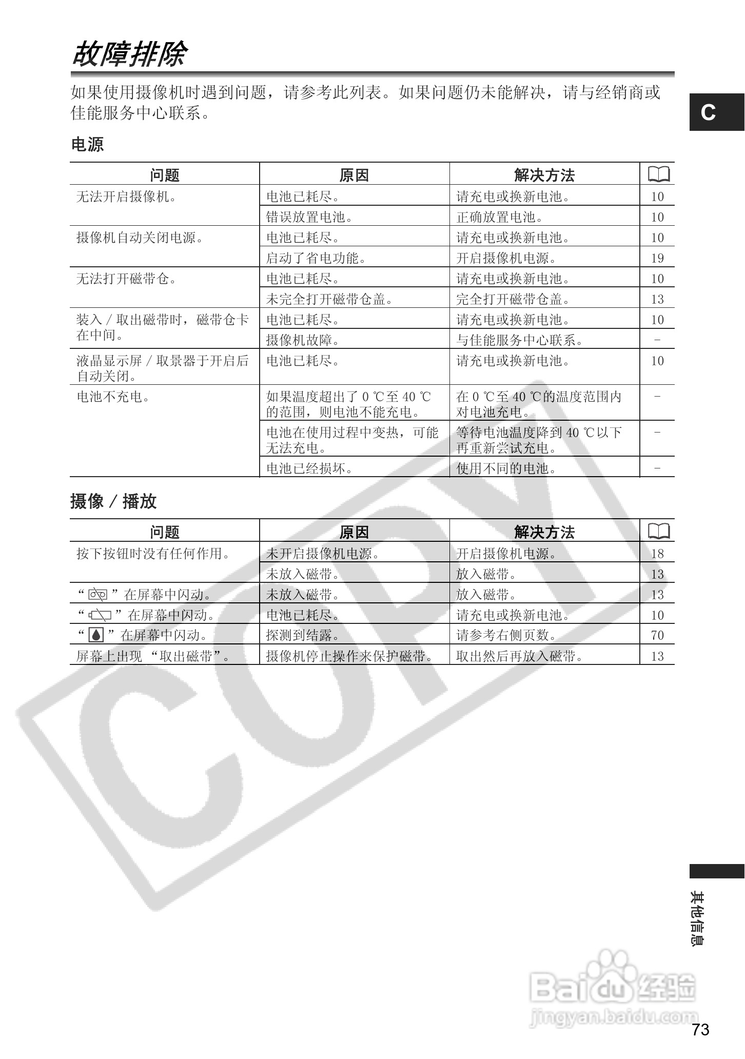
佳能MV890数码摄像机使用说明书:[8]
2025-10-24 23:11:40
本篇为《佳能MV890数码摄像机使用说明书》,主要介绍该产品的使用方法以及常见故障解决方案。
(共篇)
上一篇:
|
下一篇:
声明:
本网站引用、摘录或转载内容仅供网站访问者交流或参考,不代表本站立场,如存在版权或非法内容,请联系站长删除,联系邮箱:site.kefu@qq.com。
相关推荐
佳能MV890数码摄像机使用说明书:[6]
阅读量:128
佳能MV880Xi数码摄像机使用说明书:[8]
阅读量:107
佳能MV5i数码摄像机使用说明书:[8]
阅读量:23
佳能相机5d单机如何使用
阅读量:116
佳能无线打印机怎么连接手机
阅读量:170
猜你喜欢
january怎么读
为什么我这么快射
怎么下载微信
端午节为什么要赛龙舟
银行卡怎么注销
工作描述怎么写
超人为什么穿紧身衣
阿道夫洗发水怎么样
圆的面积怎么求
鸡蛋怎么做好吃
猜你喜欢
小便尿血是怎么回事
韩国冷面的做法
爱奇艺会员怎么取消自动续费
蟹味菇的家常做法
猪肚汤的家常做法
黄金为什么降价
怎么学唱歌
耳朵里流黄水怎么回事
企业所得税怎么算
天气丹化妆品怎么样