深圳赋安AFN5050/AFN5080/AFN100/AFN80火灾报警控制器:[2]

2026-04-22 15:22:28

本篇为《深圳赋安AFN5050/AFN5080/AFN100/AFN80火灾报警控制器》,主要介绍该产品的使用方法以及常见故障解决方案。


深圳赋安AFN5050/AFN5080/AFN100/AFN80火灾报警控制器:[2]

深圳赋安AFN5050/AFN5080/AFN100/AFN80火灾报警控制器:[2]

深圳赋安AFN5050/AFN5080/AFN100/AFN80火灾报警控制器:[2]

深圳赋安AFN5050/AFN5080/AFN100/AFN80火灾报警控制器:[2]

深圳赋安AFN5050/AFN5080/AFN100/AFN80火灾报警控制器:[2]

深圳赋安AFN5050/AFN5080/AFN100/AFN80火灾报警控制器:[2]

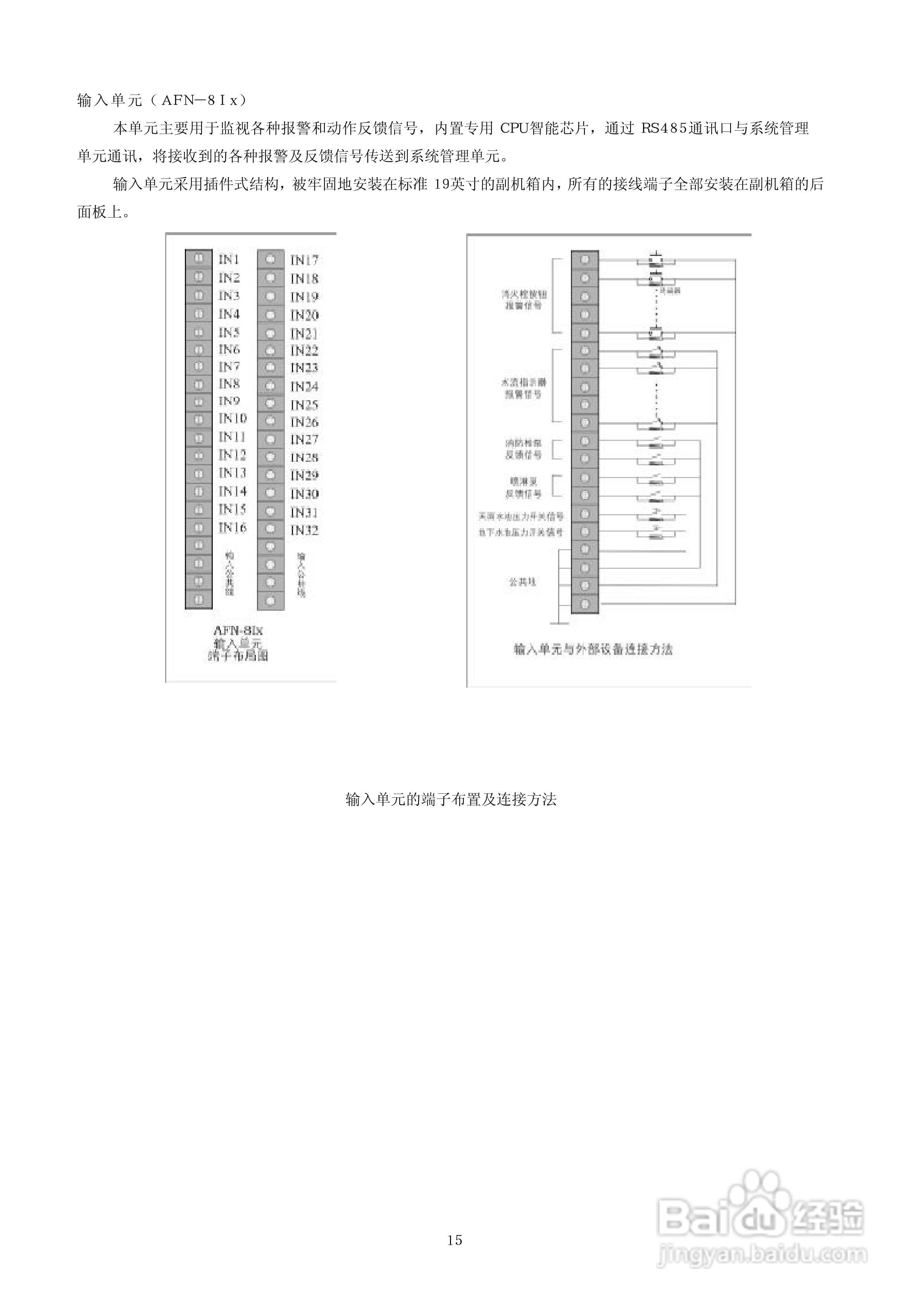
深圳赋安AFN5050/AFN5080/AFN100/AFN80火灾报警控制器:[2]

深圳赋安AFN5050/AFN5080/AFN100/AFN80火灾报警控制器:[2]

深圳赋安AFN5050/AFN5080/AFN100/AFN80火灾报警控制器:[2]

深圳赋安AFN5050/AFN5080/AFN100/AFN80火灾报警控制器:[2]

(共篇)上一篇:|下一篇:
声明:本网站引用、摘录或转载内容仅供网站访问者交流或参考,不代表本站立场,如存在版权或非法内容,请联系站长删除,联系邮箱:site.kefu@qq.com。
猜你喜欢