小度生活
首页
美食营养
手工爱好
生活家居
返回
小度生活
首页
美食营养
游戏数码
手工爱好
生活家居
健康养生
运动户外
职场理财
情感交际
母婴教育
时尚美容
知识问答
生活知识
搜索
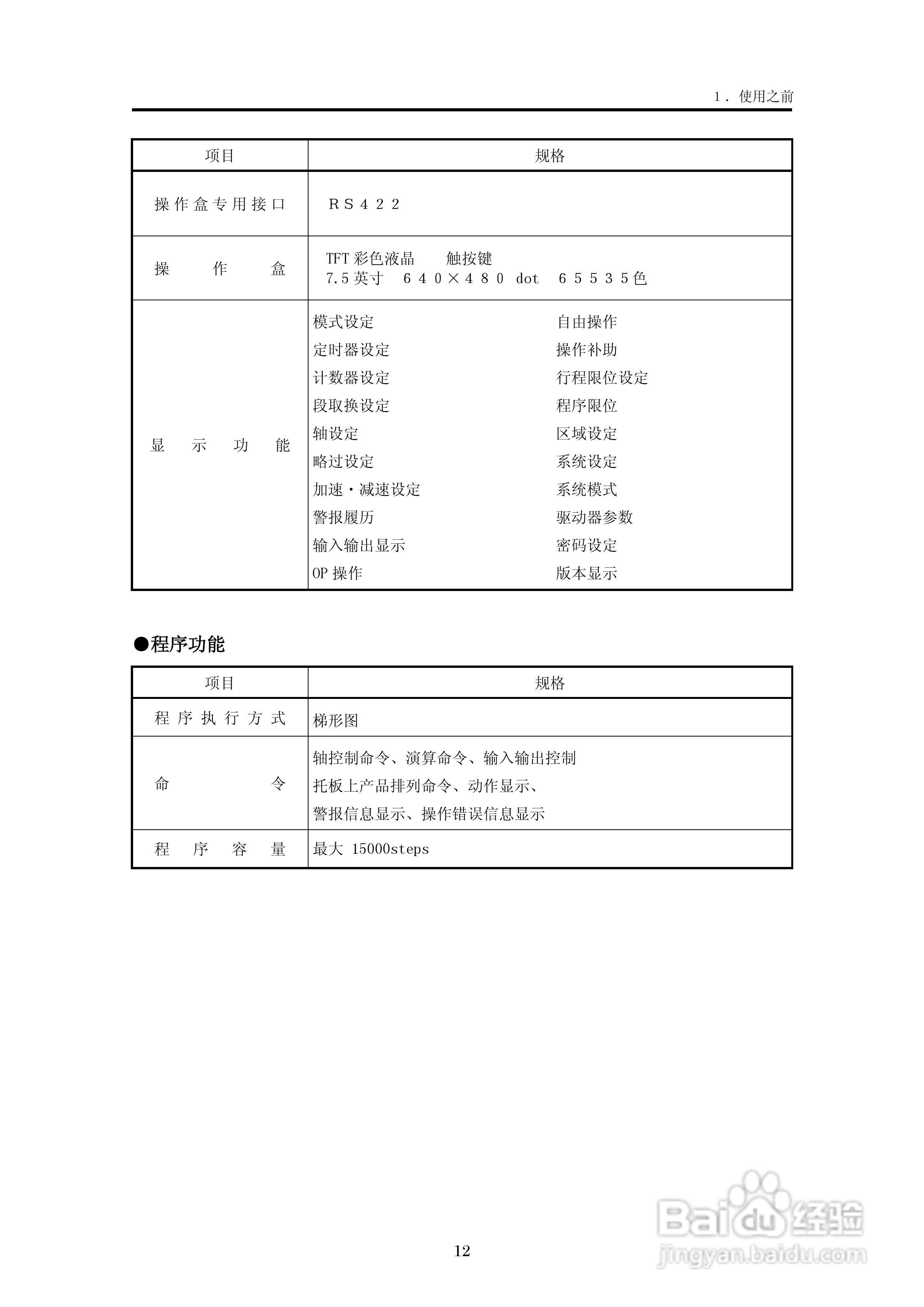
YUDO STEC-NA2机械手用控制器说明书:[2]
2026-02-18 05:17:18
本篇为《YUDO STEC-NA2机械手用控制器说明书》,主要介绍该产品的使用方法以及常见故障解决方案。
(共篇)
上一篇:
|
下一篇:
声明:
本网站引用、摘录或转载内容仅供网站访问者交流或参考,不代表本站立场,如存在版权或非法内容,请联系站长删除,联系邮箱:site.kefu@qq.com。
相关推荐
YUDO STEC-NA2机械手用控制器说明书:[12]
阅读量:135
STEC-NA1a机械手控制器使用说明书:[2]
阅读量:190
STEC-NA1a机械手控制器使用说明书:[7]
阅读量:25
STEC-NA1a机械手控制器使用说明书:[1]
阅读量:132
STEC-NA1a机械手控制器使用说明书:[4]
阅读量:36
猜你喜欢
羊肉和什么不能同吃
注销个体营业执照需要什么手续
开什么店比较有前景
新年祝福歌曲
竭力的意思
betty是什么意思
什么是转述句举例说明
风号浪吼什么意思
誉满天下的意思
领导生日祝福语
猜你喜欢
药学是学什么的
无法自拔的意思
他山之石可以攻玉的意思
独占鳌头的意思
土地流转是什么意思
尘埃的意思
分水岭是什么意思
义不容辞是什么意思
双卡双待单通是什么意思
可见一斑的意思