小度生活
首页
美食营养
手工爱好
生活家居
返回
小度生活
首页
美食营养
游戏数码
手工爱好
生活家居
健康养生
运动户外
职场理财
情感交际
母婴教育
时尚美容
知识问答
生活知识
搜索
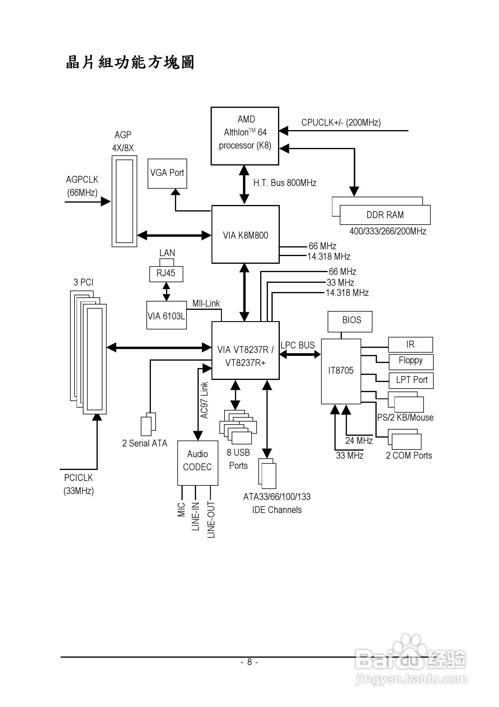
技嘉GA-K8VM800M-RH型主板说明书:[1]
2026-01-15 00:16:56
本篇为《技嘉GA-K8VM800M-RH型主板说明书》,主要介绍该产品的使用方法以及常见故障解决方案。
(共篇)
下一篇:
声明:
本网站引用、摘录或转载内容仅供网站访问者交流或参考,不代表本站立场,如存在版权或非法内容,请联系站长删除,联系邮箱:site.kefu@qq.com。
相关推荐
技嘉GA-K8VM800M-RH型主板说明书:[3]
阅读量:67
技嘉GA-K8VM800M型主板说明书:[6]
阅读量:192
技嘉GA-K8VM800M型主板说明书:[7]
阅读量:196
技嘉主板bios设置固态硬盘启动
阅读量:126
技嘉GA-K8VM800M型主板说明书:[8]
阅读量:24
猜你喜欢
火腿怎么做好吃
小炖肉的家常做法
借呗怎么开通
三鲜饺子馅的做法
兔子怎么画
血红蛋白低是怎么回事
怎么查社保缴费记录
mr先生英文怎么读
热干面的做法
玉米粉的做法大全
猜你喜欢
西兰花的家常做法
茴香豆的做法
高血压是怎么引起的
鹌鹑蛋的做法大全
鸡蛋炒面的家常做法
蒜蓉粉丝虾的做法
猪肉的做法大全
孜然肉片的做法
菠菜的做法
鱼头泡饼的做法